schema electrique installation photovoltaique autonome

découvrez notre schéma pv autonome, une solution innovante pour produire votre propre électricité. apprenez comment optimiser l'installation de panneaux solaires pour un fonctionnement autonome et efficace, tout en réduisant votre empreinte carbone.

Schéma électrique pour une installation photovoltaïque autonome

Les installations photovoltaïques autonomes offrent une alternative efficace pour produire sa propre électricité, surtout dans les zones non raccordées au réseau électrique. Il est essentiel de bien comprendre le schéma électrique pour optimiser cette installation. À travers cet article, nous explorerons les principes fondamentaux, les composants nécessaires et les avantages d’une installation photovoltaïque autonome.

Principe de fonctionnement d’une installation photovoltaïque autonome

Une installation photovoltaïque autonome fonctionne grâce à des modules solaires qui convertissent l’énergie solaire en courant électrique. Ce courant est généralement de basse tension, qui est ensuite stocké dans des batteries pour alimenter divers appareils. Voici un aperçu des éléments clés de ce système :

Modules solaires

Les modules solaires, ou panneaux photovoltaïques, sont la première étape pour capturer l’énergie solaire. Ils sont disponibles en différentes technologies, notamment :

  • Monocristallins : plus efficaces et plus chers.
  • Polycristallins : moins chers mais légèrement moins efficaces.
  • Couches minces : moins chers et flexibles, mais avec un rendement inférieur.
schema-pv-autonome schema electrique installation photovoltaique autonome

Batteries de stockage

Les batteries permettent de stocker l’électricité produite. Selon les besoins et le budget, plusieurs options de batteries sont disponibles :

  • Batteries au plomb : coût intéressant mais durée de vie limitée.
  • Batteries lithium : coût plus élevé, mais durée de vie et performantes supérieures.

Le choix de la batterie doit être en fonction des besoins en consommation d’électricité de votre habitation.

Onduleur

L’onduleur est un élément clé dans une installation selfsuffisante, car il convertit le courant continu des panneaux solaires et des batteries en courant alternatif, utilisable pour la majorité des appareils électroménagers. Les onduleurs peuvent être de plusieurs types :

  • Onduleurs centraux : pour les grandes installations.
  • Micro-onduleurs : pour optimiser chaque panneau.

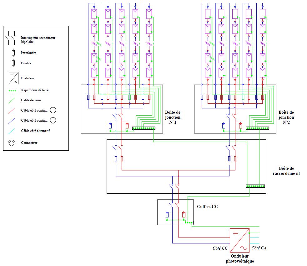
Schéma électrique d’une installation photovoltaïque autonome

Le schéma électrique illustre comment les composants s’assemblent pour fonctionner ensemble. Voici les éléments fondamentaux :

  • Modules photovoltaïques
  • Régulateur de charge : contrôle la charge des batteries.
  • Parc à batteries
  • Onduleur
  • Appareils électroménagers

Lors de l’installation, le module photovoltaïque est connecté au régulateur de charge, qui gère le flux d’énergie vers les batteries. Celles-ci, une fois chargées, fourniront de l’énergie via l’onduleur aux appareils électriques.

schema-pv-autonome schema electrique installation photovoltaique autonome

Avantages d’une installation photovoltaïque autonome

Les installations photovoltaïques autonomes présentent de nombreux avantages, notamment :

Indépendance énergétique

Avoir son propre système de production d’électricité permet de réduire sa dépendance aux fournisseurs d’énergie. Pour ceux vivant dans des régions éloignées, c’est souvent la seule solution viable.

Économie de coûts

Bien que les coûts d’installation puissent sembler élevés au départ, l’autonomie énergétique permet des économies substantielles sur la facture d’électricité à long terme. De plus, il existe des aides et subventions pour l’installation de panneaux solaires.

Écologie

Produire de l’électricité grâce au solaire réduit l’empreinte carbone. En exploitant une source d’énergie renouvelable, on contribue à la protection de l’environnement.

Évaluation des besoins

Avant d’installer, évaluer sa consommation et définir ses besoins énergétiques est essentiel pour dimensionner correctement son installation. Un trop grand système serait un investissement inutile, tandis qu’un système trop petit ne suffirait pas.

Comment choisir les éléments de son installation photovoltaïque

Le choix des composants d’une installation photovoltaïque autonome n’est pas à négliger. Cela commence par les panneaux. En fonction de l’espace disponible et de l’ensoleillement de la région, il sera nécessaire de choisir la technologie adéquate. Vérifiez aussi les caractéristiques :

Rendement

Le rendement des panneaux doit être évalué pour assurer une production optimale en fonction des conditions d’ensoleillement locales.

Durabilité

Les panneaux solaires ont une durée de vie qui dépasse souvent 25 ans. Il est donc essentiel de choisir des panneaux de qualité supérieure.

Coût

Le budget est un facteur crucial. Comparez différents fournisseurs et modèles pour garantir le meilleur rapport qualité/prix.

Installation

Enfin, une installation correcte est primordiale. Faites appel à des professionnels ou assurez-vous de bien comprendre le processus si vous choisissez d’installer vous-même votre système.

Accessibilité des pièces de rechange

Les composants, comme les onduleurs et batteries, doivent être facilement disponibles sur le marché pour des remplacements futurs.

schema-pv-autonome-1 schema electrique installation photovoltaique autonome

Conseils pratiques pour l’installation d’un système photovoltaïque autonome

Installer un système photovoltaïque autonome requiert de la planification et de l’expertise. Voici quelques conseils :

État de la toiture

Si vous installez des panneaux sur un toit, assurez-vous que celui-ci soit en bon état. Réalisez des travaux préalables si nécessaire.

Orientation et inclinaison

Pour maximiser la production, l’inclinaison des panneaux doit être optimale en fonction de votre latitude. Une orientation plein sud est souvent recommandée.

Sécurité

Installez des protections telles que des disjoncteurs et un parafoudre pour sécuriser votre installation. Les risques liés à la manipulation de l’électricité sont importants et nécessitent une attention particulière.

Exemples de projets d’installations autonomes

De nombreux projets d’installation photovoltaïque autonome émergent en France. Ces exemples montrent l’ampleur croissante de l’adoption :

Maisons individuelles

De plus en plus de particuliers choisissent d’installer des panneaux sur leurs toits ou jardins pour réduire leurs factures.

Collectivités

Des municipalités adoptent aussi ces systèmes pour alimenter des bâtiments publics, montrant l’engagement envers des solutions durables.

Agriculture

Les agriculteurs exploitent les toits de serres ou de bâtiments agricoles pour installer des systèmes solaires autonomes, d’où une double rentabilité.

schema-pv-autonome-2 schema electrique installation photovoltaique autonome

Vous avez peut-être manqué

Panneau Photovoltaique Solaire Pro 4.9 (98%) 23618 votes

Recevez votre devis gratuit pour installer des panneaux photovoltaïque

X