Comprendre le synoptique de la liaison équi potentielle pour les installations photovoltaïques
Au cœur de la transition énergétique, les installations photovoltaïques émergent comme un pilier incontournable dans la quête d’une énergie renouvelable et durable. Avec une demande croissante pour ces systèmes, leur conception et leur efficacité exigent une attention particulière. L’un des éléments cruciaux de cette conception est la compréhension approfondie des schémas synoptiques, notamment en ce qui concerne la liaison équi potentielle. Cette liaison n’est pas seulement une question de sécurité, mais un élément essentiel de l’optimisation des performances des installations solaires.
Importance des schémas synoptiques pour les installations photovoltaïques
Les schémas synoptiques sont des outils visuels qui permettent de représenter l’ensemble d’une installation photovoltaïque. Ils jouent un rôle clé dans la compréhension des liaisons équipotentielles, notamment en facilitant la visualisation des connections entre divers composants tels que les panneaux solaires, les onduleurs, et les dispositifs de protection. Ces représentations graphiques sont cruciales à la fois en phase d’installation et de maintenance. Grâce à une telle approche, les installateurs peuvent identifier clairement la configuration de l’ensemble du système, et ainsi, anticiper les problèmes potentiels.

Une conception adéquate d’un schéma synoptique pour une installation photovoltaïque doit tenir compte de plusieurs aspects techniques. Il s’agit notamment de :
- Connexion des panneaux solaires : Indication précise de la manière dont les panneaux sont interconnectés.
- Disposition des onduleurs : Emplacement et type d’onduleurs utilisés, garantissant leur efficacité dans la conversion de l’énergie.
- Dispositifs de protection : Incorporation de parafoudres, disjoncteurs et autres dispositifs visant à sécuriser l’installation électrique.
Les schémas doivent également fournir des informations essentielles concernant le voltampérage maximal et les puissances des composants, afin de garantir une complète conformité aux normes de sécurité en vigueur. La mise en œuvre d’équipements de surveillance modernes, capables de transmettre des données en temps réel, offre la possibilité d’une gestion proactive des performances. Par exemple, avec des capteurs directs reliés à des systèmes d’analyse comme Raspberry Pi, il est possible de détecter les baisses de rendement avant qu’elles ne deviennent problématiques.
En somme, une bonne compréhension des schémas synoptiques permet non seulement d’optimiser le rendement des installations photovoltaïques, mais également d’assurer une longévité accrue des systèmes. Cela nécessite des compétences solides de la part des installateurs, ainsi qu’une continuité dans la surveillance des performances.
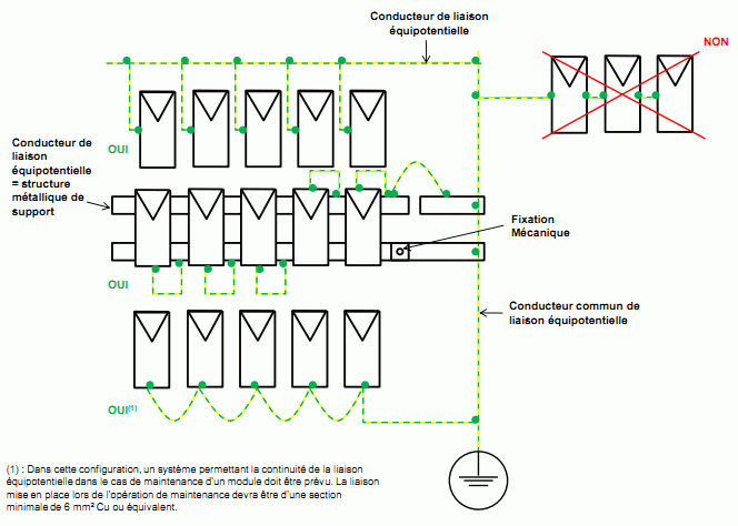
Liaisons équipotentielles : Sécurité et fonctionnalité
Les liaisons équipotentielles sont essentielles pour garantir la sécurité des installations photovoltaïques. Leur but principal est de réduire les risques d’électrocution et d’incendie, en unifiant le potentiel électrique de tous les éléments constitutifs de l’installation. En reliant le cadre des panneaux, les structures métalliques, et autres composants conducteurs à une prise de terre commune, on prévient tout écart de potentiel dangereux.

Il existe deux types de liaisons équipotentielles à intégrer dans la conception des systèmes photovoltaïques :
- Liaison équipotentielle principale (LEP) : Cette liaison relie tous les éléments conducteurs de l’installation, assurant ainsi un potentiel uniforme. Elle est l’élément fondamental de sécurité.
- Liaison équipotentielle supplémentaire (LES) : Cette liaison est souvent requise dans des environnements spécifiques, tels que les salles de bains, où les risques d’accidents électriques sont accrus. Elle complète la LEP en fournissant une protection additionnelle.
Pour une installation photovoltaïque effective, les normes de sécurité recommandent une analyse approfondie des schémas de connexion. Cela inclut des vérifications minutieuses de la continuité électrique, ainsi que des tests réguliers de la résistance des liaisons. En effet, un défaut dans une liaison revient à compromettre l’efficacité et la sécurité de l’ensemble du système et pourrait entraîner des conséquences graves.
Ainsi, en collaborant étroitement avec des installateurs qualifiés, il est possible de s’assurer que toutes les normes et réglementations sont rigoureusement suivies. Les entreprises réputées telles que Energ’Innov et Helios Technologies se distinguent par leur savoir-faire en matière d’installation et de mise en conformité, assurant ainsi une tranquillité d’esprit pour leurs clients.
Marques de panneaux solaires et leur impact sur la performance
Le choix des panneaux solaires est un élément déterminant dans l’efficacité d’une installation photovoltaïque. Des marques notoires telles que SunPower et Total se démarquent par leur technologie de pointe et leur réputation avérée dans le domaine. En effet, la performance d’un panneau est généralement mesurée par son rendement énergétique, c’est-à-dire la quantité d’énergie solaire qu’il parvient à convertir en énergie utilisable.

Pour aider à la décision lors de l’achat de panneaux solaires, un tableau récapitulatif de certaines marques propose une comparaison sur des critères importants.
| Marque | Rendement (%) | Durabilité (années) | Garantie (années) | Coût moyen (€/W) |
|---|---|---|---|---|
| SunPower | 22.8 | 25 | 25 | 3.00 |
| Total | 21.5 | 20 | 20 | 2.80 |
| LG | 21.0 | 25 | 25 | 3.20 |
| Q CELLS | 19.5 | 12 | 12 | 1.70 |
Ce tableau met en évidence l’importance d’évaluer les différences entre les marques disponibles. Par exemple, bien que les panneaux SunPower affichent un rendement supérieur, leur coût est également plus élevé. À l’inverse, des marques comme Q CELLS, bien que plus accessibles financièrement, offrent un rendement inférieur et une durabilité limitée. Il est crucial de choisir des panneaux en fonction des besoins spécifiques, qu’il s’agisse d’une installation résidentielle ou commerciale.
Optimisation des systèmes photovoltaïques avec des équipements modernes
L’optimisation de l’efficacité des installations photovoltaïques dépend également de l’usage de technologies avancées. L’intégration d’onduleurs de qualité joue un rôle fondamental, car ils convertissent l’énergie continue des panneaux en énergie alternative destinée à une utilisation domestique ou professionnelle. De plus, des systèmes de stockage, tels que les batteries lithium-ion, permettent de conserver l’énergie excédentaire pour une utilisation ultérieure, notamment durant les périodes creuses ou lorsqu’il fait nuit.
Au-delà des équipements fonctionnels, la cybersécurité prend une place prépondérante dans la gestion des installations photovoltaïques. Les systèmes modernes, souvent connectés à Internet pour un suivi à distance, nécessitent des mesures de protection robustes pour assurer l’intégrité des données et la bonne marche des équipements. Des entreprises comme Eco-Solaire et Solaris France se spécialisent dans la protection de ces installations contre les menaces numériques.
L’importance de l’entretien préventif ne doit pas être négligée. Le nettoyage régulier des panneaux solaires, l’examen des câblages et l’analyse des systèmes de montage sont essentiels pour garantir des performances optimales. Des facteurs environnementaux, tels que la poussière, la neige ou des débris peuvent impacter négativement la production d’énergie ; ainsi, un entretien régulier se révèle NON seulement bénéfique, mais nécessaire.
Mise en place d’un système efficace de surveillance des performances
La mise en place d’un système de surveillance des performances est indispensable pour maximiser l’efficacité des installations photovoltaïques. L’utilisation d’appareils de mesure avancés couplés à des logiciels d’analyse, offre la possibilité d’obtenir des informations claires sur le rendement et de détecter rapidement les éventuels défauts. Ces dispositifs peuvent fournir des alertes immédiates en cas de problème, permettant d’effectuer les réparations nécessaires sans délai.
Les méthodes de surveillance peuvent varier, mais les solutions modernes intègrent souvent des affichages numériques qui montrent en temps réel l’énergie produite par l’installation. Par ailleurs, l’utilisation d’outils comme Raspberry Pi pour une analyse plus approfondie est un exemple d’innovation dans le secteur. Ce type de technologie permet d’envoyer des notifications aux utilisateurs en cas de baisse de rendement, garantissant ainsi des interventions rapides et efficaces.
- Évaluation continue des performances pour assurer la durabilité du système.
- Préparation des rapports de rendements annuels pour mesurer le retour sur investissement.
- Inspections et interventions régulières pour optimiser les installations.
Les propriétaires d’installations photovoltaïques doivent maintenir des enregistrements détaillés des performances, car cela joue un rôle crucial dans l’évaluation de leur impact économique et environnemental dans le temps.
Laisser un commentaire