Comprendre le synoptique de la liaison équi potentielle pour une installation photovoltaïque

découvrez notre guide complet sur le synoptique photovoltaïque, une représentation visuelle essentielle pour comprendre le fonctionnement des systèmes solaires. apprenez à optimiser votre installation et à maximiser la production d'énergie grâce à des diagrammes clairs et des explications détaillées.

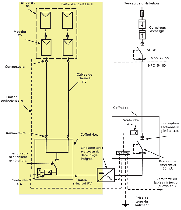
La mise en place d’une installation photovoltaïque nécessite une attention particulière aux aspects techniques, notamment en matière de sécurité électrique. La liaison équipotentielle est un sujet essentiel qui doit être parfaitement compris par tous les acteurs impliqués. Elle joue un rôle crucial pour assurer la sécurité des utilisateurs et la performance des systèmes. Cet article se penche sur le synoptique de la liaison équi potentielle, abordant ses principes, ses normes et son intégration dans les installations photovoltaïques.

En premier lieu, il est essentiel de distinguer les différentes types de liaisons équipotentielles. Deux grandes catégories se dessinent : les liaisons principales et les liaisons supplémentaires. Ces dernières sont indispensables pour garantir un bon équilibre électrique au sein de l’installation. Ce développement vous fera découvrir les exigences techniques et pratiques relatives à ce domaine, tout en vous offrant une vision claire des opérations à mener pour une installation en toute sécurité.

Les liaisons équipotentielles : types et significations

synoptique-photovoltaique Comprendre le synoptique de la liaison équi potentielle pour une installation photovoltaïque

Les liaisons équipotentielles se divisent principalement en liaisons équipotentielles principales et liaisons équipotentielles supplémentaires. Les premières assurent un raccordement efficace de divers éléments constitutifs de l’installation, comme les canalisations d’eau et de gaz, ainsi que les parties métalliques fixes du bâtiment. Ces connexions sont réalisées pour garantir une protection suffisante des équipements et des utilisateurs contre les défauts électriques.

Les liaisons équipotentielles principales se relient directement à la borne principale de terre et intègrent des sections spécifiques qui sont essentielles pour les règles de sécurité. Par exemple, la section de la liaison principal doit avoir un minimum de 6 mm² pour le cuivre et ne doit pas dépasser 25 mm². Ces normes garantissent une conductivité adéquate, essentielle pour dissiper les courants de défaut.

Les liaisons équipotentielles supplémentaires

Les liaisons supplémentaires sont également d’une importance capitale, car elles établissent des connexions entre des appareils électroménagers, des machines et divers éléments accessibles simultanément. Ces liaisons doivent répondre à certaines exigences quant à la section des conducteurs. Par exemple, un minimum de 2.5 mm² est requis si ces conducteurs sont protégés mécaniquement. Une attention particulière doit donc être portée lors de leur mise en œuvre.

Normes et réglementations concernant les liaisons équipotentielles

Les normes régissant les liaisons équipotentielles sont dictées par des règlements techniques stricts, comme ceux émis par la norme NF C 15-100 en France. Cette norme spécifie que la section minimale d’une liaison équipotentielle doit être au minimum égale à la moitié de la plus grande section des conducteurs de protection de l’installation. Cela signifie qu’une bonne connaissance des spécificités normatives est un atout majeur pour tous les professionnels œuvrant dans ce domaine.

Les exigences relatives à la mise en terre ne doivent pas être négligées. L’installation doit être soigneusement planifiée pour garantir une efficacité optimale dans le fonctionnement de l’ensemble du système électrique. En cas de nouvelles constructions, il est primordial d’intégrer ces aspects dès la phase de conception afin d’assurer une connexion appropriée au réseau de mise à terre.

Intégration pratique des liaisons équipotentielles dans une installation photovoltaïque

synoptique-photovoltaique Comprendre le synoptique de la liaison équi potentielle pour une installation photovoltaïque

Pour garantir la bon fonctionnement d’une installation photovoltaïque, il est indispensable d’intégrer efficacement les liaisons équipotentielles dans le système électrique. Cela nécessite une approche méthodique qui implique de nombreuses considérations techniques. La liaison équipotentielle doit être reliée à la terre du système, permettant ainsi une protection efficace contre les surtensions et autres défauts électriques.

La liaison équipotentielle centralisée est une approche souvent recommandée. Dans ce cadre, toutes les parties conductrices accessibles de l’installation sont reliées à une barre de terre centrale. Il convient de vérifier que les caractéristiques des conducteurs utilisés respectent les exigences normatives liées à la mise à la terre. Les conducteurs en cuivre doivent être privilégiés pour leurs propriétés conductrices.

Bonnes pratiques lors de l’installation des liaisons équipotentielles

Deux principaux points doivent être respectés : la section minimale des câbles et leur protection. Pour réduire les risques d’usure, il est conseillé d’utiliser des conducteurs protégés mécaniquement lorsque cela est possible. Cela permet de bénéficier d’une plus grande durabilité dans le temps et de prévenir les défaillances électriques. C’est également essentiel de choisir des équipements homologués et conformes aux normes en vigueur pour tous les connexions et système de mise à la terre.

Analyse des impacts d’une bonne mise à la terre

synoptique-photovoltaique-2 Comprendre le synoptique de la liaison équi potentielle pour une installation photovoltaïque

La bonne mise en œuvre des liaisons équipotentielles présente de nombreux avantages. D’une part, elle protège les utilisateurs contre les risques d’électrocution. D’autre part, elle préserve les équipements électriques et électroniques sensibles, majoritairement présents dans les systèmes photovoltaïques.

Un atout pour la durabilité

En garantissant une protection adéquate, les liaisons équipotentielles contribuent également à allonger la durée de vie des équipements photovoltaïques. En effet, des dispositifs bien protégés fonctionnent avec une efficacité optimale et nécessitent moins de maintenance. Plus le système est en sécurité, moins il est sujet à des pannes liées à des courants indésirables.

Il est donc important de sensibiliser les applicateurs et installateurs d’installations photovoltaïques sur ce sujet afin qu’ils soient conscients des impacts des liaisons équipotentielles sur le rendement des systèmes électriques. L’orientation adéquate vers des lecteurs de normes et des guides d’application peut également aider à mieux intégrer ces concepts.

Ressources et aides pour une compréhension approfondie des liaisons équipotentielles

synoptique-photovoltaique-1 Comprendre le synoptique de la liaison équi potentielle pour une installation photovoltaïque

Des ressources sont disponibles pour permettre aux professionnels de se familiariser avec les liaisons équipotentielles et leur intégration dans les installations photovoltaïques. Par exemple, plusieurs guides pratiques et documents normatifs sont accessibles en ligne. Ces ressources offrent un aperçu détaillé des exigences techniques en matière d’installation et de mise à la terre.

Des sites comme FairFair et Certinergie proposent des informations utiles sur ce sujet. En ce qui concerne les documents techniques, des fichiers PDF, comme ceux disponibles sur Blubase, fournissent aussi un cadre pratique pour la mise en œuvre des liaisons équipotentielles.

Il est particulièrement conseillé de consulter ces ressources pour s’assurer que l’on respecte bien les normes applicables à votre installation, ce qui est primordial pour garantir un système efficace et sûr.

Vous avez peut-être manqué

Panneau Photovoltaique Solaire Pro 4.9 (98%) 26412 votes

Recevez votre devis gratuit pour installer des panneaux photovoltaïque

X