Comprendre les schémas électriques pour une installation photovoltaïque efficace
Dans un monde où la transition énergétique est devenue une priorité, maîtriser les schémas électriques d’une installation photovoltaïque est fondamental pour quiconque souhaite tirer le meilleur parti de l’énergie solaire. Cet article vise à fournir une compréhension détaillée des différents aspects des schémas électriques utilisés dans les systèmes photovoltaïques. À travers une présentation claire et structurée, nous allons explorer les configurations, les composants, ainsi que les réglementations qui encadrent ce domaine dynamique et en pleine expansion.
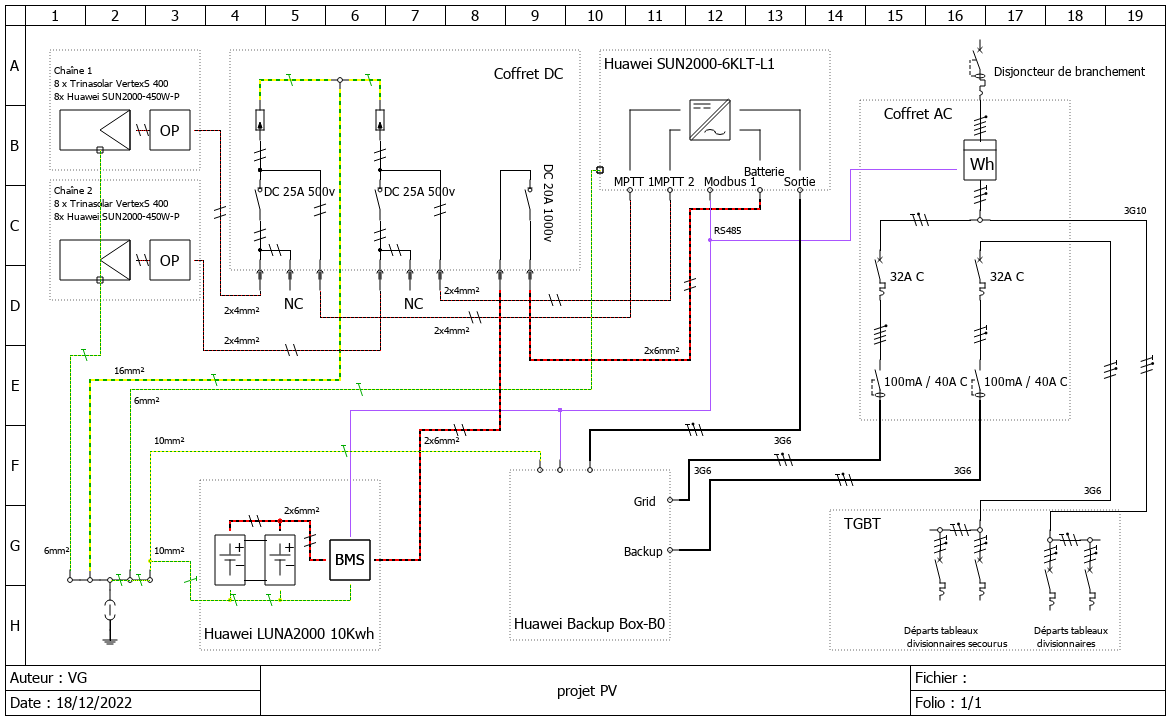
Le schéma électrique : un outil indispensable pour l’installation photovoltaïque
Le schéma électrique d’une installation photovoltaïque est une représentation visuelle qui illustre le câblage et les connexions entre les divers composants du système. C’est un outil essentiel pour la conception, l’installation, et la maintenance des systèmes solaires. Ce schéma permet de visualiser le circuit électrique en indiquant comment l’énergie produite par les panneaux solaires est acheminée jusqu’à l’onduleur, puis au réseau électrique.

Nous pouvons identifier plusieurs éléments clés dans un schéma électrique :
- Panneaux solaires : Ils convertissent l’énergie solaire en électricité sous forme de courant continu (DC).
- Onduleurs : Ces dispositifs transforment le courant continu (DC) en courant alternatif (AC), qui est le type d’électricité utilisé dans la plupart des maisons.
- Coffrets de protection : Ils incluent des dispositifs de sécurité tels que des disjoncteurs et des fusibles, essentiels pour protéger le système contre les surintensités.
Sur le plan réglementaire, chaque schéma doit respecter les normes en vigueur qui varient d’un pays à l’autre, ainsi que les spécificités locales. En France par exemple, les réglementations peuvent être consultées sur des sites comme Installation Photovoltaïque ou Photovoltaïque Guide.
| Composant | Fonction |
|---|---|
| Panneaux solaires | Conversion de l’énergie solaire en électricité |
| Onduleurs | Transformation du courant continu (DC) en courant alternatif (AC) |
| Coffrets de protection | Protection électrique du système |
L’importance des schémas unifilaires
Les schémas unifilaires sont particulièrement précieux dans le domaine des installations photovoltaïques. Ils permettent de simplifier la représentation de l’ensemble de l’installation en n’utilisant qu’une seule ligne pour chaque connexion, ce qui rend la lecture et l’interprétation beaucoup plus aisées. Ce type de schéma est un atout considérable lors de l’exécution de travaux de maintenance.
Les avantages des schémas unifilaires incluent :
- Facilité d’identification des composants.
- Simplification des opérations de maintenance.
- Vue d’ensemble rapide de l’architecture du système.
Nous sommes témoins d’une adoption grandissante de ces représentations dans les projets gérés par des sociétés comme TotalEnergies et SMA France, qui cherchent à maximiser l’efficacité et la sécurité de leurs installations.
Les principaux éléments d’un système photovoltaïque
Un système photovoltaïque fonctionne en intégrant plusieurs composants interconnectés qui assurent la conversion et la distribution de l’énergie solaire. Chacun de ces éléments a sa propre fonction qui contribue à l’efficacité et à la sécurité de l’installation.

Les éléments critiques d’un schéma électrique pour une installation photovoltaïque comprennent :
- Panneaux photovoltaïques : Le cœur du système, responsable de la conversion de l’énergie solaire.
- Onduleurs : Transforme l’électricité pour qu’elle soit compatible avec le réseau électrique.
- Coffrets de protection AC et DC : Assurent la sécurité des différents circuits.
- Batteries (si présentes) : Stockent l’énergie pour une utilisation ultérieure.
- Compteurs d’électricité : Mesurent la production et la consommation d’électricité.
Chaque élément doit être soigneusement choisi et positionné afin d’optimiser la production d’énergie. Par exemple, pour une installation d’une capacité de 100 kWc, il est essentiel de dimensionner les câbles en fonction des spécificités du projet, afin de minimiser les pertes électriques.
| Élément | Rôle |
|---|---|
| Panneaux photovoltaïques | Convertissent la lumière du soleil en courant continu |
| Onduleurs | Convertissent le courant DC en courant AC |
| Coffrets de protection | Protéger l’installation et la faciliter la maintenance |
| Batteries | Stocker l’énergie pour couvrir les besoins en dehors des heures de soleil |
La réglementation en matière de photovoltaïque
La mise en place d’une installation photovoltaïque est soumise à des réglementations strictes qui varient selon les régions. Ces exigences visent à garantir la conformité technique, la sécurité électrique et l’impact environnemental de telles installations. En France, il est impératif de se référer aux textes législatifs pour s’assurer que le système soit en règle, notamment en ce qui concerne l’intégration au réseau électrique géré par Enedis.
Quelques aspects touchant à la réglementation incluent :
- Normes de sécurité électrique
- Conditions de raccordement au réseau électrique
- Réglementations environnementales concernant les sites d’implantation
- Affectations des terres agricoles ou des zones non constructibles
Les acteurs majeurs du secteur comme Photowatt, Voltalia et GreenYellow contribuent à définir ces normes et à les mettre en œuvre pour engager la transition énergétique.
Les meilleures pratiques pour un câblage efficace
La manière dont le câblage est réalisé dans une installation photovoltaïque est un facteur déterminant pour garantir la sécurité et la performance. Un câblage mal configuré peut entraîner des pertes d’énergie et des risques d’incendie, faisant ainsi de cette étape une priorité.

Les meilleures pratiques en matière de câblage comprennent :
- Choisir des câbles appropriés : Le choix du bon type et de la bonne section de câble est essentiel pour minimiser la résistance et les pertes.
- Utiliser des connecteurs de qualité : Des connecteurs fiables et adaptés au milieu extérieur garantiront une connexion durable.
- Planifier correctement l’agencement : L’optimisation de l’itinéraire des câbles réduit les risques d’interférences et de dommages mécaniques.
- Suivre un schéma de câblage standard : Les schémas valides garantissent la conformité avec les normes électriques et facilitent la maintenance ultérieure.
Les recommandations des experts comme Econergie et les retours d’expérience d’installateurs permettent de s’assurer que les méthodes appliquées au câblage sont à jour et adaptées à l’évolution technique.
| Pratique | Élément clé |
|---|---|
| Choisir des câbles appropriés | Minimiser les pertes d’énergie |
| Utiliser des connecteurs de qualité | Garantir une connexion durable et résistante aux intempéries |
| Planifier l’agencement | Réduire les risques d’interférences et de dommages |
| Suivre un schéma standard | Assurer conformité et faciliter maintenance |
Évaluer les performances d’une installation photovoltaïque
La capacité d’une installation photovoltaïque à produire de l’électricité de manière efficace est un aspect primordial à évaluer. Cela peut se faire par le suivi des performances et l’analyse de la production sur une période donnée.
Les indicateurs de performance d’un système photovoltaïque incluent :
- Le taux de conversion : Mesure l’efficacité de transformation de l’énergie solaire en électricité.
- Le temps de réponse : Délai entre l’intervention d’un module photovoltaïque et la production d’électricité.
- Le rendement énergétique : Évalue la quantité d’énergie par rapport à la surface utilisée par les panneaux solaires.
- Le taux de disponibilité : Mesure le temps durant lequel l’installation est opérationnelle.
Les sociétés comme Ingelia offrent des solutions avancées pour optimiser les performances et aider à la gestion de ce type d’installation, en intégrant des systèmes de monitoring qui relèvent ces données clés.
Optimisation des performances
Pour garantir des performances optimales, il est déterminant d’utiliser les outils de diagnostic et d’optimisation disponibles sur le marché. Les logiciels de simulation permettent d’obtenir des modèles de performance anticipés, facilitant la planification. Les utilisateurs peuvent ainsi prévoir les besoins en maintenance et orienter leurs choix pour améliorer le rendement global de l’installation.
| Indicateur de performance | Objectif |
|---|---|
| Taux de conversion | Maximiser l’efficacité de conversion de l’énergie |
| Temps de réponse | Réduire le temps d’activation du système |
| Rendement énergétique | Optimiser l’utilisation de la surface |
| Taux de disponibilité | Assurer une opération calme et régulière |



Laisser un commentaire