Comprendre le schéma unifilaire pour une installation photovoltaïque efficace

découvrez notre guide complet sur le schéma unifilaire photovoltaïque, une représentation essentielle pour comprendre l'installation de systèmes solaires. apprenez à optimiser votre production d'énergie renouvelable grâce à des diagrammes clairs et des explications détaillées.

La maîtrise des installations photovoltaïques est un enjeu majeur dans la transition énergétique actuelle. Les schémas unifilaires jouent un rôle crucial en permettant une compréhension claire et concise des connexions électriques de ces systèmes. Ce guide détaillé explore l’importance de ces schémas dans l’optimisation des performances des installations solaires, tout en se concentrant sur les différentes composantes qui les composent.

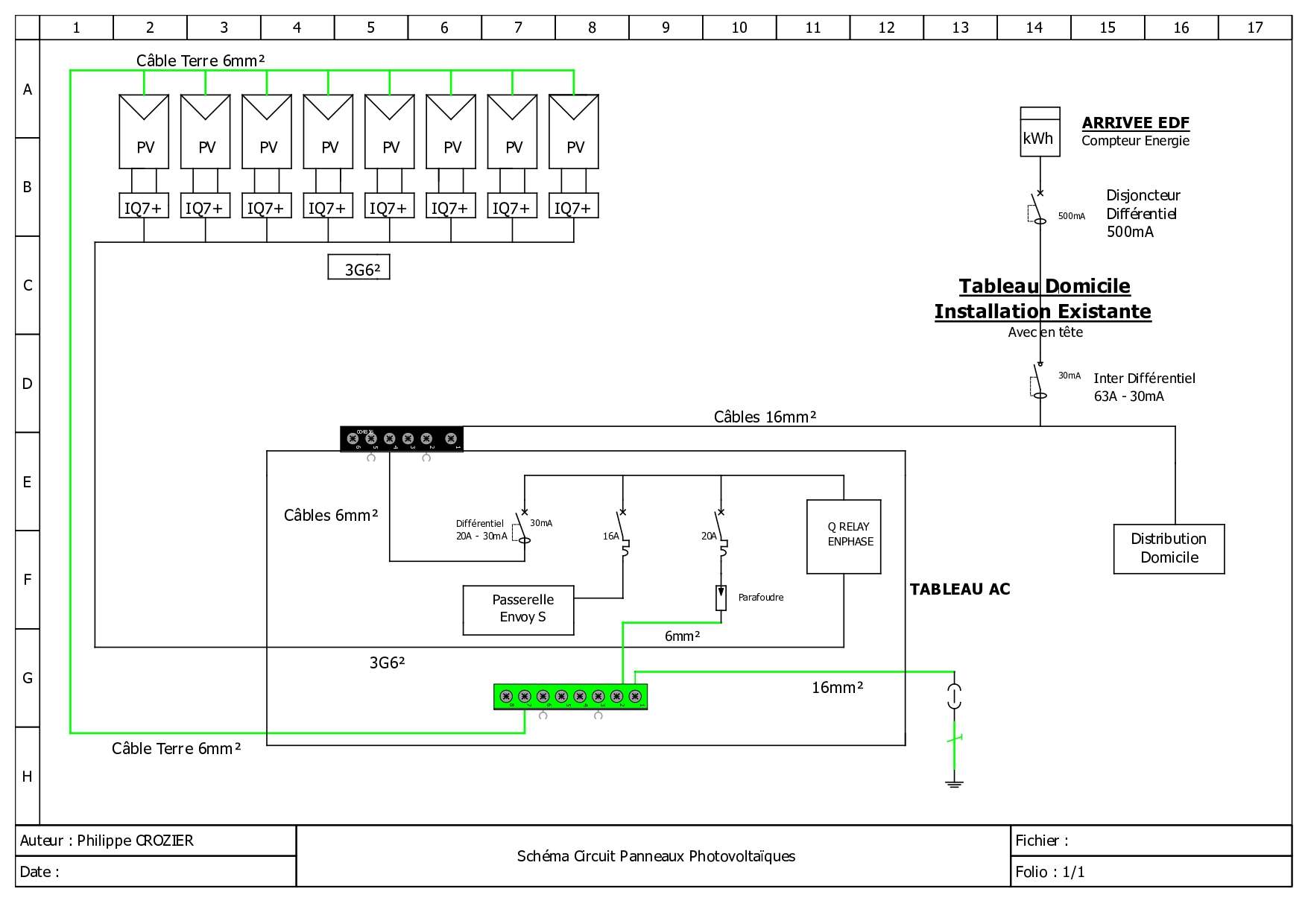
Un schéma unifilaire représente la configuration électrique d’un système photovoltaïque, en utilisant des symboles standardisés pour illustrer les connexions entre les panneaux solaires, les onduleurs, et les dispositifs de protection. Cela permet aux professionnels et aux novices d’interagir efficacement avec les installations, d’identifier les problèmes potentiels, et de garantir la conformité avec les normes de sécurité.

Les fondamentaux du schéma unifilaire

Le schéma unifilaire est un diagramme essentiel qui représente l’ensemble des circuits électriques d’une installation. En utilisant une approche simplifiée, il réduit la complexité des interconnexions. Les techniciens et installateurs peuvent ainsi se concentrer sur les aspects clés de l’installation.

Qu’est-ce qu’un schéma unifilaire ?

Un schéma unifilaire utilise une ligne unique pour représenter chaque circuit, illustrant clairement comment les composants sont interconnectés. Cela inclut les panneaux photovoltaïques, les onduleurs, et les dispositifs de protection. Ces diagrammes sont essentiels pour optimiser la sécurité et la performance du système.

Composants clés d’un système photovoltaïque

Les principaux éléments d’une installation photovoltaïque comprennent :

  • Panneaux photovoltaïques – Ils captent l’énergie solaire ;
  • Onduleurs – Ils convertissent le courant continu en courant alternatif ;
  • Dispositifs de protection – Ils protègent le système des surcharges.

Chaque composant est symbolisé sur le schéma, facilitant ainsi leur identification.

schema-unifilaire-photovoltaique Comprendre le schéma unifilaire pour une installation photovoltaïque efficace
https://www.youtube.com/watch?v=CPXq-jWNMHY

Création d’un schéma unifilaire efficace

La conception d’un schéma unifilaire efficace nécessite une attention particulière aux détails. L’utilisation de logiciels spécialisés permet de créer des diagrammes précis et conformes aux normes standards.

Étapes pour concevoir un schéma unifilaire

Pour réaliser un schéma unifilaire, il est impératif de suivre certaines étapes :

  1. Identifier tous les composants – Noter les spécifications techniques de chaque élément ;
  2. Utiliser des symboles standards – Cela assure la clarté et l’uniformité du diagramme ;
  3. Valider le schéma – Vérifiez la conformité avec les réglementations en vigueur.

Logiciels pour la création de schémas

Divers outils et logiciels sont disponibles pour simplifier le processus de création de schémas unifilaires. Ces logiciels intègrent souvent des modèles prédéfinis et des fonctionnalités intelligentes pour optimiser la conception.

Pour plus de détails, consultez les ressources en ligne comme Plans Câblage et Schemaselectriques.com.

schema-unifilaire-photovoltaique-1 Comprendre le schéma unifilaire pour une installation photovoltaïque efficace

Avantages et inconvénients des schémas unifilaires

Les schémas unifilaires présentent divers avantages et quelques inconvénients qu’il convient de connaître.

Avantages des schémas unifilaires

Parmi les principaux avantages, on trouve :

  • Clarté – La représentation simplifiée facilite la compréhension ;
  • Standardisation – Favorise une communication efficace entre professionnels ;
  • Accessibilité – Les schémas simplifiés sont plus faciles à suivre pour les novices.

Inconvénients des schémas unifilaires

Néanmoins, certains inconvénients sont à prendre en compte :

  • Manque de détails – Ne montre pas certainement chaque élément individuellement ;
  • Limité pour des systèmes complexes – Peut nécessiter des schémas plus détaillés pour les installations de grande taille.

Il est important de bien comprendre ces éléments avant d’utiliser un schéma unifilaire pour une installation photovoltaïque.

schema-unifilaire-photovoltaique Comprendre le schéma unifilaire pour une installation photovoltaïque efficace

Compréhension pratique du schéma unifilaire

Pour tirer le meilleur parti des schémas unifilaires, il est utile de les analyser de manière concrète. Cela inclut la reconnaissance des symboles utilisés et la capacité à interpréter correctement les connexions.

Symboles standards et leur signification

Les symboles utilisés dans un schéma unifilaire sont essentiels pour une compréhension immédiate. Chaque symbole représente un élément particulier, et leur connaissance aide à déchiffrer rapidement le schéma. Par exemple :

  • Panneaux photovoltaïques – Représentés par un rectangle ;
  • Onduleur – Symbolisé par un carré ;
  • Dispositifs de protection – Illustrés par un petit cercle.

Exemples de schémas en contexte

Analyser des exemples concrets de schémas unifilaires permet de mieux comprendre leur application pratique. Cherchez des études de cas où ces schémas ont été utilisés pour des installations spécifiques. Cela illustre non seulement l’utilisation correcte des symboles mais renforce également leur importance dans le processus d’installation.

Pour mieux cerner le sujet, explorez les ressources qui offrent des visualisations engageantes de installations photovoltaïques.

schema-unifilaire-photovoltaique-2 Comprendre le schéma unifilaire pour une installation photovoltaïque efficace

Ressources et outils pour le schéma unifilaire

De nombreuses ressources sont disponibles pour ceux qui souhaitent approfondir leur compréhension des schémas unifilaires.

Outils en ligne et logiciels

Plusieurs plateformes comme Solaire Pro et Ecoflow offrent des guides et des articles utiles.

Formations et tutoriels

Il existe également des formations en ligne qui permettent d’approfondir vos connaissances en installation photovoltaïque. Recherchez des cours qui couvrent les schémas électriques et leur conception.

Articles spécifiquement dédiés

Enfin, plusieurs blogs et sites spécialisés partagent des articles sur la conception et l’optimisation des systèmes photovoltaïques, y compris des études de cas et des exemples de schémas.

Vous avez peut-être manqué

Panneau Photovoltaique Solaire Pro 4.9 (98%) 26233 votes

Recevez votre devis gratuit pour installer des panneaux photovoltaïque

X