Comprendre le schéma unifilaire d’une installation photovoltaïque
Le schéma unifilaire constitue un outil essentiel pour la compréhension et la mise en œuvre d’une installation photovoltaïque efficace. En se basant sur un schéma clair et compréhensible, chaque étape de l’installation devient plus accessible. En découvrant le fonctionnement de ces systèmes, nous pouvons identifier les meilleures pratiques qui assureront un rendement optimal des panneaux solaires. Dans un contexte où l’énergie renouvelable est au cœur des préoccupations écologiques, maîtriser ce guide pratique devient impératif pour tous les acteurs du secteur.
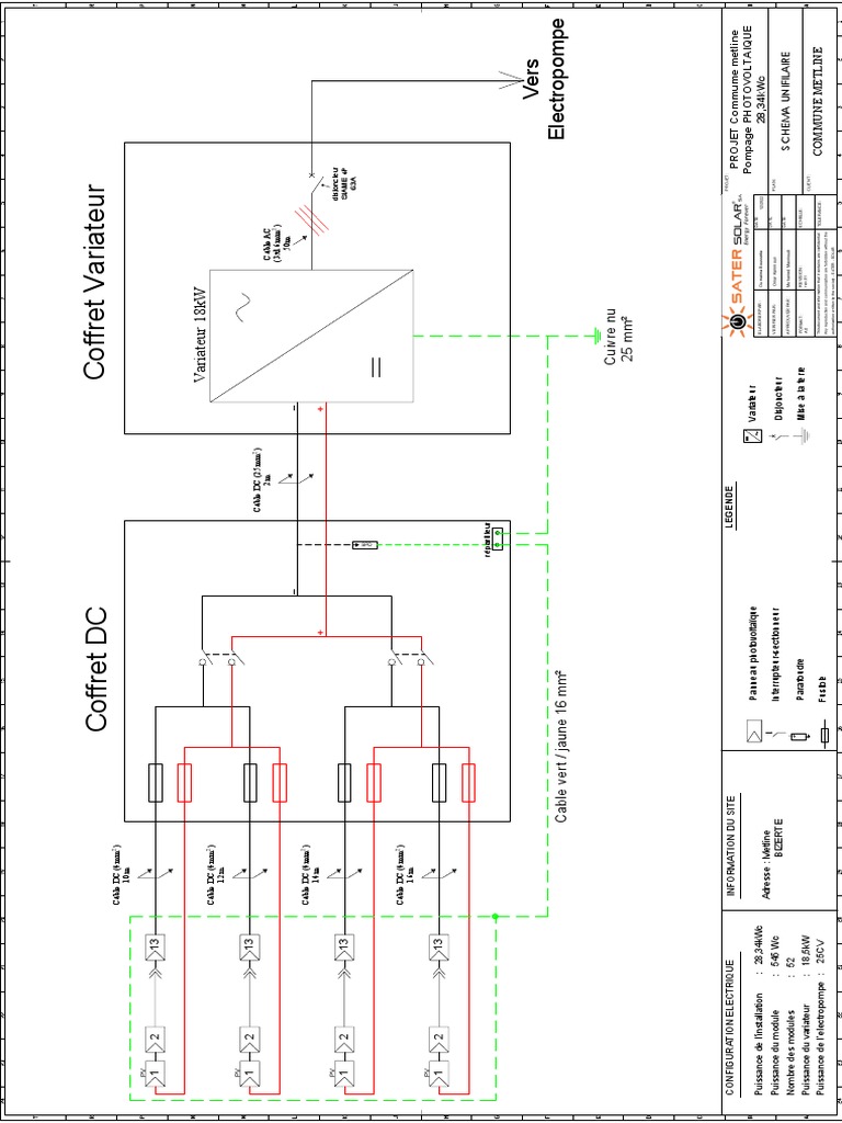
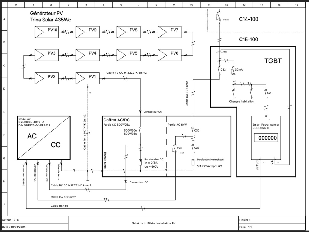
Le schéma unifilaire représente la façon dont les composants d’une installation photovoltaïque s’articulent. Il offre un aperçu de l’ensemble du système, permettant ainsi de visualiser comment l’énergie est captée, transformée et utilisée. À travers ce guide, nous allons explorer les différentes facettes de cette représentation technique, tout en mettant l’accent sur son importance pour assurer la qualité et la durabilité de nos installations solaires.
Analyse des composants d’une installation photovoltaïque
Chaque installation photovoltaïque se compose de nombreux composants, chacun ayant un rôle précis. Parmi ces éléments, les panneaux solaires, l’onduleur, les batteries et le tableau électrique sont les plus notables.
Panneaux solaires
Les panneaux solaires sont l’élément clé du système. Ils convertissent l’énergie solaire en électricité. En général, plusieurs panneaux sont interconnectés pour maximiser la production d’énergie. Comprendre leur fonctionnement et leur disposition est essentiel pour élaborer un schéma unifilaire efficace.
Onduleur
L’onduleur joue un rôle crucial en transformant le courant continu produit par les panneaux en courant alternatif que nous utilisons dans nos foyers. Sa position dans le schéma unifilaire est stratégique, car il doit être placé afin de minimiser les pertes d’énergie. L’efficacité de cet appareil impacte directement le rendement global de l’installation.
Batteries
Les batteries sont indispensables pour stocker l’énergie excédentaire produite durant la journée. Elles permettent une utilisation de l’électricité même lorsque le soleil ne brille pas. Dans un schéma unifilaire, il est donc fondamental de définir comment et où les batteries seront intégrées, en tenant compte des besoins énergétiques spécifiques.
Tableau électrique
Enfin, le tableau électrique sert de point de distribution pour l’électricité générée. Il doit être soigneusement conçu pour garantir une sécurité maximale et une gestion optimale de l’énergie. Chaque composant doit être bien représenté dans le schéma unifilaire afin d’assurer une compréhension claire de l’ensemble du système.
Importance du schéma unifilaire
Le schéma unifilaire est d’une importance capitale pour plusieurs raisons. Tout d’abord, il facilite la planification de l’installation. En effet, un bon schéma simplifie le processus, en évitant des erreurs coûteuses qui pourraient survenir durant l’installation. En ayant une vision claire des interconnexions entre les différents composants, il est plus facile de déterminer les moyens d’optimiser chaque partie du système.
De plus, ce type de schéma est indispensable pour la maintenance de l’installation. En cas de panne, avoir accès au schéma permet de localiser rapidement l’origine du problème. Les techniciens peuvent alors intervenir efficacement, ce qui réduit les temps d’immobilisation. L’importance du schéma unifilaire dépasse donc le simple aspect technique, en jouant un rôle clé dans la durabilité et la performance de l’installation.
Outils pour créer un schéma unifilaire
De nombreux outils sont à notre disposition pour créer des schémas unifilaires. Des logiciels spécialisés permettent de s’assurer de la précision et de la clarté des représentations. Cette automatisation contribue également à réduire le temps nécessaire à la conception du schéma tout en augmentant la fiabilité.
Par ailleurs, il est important de veiller à ce que le schéma soit facilement compréhensible même par des personnes n’ayant pas une connaissance approfondie des installations photovoltaïques. Cela implique de choisir des symboles standards et d’y intégrer des annotations claires.
Normes et réglementations
Enfin, il existe des normes et des réglementations encadrant l’élaboration des schémas unifilaires. Respecter ces standards est crucial pour garantir non seulement la sécurité, mais aussi la conformité de l’installation face aux exigences légales. Cela peut impliquer des vérifications régulières et des mises à jour pour répondre aux évolutions technologiques et environnementales.
Exemples de schémas unifilaires
Il existe différents types de schémas unifilaires en fonction de la configuration de l’installation. Le choix d’un schéma approprié peut grandement influencer le rendement de l’ensemble du système. Voici quelques exemples courants :
Installation sans batteries
Ce type de schéma est souvent utilisé dans des installations où le réseau est accessible. Les panneaux solaires sont directement connectés à l’onduleur, puis à la distribution électrique du bâtiment. Cet agencement réduit les coûts de stockage et d’entretien liés aux batteries, mais expose également l’utilisateur à une dépendance énergétique vis-à-vis du réseau.
Installation avec batteries
Dans les situations où un stockage d’énergie est nécessaire, le schéma unifilaire devra intégrer des batteries. Ce système offre une grande flexibilité et autonomie, toutefois, les coûts associés peuvent être plus élevés. Il est alors capital de réaliser une bonne estimation des besoins énergétiques pour dimensionner correctement les batteries.
Systèmes hybrides
Un système hybride combine des panneaux solaires, des batteries et un réseau électrique. Cette combinaison vise à maximiser l’utilisation d’énergie renouvelable tout en garantissant un approvisionnement constant. Cette configuration complexe nécessite un schéma unifilaire particulièrement bien structuré, afin de pouvoir visualiser les différentes interactions entre les composants.
Compréhension des codes de symbole
Chaque élément d’un schéma unifilaire est représenté par un symbole. Ces codes sont universels et permettent de simplifier la lecture du schéma. Savoir interpréter ces symboles est fondamental pour une bonne compréhension des installations photovoltaïques. En dehors des symboles standards, il est également possible d’inclure des annotations spécifiques à l’installation, favorisant ainsi une meilleure communication des informations techniques.
Dans une perspective de formation continue, il est judicieux de se tenir informé des évolutions en matière de symboles et d’notations, notamment dans un secteur qui est en pleine mutation technologique. Les normes peuvent évoluer, et rester à jour est essentiel pour garantir la conformité et la sécurité des installations.
Mise en œuvre pratique d’un schéma unifilaire
La mise en œuvre pratique d’un schéma unifilaire nécessite une préparation minutieuse. Il est primordial de se baser sur une méthodologie rigoureuse pour s’assurer que chaque étape de l’installation est effectuée correctement. La première étape consiste à effectuer une évaluation des besoins énergétiques. Cela permet d’identifier le dimensionnement optimal des panneaux et des batteries, garantissant ainsi une production d’énergie adéquate.
Planification et dimensionnement
Une bonne planification est essentielle pour le succès de l’installation. Cela inclut non seulement l’emplacement des panneaux solaires, mais aussi la disposition des autres composants comme l’onduleur et les batteries. Le choix de l’emplacement doit être réfléchi, en tenant compte de l’ensoleillement, des ombrages potentiels et de l’accès pour les travaux de maintenance.
Installation et tests
Une fois la planification terminée, l’installation peut débuter. Chaque composant doit être installé conformément au schéma unifilaire. L’étape suivante consistera en des tests de fonctionnement, afin de vérifier que chaque partie de l’installation fonctionne correctement et de détecter d’éventuels dysfonctionnements. Il est aussi intéressant de mesurer la production d’énergie durant quelques jours pour s’assurer que le système fonctionne comme prévu.
Maintenance et suivi
Une fois l’installation réalisée, il est crucial de mettre en place un plan de maintenance régulier. Cela inclut des vérifications périodiques de la performance des panneaux, des onduleurs et des batteries. Les techniciens doivent être formés pour identifier les signes d’usure et de défaillance, afin de garantir la longévité et l’efficacité du système. La maintenance préventive permettra d’éviter des pannes majeures et d’assurer un rendement optimal sur le long terme.
Également, une supervision continue s’impose pour analyser régulièrement la production énergétique. Des outils permettent de visualiser les performances en temps réel, et des ajustements peuvent être nécessaires en fonction des variations de la demande énergétique ou des conditions météorologiques.
Schéma et durabilité
Le respect des principes de durabilité dans l’élaboration d’un schéma unifilaire peut contribuer à la performance écologique des installations. Ce processus implique non seulement l’utilisation de technologies avancées, mais également le choix de matériaux durables et recyclables. La prise en compte de l’impact environnemental de chaque composant est essentielle pour minimiser l’empreinte carbone.
De plus, une installation bien conçue devra s’efforcer de maximiser l’autonomie énergétique. Cela inclut l’analyse du potentiel d’auto-consommation, qui réduit la dépendance au réseau électrique tout en optimisant l’utilisation de l’énergie produite. La mise en œuvre de stratégies de stockage tels que les batteries doit également être réfléchie pour accroître la durabilité et l’utilisation responsable des ressources.
Innovations technologiques
Le secteur de l’énergie solaire évolue constamment avec des innovations qui visent à améliorer l’efficacité et la durabilité des installations. Les nouvelles technologies, comme les panneaux solaires à haute efficacité, et les systèmes de gestion de l’énergie avancés, jouent un rôle important dans l’évolution des schémas unifilaires.
De plus, certains systèmes intègrent des domaines variés, comme la domotique, pour gérer plus intelligemment l’énergie produite. La capacité d’ajuster la consommation en temps réel est un atout majeur pour une utilisation responsable de l’énergie.
Ressources et outils supplémentaires
Pour approfondir vos connaissances sur le schéma unifilaire, plusieurs ressources peuvent être consultées. Des sites spécialisés offrent des guides, des forums de discussion, et des études de cas qui peuvent enrichir vos connaissances. De plus, envisager des formations sur le sujet peut aussi être très bénéfique, que ce soit au niveau théorique, pratique, ou sur les évolutions réglementaires.
Des outils logiciels sont également disponibles pour aider à la conception et à la maintenance des installations photovoltaïques. Ces plateformes permettent de créer des schémas clairs, de réaliser des simulations de performance, et de suivre en temps réel les indicateurs de performance.



Laisser un commentaire