Comprendre le schéma unifilaire d’une installation photovoltaïque triphasée

découvrez nos schémas unifilaires photovoltaïques, essentiels pour comprendre la connexion et l'intégration de vos panneaux solaires. apprenez à optimiser votre installation et à maximiser votre production d'énergie renouvelable grâce à des représentations claires et détaillées.

L’installation photovoltaïque triphasée offre une méthode efficace pour produire de l’électricité à partir de l’énergie solaire. Comprendre le schéma unifilaire de ce type d’installation est essentiel pour garantir un fonctionnement sécurisé et efficace. Ce guide approfondi vous permet d’accéder aux connaissances nécessaires pour jouir des bénéfices de l’autoconsommation tout en respectant les normes en vigueur.

Ce document technique résume les connexions électriques essentielles d’un système, englobant chaque composant, depuis les panneaux photovoltaïques jusqu’au compteur, et en passant par l’onduleur. En vous familiarisant avec cette documentation, vous pourrez non seulement planifier votre installation avec succès, mais également assurer un suivi utile pour la maintenance ultérieure.

Les Fondamentaux d’un Schéma Unifilaire

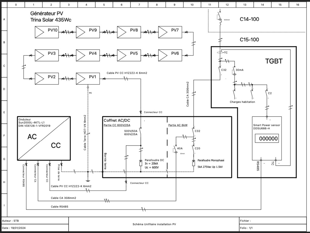
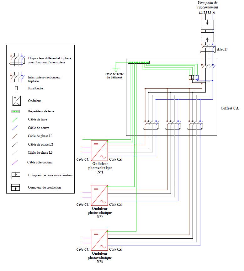
Un schéma unifilaire représente de manière simplifiée l’ensemble des connexions électriques d’une installation photovoltaïque. Sa clarté permet à toute personne impliquée dans l’installation, qu’elle soit professionnelle ou amateur, de comprendre rapidement les interconnexions des éléments clés tels que les panneaux solaires, les onduleurs et les dispositifs de protection.

Fonctions Primaires

La fonction principale de ce schéma est de guider l’utilisateur lors de l’installation et de fournir une référence précieuse en cas de maintenance. Les différentes connexions sont présentées de manière logique, chaque symbole représentant un élément particulier du système. Cela permet de s’assurer que toutes les connexions sont effectuées correctement, minimisant ainsi les risques de panne ou de performance médiocre.

Identification des Composants

Dans un schéma unifilaire, plusieurs éléments majeurs sont représentés :

  • Panneaux solaires : Ils captent l’énergie solaire et la convertissent en électricité.
  • Onduleurs : Ces dispositifs transforment le courant continu produit par les panneaux en courant alternatif utilisable par vos appareils domestiques.
  • Dispositifs de protection : Ceux-ci incluent des disjoncteurs et des parafoudres, qui protègent l’installation contre les surcharge et les courts-circuits.
  • Batteries (optionnelles) : Si vous intégrez un système de stockage d’énergie, ces unités stockent l’électricité pour une utilisation ultérieure.
schema-unifilaire-photovoltaique-5 Comprendre le schéma unifilaire d'une installation photovoltaïque triphasée

Comment Lire un Schéma Unifilaire

Lire un schéma unifilaire nécessite une certaine familiarité avec les symboles utilisés ainsi qu’une compréhension basique des systèmes électriques. Chaque composant possède un symbole distinct que vous apprendrez à identifier facilement.

Symboles et Significations

Voici quelques symboles courants que l’on retrouve dans un schéma unifilaire :

  • Panneaux solaires : Généralement représentés par un rectangle ou une série de rectangles pour symboliser la surface de capture solaire.
  • Onduleurs : Habituellement dessinés sous forme de rectangle avec une flèche indiquant la conversion du DC vers l’AC.
  • Disjoncteurs: Ces symboles incluent une ligne interrompue indiquant les points de coupure pour la protection du système.
  • Parafoudres: La représentation est souvent symbolisée par une icône en forme d’éclair, marquant le point de protection contre les surtensions.
  • Batteries: Elles sont souvent représentées par un rectangle annoté avec la capacité (Ah ou Wh).

Suivre le Flux Énergétique

Le plus important est de suivre le flux énergétique du schéma. Cela signifie comprendre comment l’électricité passe du panneau solaire à l’onduleur, puis vers votre appareil ou le réseau électrique. Les flèches et annotations sont des indicateurs clés pour visualiser ce parcours.

schema-unifilaire-photovoltaique-6 Comprendre le schéma unifilaire d'une installation photovoltaïque triphasée

Les Avantages d’un Schéma Unifilaire

Adopter un schéma unifilaire pour l’installation photovoltaïque ne se limite pas à un simple guide. Cela comporte différents avantages qui facilitent la mise en place et optimisent la performance.

Planification Efficace

Le schéma unifilaire permet de planifier clairement le projet en établissant une vue d’ensemble des composants. Vous pourrez savoir quels câbles acheter et laisser un espace adéquat pour chaque élément de votre installation avant même de commencer à installer.

Sécurité Renforcée

Les normes de sécurité peuvent varier d’une région à une autre, mais en suivant un schéma unifilaire, vous pourrez garantir que votre installation est conforme aux exigences. Ainsi, réduire les risques d’accidents, et assurer un fonctionnement optimal est possible grâce à un câblage adéquat et sécurisé.

Maintenance Simplifiée

En cas de panne, un schéma unifilaire constitue un véritable atout. Grâce à la clarté des connexions, il vous permet de repérer rapidement l’origine d’un dysfonctionnement. Les techniciens avertis peuvent ainsi intervenir avec l’équipement approprié pour résoudre efficacement les problèmes.

schema-unifilaire-photovoltaique-7 Comprendre le schéma unifilaire d'une installation photovoltaïque triphasée

Réalisation d’un Schéma Unifilaire

La réalisation d’un schéma unifilaire peut sembler intimidante, mais elle est réalisable avec une méthode structurée. Que vous choisissiez de le faire vous-même ou de consulter un professionnel, une préparation adéquate est essentielle.

Analyse des Besoins

Avant de créer un schéma, identifiez tous les composants de votre système. Cela inclut les panneaux solaires, l’onduleur, et les dispositifs de protection. Pour une installation optimisée, listez les matériaux nécessaires, ainsi que leur fonctionnalité dans le circuit global. Disposer d’une liste vous aide également à évaluer les coûts globaux du projet.

Validation par un Expert

Une fois le schéma terminé, il peut être judicieux de le faire valider par un professionnel. Cela garantit qu’il respecte les normes d’installation électriques en vigueur, simulant ainsi un fonctionnement optimal du système sur le long terme.

Utilisation d’Outils Spécialisés

Plusieurs logiciels permettent de créer des schémas unifilaires précis et conformes. Ceux-ci, tels que QElectroTech ou AutoCAD, facilitent la gestion des symboles et la disposition des éléments, rendant l’expérience plus accessible tout en assurant un résultat de qualité.

schema-unifilaire-photovoltaique-8 Comprendre le schéma unifilaire d'une installation photovoltaïque triphasée

Questions Fréquemment Posées

Lors de l’exploration des schémas unifilaires, certaines interrogations reviennent fréquemment. Voici quelques réponses aux questions courantes, qui peuvent vous aider à mieux comprendre ce sujet crucial.

Quel est le rôle du schéma unifilaire dans une installation photovoltaïque?

Le schéma unifilaire joue un rôle essentiel dans la planification, l’installation et la maintenance d’un système photovoltaïque. Il représente toutes les connexions et composants, garantissant un fonctionnement optimal.

Est-il difficile de lire un schéma unifilaire?

Ce n’est pas nécessairement difficile, mais cela demande une certaine familiarité avec les symboles et la technique des systèmes électriques. À termes, c’est un outil gratuit accessible qui offre de nombreux avantages.

Dois-je faire appel à un professionnel pour réaliser mon schéma?

Bien que vous puissiez le réaliser vous-même, faire appel à un professionnel pourrait vous éviter des erreurs. Un expert peut garantir que le schéma respecte toutes les normes en vigueur et qu’il soit pratique pour la mise en service.

Vous avez peut-être manqué

Panneau Photovoltaique Solaire Pro 4.9 (98%) 26669 votes

Recevez votre devis gratuit pour installer des panneaux photovoltaïque

X