Comprendre le schéma unifilaire d’une installation photovoltaïque
Le schéma unifilaire d’une installation photovoltaïque est essentiel pour appréhender la composition et le fonctionnement des systèmes solaires. À travers un schéma simplifié, il permet de visualiser comment l’énergie est produite et acheminée depuis les panneaux solaires jusque dans votre domicile. En décomposant les éléments constitutifs, cet article vous propose un éclairage sur les différents composants de l’installation et leur interconnexion, tout en soulignant leur rôle dans l’optimisation de votre production d’énergie renouvelable.
À l’heure où l’usage des énergies renouvelables est en pleine expansion, comprendre les schémas techniques devient indispensable pour quiconque désire installer des panneaux solaires. Non seulement cela facilite les décisions d’achat et l’installation elle-même, mais cela vous aide également à mieux appréhender l’entretien de votre système photovoltaïque. Cet article se penchera également sur l’importance des batteries de stockage, telles que la solution Zendure SolarFlow, qui permet de maximiser l’utilisation de l’énergie générée par les panneaux solaires.
Qu’est-ce qu’un schéma unifilaire ?
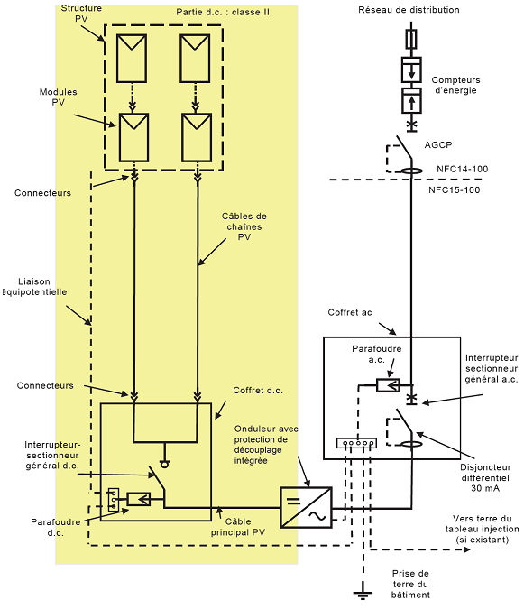
Un schéma unifilaire est une représentation graphique qui illustre le cheminement de l’énergie électrique à travers les composants d’une installation photovoltaïque. Il présente de manière claire et concise le trajet de l’électricité générée par les panneaux solaires, passant par les onduleurs, jusqu’à atteindre votre maison, sans entrer dans des détails complexes de câblage. Ce type de schéma est particulièrement utile pour les électriciens et les installateurs, car il leur permet de comprendre rapidement l’architecture d’un système électrique.
Pour une installation parfaite, le schéma unifilaire photovoltaïque inclut divers éléments tels que les panneaux solaires, l’onduleur, les disjoncteurs, et éventuellement une batterie pour le stockage de l’énergie. Cette visualisation facilite la planification et l’exécution de l’installation, en garantissant que chaque composant est correctement relié et fonctionnel.
Les composants clés d’un schéma unifilaire
Un schéma unifilaire contient plusieurs composants essentiels : les panneaux photovoltaïques, l’onduleur, les câbles de raccordement, les batteries de stockage, et différents dispositif de protection. Chacun de ces éléments joue un rôle crucial dans le bon fonctionnement de l’installation.
Les panneaux photovoltaïques sont responsables de la conversion de la lumière du soleil en électricité. L’énergie produite par ces panneaux est généralement en courant continu (DC), qui doit ensuite être convertie en courant alternatif (AC) grâce à l’onduleur. Ce dernier permet de rendre l’électricité compatible avec les appareils électroménagers et le réseau électrique de votre maison.
Pour optimiser l’utilisation de cette énergie, des batteries de stockage peuvent être ajoutées au système. Ces dernières permettent de conserver l’énergie excédentaire produite durant la journée, afin de l’utiliser lorsque la production est faible, comme la nuit ou par temps nuageux. Les solutions de stockage comme Zendure SolarFlow montrent comment cette technologie peut être intégrée efficacement aux systèmes photovoltaïques.
Le rôle de l’onduleur dans le schéma unifilaire
Un des composants les plus critiques dans un schéma unifilaire est sans doute l’onduleur. Son rôle principal est de convertir le courant continu (DC) en courant alternatif (AC), qui est la forme d’énergie utilisée par la plupart des appareils électroménagers. Il existe différents types d’onduleurs, chacun ayant ses propres spécificités et avantages.
Dans un système photovoltaïque classique, l’onduleur est connecté directement aux panneaux solaires et reçoit leur production. Une fois convertie, l’électricité peut être injectée dans le réseau ou utilisée directement. Les onduleurs peuvent également être équipés de fonctions avancées pour optimiser la consommation d’énergie, comme la surveillance de la production d’énergie et la gestion de la charge des batteries.
Les différents types d’onduleurs
Il existe plusieurs types d’onduleurs sur le marché. Les plus courants sont les onduleurs centralisés, qui sont installés à des emplacements stratégiques et gèrent l’énergie de l’ensemble des panneaux solaires. Ces systèmes sont souvent utilisés dans les grandes installations solaires.
Les micro-onduleurs, quant à eux, sont installés sur chaque panneau solaire. Cela permet une gestion individuelle de chaque module, optimisant ainsi le rendement global de la installation. Ces micro-onduleurs sont particulièrement avantageux en cas d’ombrage ou d’orientation différente des panneaux.
Enfin, les onduleurs hybrides sont capables de gérer à la fois la connexion au réseau électrique et le stockage d’énergie dans des batteries. Ils s’avèrent être une option intéressante pour ceux qui souhaitent une autonomie énergétique accrue.
L’importance du stockage d’énergie
Pour maximiser l’utilisation de l’énergie produite par les panneaux solaires, intégrer des batteries de stockage est crucial. Cette intégration permet non seulement de diminuer votre dépendance au réseau électrique, mais également de réduire le gaspillage d’énergie. En effet, sans système de stockage, l’électricité produite mais non utilisée est perdue.
Les solutions modernes telles que le Zendure SolarFlow permettent un stockage optimisé, adaptant la capacité de recharge et la distribution en fonction des besoins énergétiques de votre foyer. Ce système modulaire vous permet d’augmenter votre capacité de stockage en ajoutant plus de batteries selon vos besoins, tout en gardant une gestion intelligente de l’énergie.
Comment fonctionne le stockage d’énergie ?
Lorsqu’une installation photovoltaïque produit de l’électricité, cette énergie peut soit alimenter directement votre maison, soit être stockée dans une batterie. Les batteries stockent l’énergie sous forme chimique, prête à être convertie en courant électrique lorsqu’elle est nécessaire. Le processus de rechargement et de déchargement est automatisé et géré par l’onduleur ou le système de gestion d’énergie connecté.
Ce système assure que l’électricité est utilisée de manière optimale. En période de forte production, la charge de la batterie augmente, tandis qu’en cas de faible ensoleillement, la batterie peut fournir l’énergie nécessaire. Cela contribue à une gestion efficace de la consommation d’énergie de votre maison.
Éléments de protection dans le schéma unifilaire
Les installations photovoltaïques doivent être équipées de divers éléments de protection pour garantir la sécurité des utilisateurs et des composants. Ces dispositifs incluent les disjoncteurs, qui coupent l’alimentation en cas de surcharge, et les protections contre les surtensions, qui préservent l’équipement contre les pics de tension.
Un schéma unifilaire bien conçu doit également intégrer une mise à terre efficace, essentielle pour sécuriser les installations électriques. Cela permet de réduire les risques d’électrocution et d’assurances pour tout matériel connecté.
Le rôle des disjoncteurs et protections
Les disjoncteurs jouent un rôle préventif en interrompant automatiquement le circuit lorsque des anomalies sont détectées. Cela est particulièrement utile en cas de défaut technique ou de surcharge électrique, garantissant ainsi la sécurité de l’ensemble de l’installation. Les protections contre les surtensions sont également cruciales, car elles évitent que des pics de tension n’endommagent les composants délicats comme les onduleurs et les systèmes de gestion d’énergie.
Intégrer ces systèmes de protection dans votre schéma unifilaire est nécessaire non seulement pour respecter les normes de sécurité, mais aussi pour garantir un fonctionnement optimal de votre installation. Il est aussi recommandé de faire appel à un professionnel pour assurer une analyse complète des besoins spécifiques de l’installation.
Conclusion sur le schéma unifilaire photovoltaïque
Comprendre le schéma unifilaire d’une installation photovoltaïque est essentiel pour toute personne intéressée par l’énergie solaire. Cela permet non seulement de mieux visualiser comment l’énergie circule, mais aussi d’optimiser la consommation d’électricité grâce à des batteries de stockage adaptées.
Chaque composant joue un rôle important dans l’ensemble du système, et disposer de bonnes connaissances techniques vous permet de prendre des décisions éclairées. De plus, être au fait des nouvelles solutions comme Zendure SolarFlow vous permet d’explorer des moyens innovants pour maximiser votre production d’énergie et optimiser votre consommation.



Laisser un commentaire