Comprendre le schéma unifilaire d’une installation photovoltaïque
Le schéma unifilaire d’une installation photovoltaïque est un élément clé pour toute personne souhaitant maîtriser la conception de systèmes solaires. Cet outil graphique résume l’ensemble des composants essentiels d’une installation, permettant ainsi une compréhension claire et rapide de son fonctionnement. La lecture et l’interprétation de ce schéma sont fondamentales pour optimiser les performances de l’installation et garantir sa durabilité. Un bon schéma unifilaire aide non seulement à visualiser la connexion des éléments électriques, mais il permet également d’identifier les éventuelles faiblesses du système.
Avec l’augmentation de l’intérêt pour les énergies renouvelables, la connaissance des spécificités des installations photovoltaïques est devenue essentielle. De nombreux propriétaires de systèmes cherchent à comprendre comment leurs installations fonctionnent, et le schéma unifilaire est le premier pas vers cette compréhension. Il est souvent considéré comme la carte routière qui guide les installateurs et les utilisateurs à travers les complexités d’une installation photovoltaïque. Que vous soyez un particulier, un client, ou un professionnel cherchant à approfondir vos connaissances, vous découvrirez ici comment lire et interpréter un schéma unifilaire de manière efficace.
Les éléments essentiels d’un schéma unifilaire
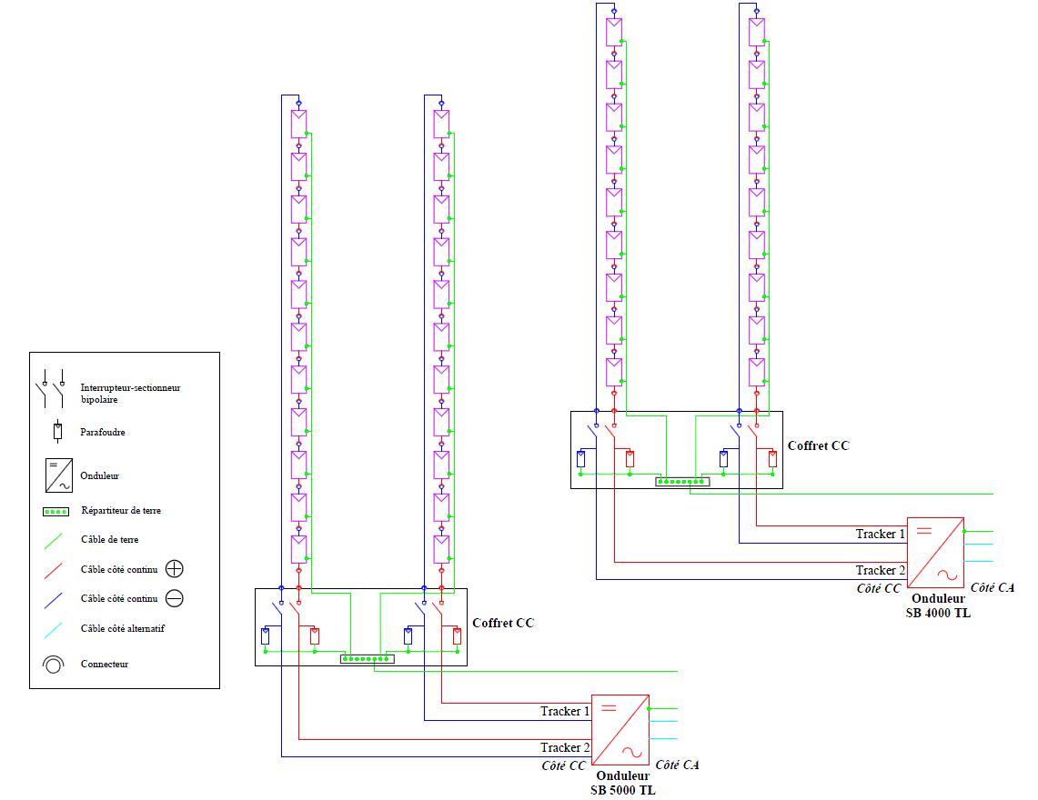
Le schéma unifilaire est une simplification qui présente un aperçu des différents composants d’une installation photovoltaïque. Il inclut généralement des éléments tels que les panneaux solaires, les onduleurs, les disjoncteurs, ainsi que le câblage nécessaire pour relier tous ces éléments.
Panneaux photovoltaïques
Les panneaux photovoltaïques constituent le cœur d’une installation. Ils convertissent la lumière du soleil en électricité. Sur le schéma unifilaire, ils sont généralement représentés par des symboles spécifiques qui indiquent le nombre de panneaux et leur disposition. La capacité de chaque panneau est également mentionnée, ce qui permet d’évaluer la production totale d’énergie du système.
Onduleurs
Les onduleurs jouent un rôle crucial en transformant le courant continu produit par les panneaux en courant alternatif, utilisable par les appareils électroménagers. Le schéma affiche souvent plusieurs onduleurs pour une installation plus grande, chacun étant connecté à un groupe de panneaux. C’est une information essentielle pour les techniciens qui souhaitent effectuer des entretiens ou des mises à jour sur le système.
Disjoncteurs
Les disjoncteurs sont des dispositifs de sécurité qui protègent l’installation contre les surcharges et les courts-circuits. Leur représentation sur le schéma doit permettre d’identifier facilement leur position dans le circuit. Un mauvais choix ou un placement inapproprié des disjoncteurs peut entraîner des risques pour la sécurité et des dommages aux équipements.
Câbles et connexions
Les câbles qui relient les panneaux aux onduleurs et aux disjoncteurs sont représentés dans le schéma unifilaire par des lignes. Leur calibre et leur capacité de transport de courant sont des informations vitale pour assurer une efficacité maximale dans la transmission de l’énergie. Les câbles doivent être capables de supporter la puissance générée par les panneaux sans provoquer de pertes d’énergie significatives.
Système de stockage
Certains systèmes photovoltaïques intègrent des batteries pour stocker l’énergie produite. Le schéma unifilaire doit indiquer clairement les connexions entre les panneaux, l’onduleur, et les batteries, afin de bien comprendre comment l’énergie est conservée et utilisée. Cela peut être particulièrement important pour les installations en autoconsommation où le stockage devient crucial lors de périodes de faible ensoleillement.
Connecteurs et accessoires
Les connecteurs, tels que les boîtes de jonction, doivent également être indiqués dans le schéma. Ces éléments assurent la continuité du circuit et facilitent les réparations et les remplacements futurs. La précision dans la représentation de ces accessoires peut éviter des erreurs coûteuses lors de l’installation ou du dépannage.
L’importance de comprendre un schéma unifilaire
Avoir une connaissance approfondie du schéma unifilaire se révèle essentiel pour plusieurs raisons. Tout d’abord, cela permet de mieux gérer les opérations et la maintenance de l’installation. En comprenant ce schéma, les utilisateurs peuvent identifier rapidement où se trouvent les éventuels problèmes et agir en conséquence. Une bonne gestion peut prolonger la durée de vie de l’équipement et améliorer sa performance.
Protection et sécurité
La sécurité est un autre aspect fondamental. Grâce à une compréhension claire du schéma, on peut s’assurer que les installations respectent les normes de sécurité en vigueur. Cela peut éviter des accidents potentiellement dangereux dus à des erreurs de câblage ou à une mauvaise interprétation des connexions. Il est crucial d’être capable de localiser les dispositifs de sécurité, tels que les disjoncteurs, et de comprendre leur fonctionnement. Cela est particulièrement vrai lors des interventions en cas d’urgence, où chaque seconde compte.
Optimisation des performances
Une compréhension approfondie des schémas permet également d’optimiser les performances de l’installation. En réalisant des ajustements ou des mises à jour basées sur le schéma, il est possible d’améliorer la production d’énergie. Par exemple, en ajustant les paramètres de l’onduleur ou en modifiant la disposition des panneaux pour maximiser l’exposition au soleil. C’est une démarche proactive qui peut s’avérer très bénéfique à long terme.
Flexibilité d’installation
La connaissance d’un schéma unifilaire apporte une flexibilité lors de l’installation de nouveaux équipements. Lorsqu’un propriétaire souhaite ajouter des panneaux solaires supplémentaires ou d’autres dispositifs, avoir une base solide des connexions existantes permet d’anticiper les challenges techniques.
De plus, une bonne documentation permet de faciliter le travail des installateurs et des techniciens lors de l’extension ou de la mise à niveau d’un système. Un schéma bien élaboré peut faire la différence entre une installation rapide et efficace et une installation compliquée et sujette à erreurs.
Conformité légale et réglementaire
Face aux exigences croissantes en matière de réglementations et de normes, être capable de fournir un schéma unifilaire conforme peut faire toute la différence lors d’audits ou de vérifications. Ce document doit refléter fidèlement la réalité de l’installation afin de garantir la conformité avec les règles en vigueur. Éviter les pièges administratifs et juridiques est essentiel pour tout propriétaire désireux de tirer le meilleur parti de son système photovoltaïque.
Comment élaborer un schéma unifilaire efficace
La création d’un schéma unifilaire demande une attention particulière et une expertise technique. Voici quelques étapes clés pour élaborer un schéma qui répond à tous les besoins et exigences d’une installation photovoltaïque.
Analyse des besoins
Avant de commencer le dessin, il est indispensable d’analyser les besoins énergétiques et les particularités de l’installation. Quels sont les types de panneaux, la puissance nécessaire, et la configuration souhaitée ? Cette étape préliminaire permet de s’assurer que le schéma final sera adapté aux réalités de l’installation.
Utilisation de logiciels spécialisés
Aujourd’hui, plusieurs logiciels sont disponibles pour faciliter la création de schémas unifilaires. Ces outils permettent une représentation visuelle claire et précise des connexions et des composants. Utiliser des logiciels appropriés peut réduire les erreurs et augmenter l’efficacité de l’ensemble du processus.
Validation du schéma
Une fois le schéma élaboré, il est essentiel de le valider avec des experts du secteur. Cela permet d’identifier d’éventuelles incohérences ou erreurs avant le début des travaux. Avoir un schéma validé peut également servir de référence pour de futures interventions, garantissant ainsi des mises à jour et des réparations conformes aux normes.
Les cas courants de schémas unifilaires
Il existe différents modèles de schémas unifilaires en fonction du type d’installation et des besoins spécifiques. Certains peuvent être simples, comprenant uniquement les éléments de base, tandis que d’autres peuvent être très détaillés et inclusifs, intégrant des systèmes complexes comme le stockage d’énergie.
Modèle standard
Un schéma unifilaire standard couvre les bases d’une installation classique. Il montre comment les panneaux sont reliés à un onduleur, au réseau électrique, et intègre des protections. Ce modèle est souvent utilisé pour les projets résidentiels.
Modèle avancé
Les schémas plus avancés peuvent comporter des systèmes de gestion d’énergie, permettant d’intégrer des batteries ou d’autres sources d’énergie renouvelable. Ces modèles sont souvent utilisés pour des installations commerciales ou des projets de grande envergure qui nécessitent une régulation fine de l’énergie produite.
Personnalisation des schémas
La personnalisation d’un schéma unifilaire est parfois nécessaire pour répondre à des besoins spécifiques ou uniques d’un projet. Cela peut inclure des composants particuliers, des configurations de câblage, ou des éléments additionnels comme des dispositifs de supervision. Un schéma bien ajusté peut faciliter le déploiement et la maintenance à long terme de l’installation.
Intégration de normes et réglementations
Lors de l’élaboration d’un schéma unifilaire, il est crucial d’intégrer les normes et réglementations en vigueur. Cela peut comprendre les exigences de sécurité, les certifications nécessaires, ainsi que les règles de câblage. Respecter ces normes évite non seulement des problèmes lors de l’installation mais garantit également la sécurité à long terme de l’installation.
Documentation et mise à jour
Enfin, après la création d’un schéma unifilaire, il est important de le documenter soigneusement et de le mettre à jour régulièrement. Cela inclut les modifications apportées à l’installation, les ajouts ou les remplacements d’équipement. Une documentation précise facilite les interventions futures et aide à conserver une vue d’ensemble claire de l’installation à travers le temps.



Laisser un commentaire