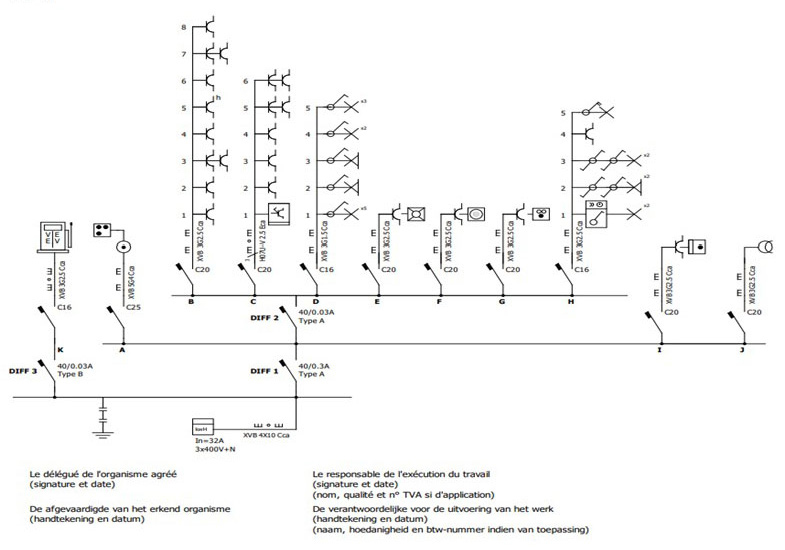
Comprendre le schéma unifilaire d’une installation photovoltaïque triphasée à 2 lignes
Le schéma unifilaire d’une installation photovoltaïque est un outil incontournable pour la compréhension et l’optimisation des systèmes énergétiques solaires. Cette représentation graphique simplifie la visualisation des connexions électriques, offrant une clarté précieuse aux professionnels et aux amateurs intéressés par les énergies renouvelables. Dans le cadre d’une installation photovoltaïque triphasée à deux lignes, comprendre comment se dessinent et s’organisent les différents composants est essentiel pour garantir un fonctionnement sécurisé et efficace. De la capture d’énergie solaire à la transformation et à l’acheminement de celle-ci, chaque élément joue un rôle critique. Au cœur de ce dispositif, un réseau électrique bien structuré synchronise des appareils variés, allant des panneaux solaires aux onduleurs. Adopter un schéma unifilaire permet non seulement de planifier chaque aspect de l’installation, mais également de s’assurer que les normes en vigueur sont respectées.

Les Fondamentaux du Schéma Unifilaire d’une Installation Photovoltaïque Triphasée
Un schéma unifilaire sert à représenter de manière simplifiée l’ensemble des connexions électriques d’une installation photovoltaïque. Sa clarté ainsi que sa précision en font un outil essentiel pour quiconque s’engage dans la mise en place de systèmes photovoltaïques. Chaque symbole utilisé dans ce type de schéma représente un élément clé de l’installation, ce qui permet d’illustrer l’enchaînement des divers composants.
Les principaux éléments que l’on retrouve dans un schéma unifilaire de ce type à deux lignes incluent :
- Panneaux solaires : Offices de captation de l’énergie solaire pour la conversion en électricité.
- Onduleurs : Dispositifs permettant de transformer le courant continu en courant alternatif, nécessaire pour le fonctionnement des appareils électroménagers.
- Dispositifs de protection : Comprenant des disjoncteurs et des parafoudres, ces composants sont essentiels pour prévenir les surtensions et autres anomalies électriques.
- Batteries (si présentes) : Ces unités permettent de stocker l’énergie pour une utilisation ultérieure, favorisant ainsi l’autoconsommation.
La structure du schéma unifilaire est conçue pour être intuitive. Les connexions sont établies logiquement, et chaque symbole est clairement défini. Cela garantit que toute personne, qu’elle soit professionnelle ou amateur, peut s’y retrouver aisément. En effet, telles sont les implications de la prise en main d’une installation efficace. La lisibilité du schéma unifilaire minimise également le risque d’erreurs lors de la phase d’installation.
| Composant | Fonction | Fabricants Recommandés |
|---|---|---|
| Panneaux solaires | Convertissent l’énergie solaire en électricité | JA Solar, Q CELLS, ReneSola |
| Onduleurs | Transforme le courant continu (DC) en courant alternatif (AC) | SMA Solar Technology, Fronius, SolarEdge, Victron Energy, ABB, Enphase Energy |
| Dispositifs de protection | Protègent le système des anomalies | Schneider Electric |
Dans le but de maximiser la productivité énergétique, une attention particulière doit être portée à chaque connexion, depuis le panneau solaire jusqu’à l’onduleur, en veillant à respecter les spécifications techniques des fabricants. Pour illustrer sa nécessité et son efficacité, le schéma unifilaire doit également servir de guide lors de la maintenance, facilitant l’identification rapide de dysfonctionnements potentiels.
Interpréter un Schéma Unifilaire pour Optimiser les Installations Photovoltaïques
Pour un bon fonctionnement d’une installation photovoltaïque, il ne suffit pas de disposer d’un schéma unifilaire. Il est tout aussi essentiel de savoir l’interpréter correctement. La compréhension des symboles et la capacité à suivre le flux énergétique à travers le diagramme sont des compétences indispensables pour les techniciens du secteur.
La lecture efficace d’un schéma unifilaire repose sur plusieurs aspects :
- Symboles et signification : Chaque élément du circuit a un symbole unique, permettant d’identifier facilement sa fonction. Par exemple, les panneaux solaires sont souvent représentés par une série de rectangles symbolisant leur surface.
- Flux énergétique : Il est crucial de suivre comment l’électricité est transportée du panneau solaire à l’onduleur puis vers les appareils. Les flèches et annotations présentes sur le schéma présentent une représentativité essentielle des parcours électriques.
- Anomalies potentielles : Reconnaître des erreurs dans le schéma peut prévenir des pannes. Les symboles de protection, tels que ceux des disjoncteurs, indiquent où les interruptions pourraient se produire en cas de surcharge.
Une fois familiarisé avec les symboles, il devient relativement simple d’utiliser le schéma unifilaire comme un outil pour guider les opérations quotidiennes et les interventions de maintenance. Ceci est particulièrement pertinent pour les installations complexes telles que celles avec des configurations à deux lignes en triphase.
| Symbole | Description |
|---|---|
| Panneaux solaires | Rectangle ou ensemble de rectangles avec indication de la surface |
| Onduleur | Rectangle avec une flèche indiquant la conversion de DC à AC |
| Disjoncteur | Ligne interrompue pour indiquer les points de coupure |
| Parafoudre | Icône en forme d’éclair, identifiant la protection contre les surtensions |
Les installations modernes doivent également s’intéresser à l’intégration des systèmes de stockage d’énergie. Les batteries, qui peuvent être connectées dans le circuit, permettent d’augmenter l’autoconsommation et d’optimiser l’usage d’énergie renouvelable. Dans ce cadre, comprendre les symboles associés est primordial pour mieux tirer profit des systèmes de gestion de l’énergie.

Les Avantages de l’Utilisation d’un Schéma Unifilaire en Installation Photovoltaïque
Faire le choix d’un schéma unifilaire pour une installation photovoltaïque ne se limite pas à une simple formalité. Les bénéfices qu’il procure sont multiples et contribuent à maximiser l’efficacité énergétique tout en assurant une sécurité accrue.
Les principaux avantages incluent :
- Planification efficace : Grâce à une vue d’ensemble des composants, il est possible de déterminer les câbles nécessaires ainsi que d’optimiser l’espace pour chaque élément de l’installation avant même de commencer le travail.
- Sécurité renforcée : En respectant les normes d’installation, le schéma unifilaire garantit la sécurité des opérations. Cela implique que les risques d’accidents dus à des erreurs de câblage sont considérablement réduits.
- Maintenance simplifiée : En cas de panne, la clarté du schéma permet de localiser rapidement les problèmes potentiels. Les techniciens peuvent intervenir avec précision, augmentant ainsi la réactivité lors des réparations.
Dans un environnement où le passage vers les énergies renouvelables est de plus en plus prisé, un schéma unifilaire devient un atout. En rendant chaque étape du processus, de la conception à la maintenance, plus accessible et sécurisée, il représente non seulement un document technique, mais également un facilitateur de transition énergétique.
| Avantage | Description |
|---|---|
| Planification efficace | Vue d’ensemble des composants pour définir les besoins avant l’installation |
| Sécurité renforcée | Garanti conformité avec les normes en vigueur, réduisant les risques |
| Maintenance simplifiée | Repérage rapide des dysfonctionnements grâce à la clarté du schéma |
Les entreprises telles que Schneider Electric et SMA Solar Technology proposent des ouvrages spécialisés afin d’accompagner cette pratique, permettant ainsi d’optimiser l’installation tout en intégrant les nouvelles technologies. Ces initiatives participent à renforcer la reconnaissance et l’application d’outils comme le schéma unifilaire dans le secteur des énergies renouvelables.
Réalisation d’un Schéma Unifilaire : Guide Pratique
Élaborer un schéma unifilaire peut paraître complexe, mais une approche méthodique facilite grandement sa création. Qu’il s’agisse d’un projet personnel ou professionnel, suivre des étapes ciblées garantit une qualité optimale au schéma final produit.
Les étapes clés peuvent être résumées comme suit :
- Analyse des besoins : D’abord, il convient d’identifier tous les éléments nécessaires au système, notamment les panneaux solaires, l’onduleur, et les dispositifs de protection. Cette étape permet de dresser une liste exhaustive des composants requis.
- Validation par un expert : Une fois le schéma dessiné, valider auprès d’un professionnel est une étape décisive. Cela garantit que le document respecte les normes d’installation électrique en vigueur et simule un fonctionnement optimal du système sur le long terme.
- Utilisation d’outils spécialisés : Des logiciels comme QElectroTech ou AutoCAD contribuent à créer des schémas précis et conformes. Ces logiciels facilitent la gestion des différents symboles et composants, rendant le processus plus accessible tout en garantissant une qualité professionnelle.
Ces outils permettent également de visualiser plus aisément les interconnexions et d’adapter le schéma à des besoins spécifiques. Pour les installations photovoltaïques à deux lignes, ils offrent des fonctionnalités adaptées permettant d’intégrer les particularités des configurations triphasiques, garantissant ainsi une meilleure gestion de l’énergie.
| Étape | Description |
|---|---|
| Analyse des besoins | Identification des composants nécessaires à l’installation |
| Validation par un expert | Assurance que le schéma respecte les normes en vigueur |
| Utilisation d’outils spécialisés | Création de schémas précis et adaptés aux besoins |
En appliquant ces recommandations, l’élaboration d’un schéma unifilaire devient une tâche formalisée et moins redoutée. En fin de compte, la création d’un tel schéma contribue à établir une fondation solide pour toute installation énergétique, favorisant ainsi la transition vers un avenir plus durable.
Laisser un commentaire