schema installation solaire photovoltaique

découvrez notre schéma solaire pv, une représentation claire et détaillée des systèmes photovoltaïques. apprenez comment fonctionne l'énergie solaire, les composants clés et les avantages de cette technologie durable pour générer de l'électricité verte.

Schéma d’Installation Solaire Photovoltaïque

La transition énergétique est un enjeu crucial pour notre avenir. L’énergie solaire, en particulier, connaît un essor remarquable ces dernières années. Avec ce schéma d’installation solaire photovoltaïque, il est essentiel de comprendre comment tirer parti de cette énergie renouvelable. En explorant les étapes clés, les différentes composantes et la compatibilité des systèmes, vous serez mieux préparé pour réaliser une installation efficace et conforme aux normes.

Comprendre les composants d’un système photovoltaïque

Un système photovoltaïque se compose de plusieurs éléments indispensables pour capter et convertir l’énergie solaire. Les principaux composants incluent :

  • Panneaux solaires : Ils captent l’énergie du soleil et la convertissent en électricité.
  • Onduleur : Ce dispositif transforme le courant continu (CC) produit par les panneaux en courant alternatif (CA), utilisable par les équipements électroménagers.
  • Tableau électrique : Il permet de gérer l’électricité produite, d’assurer la sécurité de l’installation et de distribuer l’énergie vers les différentes sorties.
  • Batteries (si nécessaire) : Stockent l’électricité pour une utilisation ultérieure, augmentant ainsi l’autoconsommation.
schema-solaire-pv schema installation solaire photovoltaique

Les Panneaux Solaires

Les panneaux solaires sont l’élément central du système photovoltaïque. Il en existe plusieurs types, chacun ayant ses propres caractéristiques et avantages :

  • Panneaux monocristallins : Plus efficaces, ils nécessitent moins d’espace pour produire la même quantité d’électricité.
  • Panneaux polycristallins : Ils sont moins chers mais également moins efficaces, pouvant nécessiter plus d’espace.
  • Panneaux à couches minces : Flexibles et légers, ils sont adaptés aux installations spécifiques, mais sont généralement moins efficaces.

Le choix du type de panneaux dépendra de facteurs tels que l’espace disponible, le budget, et les besoins énergétiques.

Installation des Panneaux Solaires

L’installation des panneaux solaires doit être réalisée avec soin pour garantir leur performance et leur longévité. Voici les étapes clés de l’installation :

  1. Évaluation du site : Avant toute chose, il est impératif d’évaluer le site d’installation pour s’assurer qu’il bénéficie d’une exposition optimale au soleil, sans ombre gênante.
  2. Installation de la structure de montage : Cette structure doit être solide et adaptée au type de toiture ou de terrain. Il est recommandé d’utiliser des fixations en acier inoxydable pour éviter la corrosion.
  3. Pose des panneaux : Les panneaux doivent être fixés avec précision sur la structure, en respectant les recommandations du fabricant concernant l’angle et l’orientation.
  4. Câblage électrique : Le câblage entre les panneaux solaires et l’onduleur doit être soigneusement effectué, en utilisant des câbles appropriés pour éviter toute perte d’énergie.
  5. Connexion à l’onduleur : Une fois le câblage terminé, connectez les panneaux à l’onduleur, en suivant les schémas fournis. Cela nécessite une attention particulière pour éviter des erreurs qui pourraient endommager le système.
  6. Test et mise en service : Après l’installation, un test du système doit être effectué pour s’assurer qu’il fonctionne correctement avant de le mettre en service.

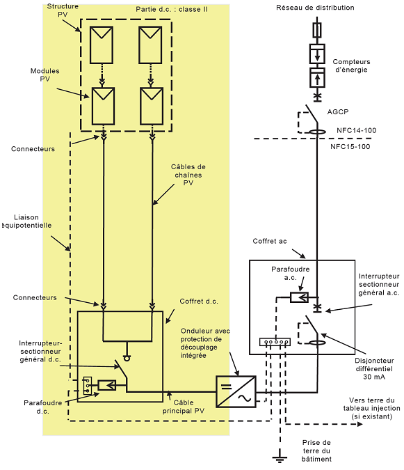
Schémas de Raccordement

La compréhension des schémas de raccordement est cruciale pour la mise en place d’une installation solaire photovoltaïque. Ces schémas montrent comment les divers éléments du système se connectent entre eux. Par exemple, le schéma d’un raccordement en autoconsommation peut illustrer comment l’électricité produite est utilisée directement sur place, minimisant ainsi le besoin de stockage.

Vous pouvez trouver des schémas de connexion détaillés sur des sites comme Wattuneed ou Nouvelr Énergie.

schema-solaire-pv schema installation solaire photovoltaique

Autoconsommation et Valorisation de l’Énergie Solaire

L’autoconsommation est un concept clé dans le domaine des installations photovoltaïques. Elle permet non seulement de réduire les factures d’électricité, mais aussi de contribuer à la transition énergétique. En produisant et en utilisant votre propre électricité, vous diminuez votre dépendance vis-à-vis des fournisseurs d’énergie.

Avantages de l’Autoconsommation

Investir dans un système photovoltaïque qui favorise l’autoconsommation présente plusieurs avantages :

  • Réduction des Coûts Énergétiques : En consommant l’énergie que vous produisez, vous diminuez votre facture d’électricité.
  • Soutien à la Transition Énergétique : En utilisant de l’énergie renouvelable, vous contribuez à un avenir durable.
  • Indépendance Énergétique : Moins dépendant des fournisseurs d’énergie, vous êtes mieux préparé à des fluctuations des prix.

Utilisez des systèmes de stockage tels que les batteries pour maximiser votre autoconsommation, en enregistrant l’énergie excédentaire produite pendant la journée pour l’utiliser la nuit.

Réglementations et Aides Financières

Le cadre réglementaire autour des installations photovoltaïques est en constante évolution. En France, plusieurs dispositifs d’aides financières et de subventions existent pour encourager l’adoption de l’énergie solaire. Des initiatives telles que le crédit d’impôt, les primes à l’investissement et les prêts à taux zéro facilitent ce type d’investissement.

Il est conseillé de consulter des ressources comme Effy ou La Tribune pour les dernières informations.

schema-solaire-pv-1 schema installation solaire photovoltaique

Maintenance et Suivi de Performance

Une fois votre installation solaire mise en service, il est crucial d’assurer un suivi régulier pour garantir son bon fonctionnement. Une maintenance adéquate permet de maximiser la production d’électricité et de prolonger la durée de vie de votre système.

Aspects de la Maintenance

Les aspects clés de la maintenance comprennent :

  • Nettoyage régulier : À cause de la poussière, de la saleté ou de la neige, un nettoyage peut s’avérer nécessaire pour maintenir l’efficacité des panneaux.
  • Vérification des connexions : Inspecter régulièrement les connexions électriques pour détecter d’éventuels problèmes.
  • Surveillance de la performance : Utiliser des outils de surveillance pour suivre la production d’énergie et détecter rapidement les anomalies.

Il est recommandé de consulter des professionnels pour des vérifications plus approfondies, notamment concernant l’onduleur et les systèmes de stockage.

schema-solaire-pv schema installation solaire photovoltaique

Conclusion et Perspectives d’Avenir

Le marché des panneaux solaires est en pleine expansion et de nombreux progrès technologiques sont à prévoir. Le soutien gouvernemental et l’engagement croissant vers les énergies renouvelables ouvrent la voie à un avenir plus durable. La sensibilisation et l’éducation des consommateurs sont des éléments cruciaux, car une meilleure compréhension entraîne une adoption plus large des technologies solaires.

Vous avez peut-être manqué

Panneau Photovoltaique Solaire Pro 4.9 (98%) 18278 votes

Recevez votre devis gratuit pour installer des panneaux photovoltaïque

X