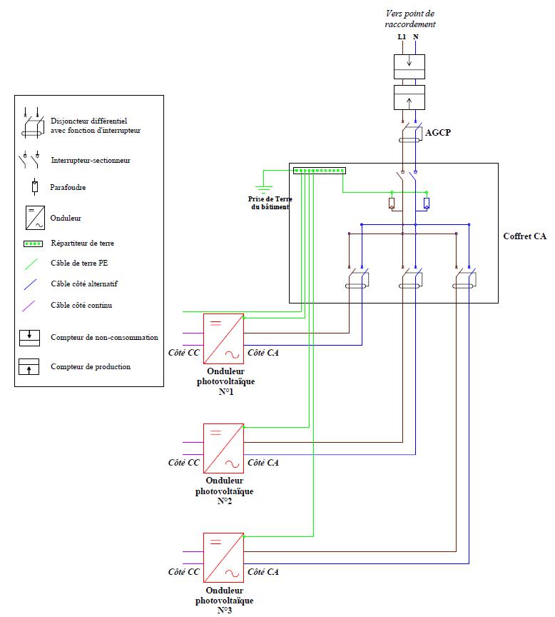
Schéma d’une installation photovoltaïque connectée au réseau
Le développement des installations photovoltaïques connectées au réseau marque une étape cruciale dans la transition vers des énergies renouvelables. Ces systèmes offrent non seulement une solution efficace pour produire de l’électricité à partir de l’énergie solaire, mais ils créent également des opportunités économiques intéressantes. La compréhension du schéma d’une telle installation est essentielle pour toute personne souhaitant bénéficier des avantages offerts par le soleil.
Comprendre le fonctionnement d’une installation photovoltaïque connectée au réseau
Une installation photovoltaïque connectée au réseau fonctionne sur le principe de la conversion de l’énergie solaire en électricité. Lorsqu’un certain nombre de panneaux solaires sont installés sur un toit ou au sol, ils captent la lumière du soleil et la transforment en courant continu (CC). Ce courant est ensuite converti en courant alternatif (CA) par un onduleur, rendant ainsi l’électricité utilisable pour les appareils électriques domestiques et intégrable dans le réseau électrique national.
Les installations photovoltaïques sont principalement composées des éléments suivants :
- Panneaux photovoltaïques : Ils sont chargés de capter l’énergie solaire et de produire de l’électricité.
- Onduleur : Ce dispositif transforme le courant continu produit par les panneaux en courant alternatif compatible avec le réseau électrique.
- Compteur d’énergie : Il mesure la quantité d’électricité produite et la quantité consommée, permettant ainsi de calculer les économies réalisées ou les revenus générés par la vente d’énergie excédentaire.
- Dispositifs de protection : Ils garantissent la sécurité de l’installation en protégeant contre les surcharges et les courts-circuits.
- Système de câblage : Un câblage adéquat permet d’assurer la connexion entre tous les composants de l’installation.
Pour réaliser une installation efficace, il faut également obtenir les autorisations nécessaires auprès des gestionnaires de réseau tels qu’Enedis. Cette étape administrative est cruciale car elle garantit que l’installation respecte les réglementations en vigueur et que le raccordement au réseau se fasse en toute sécurité.

Les avantages d’une installation photovoltaïque connectée au réseau
La connexion d’une installation photovoltaïque au réseau électrique offre plusieurs avantages notables :
- Optimisation de la consommation d’énergie : Grâce à ce système, l’électricité produite peut être immédiatement utilisée, ce qui diminue la dépendance à l’électricité du réseau.
- Revenus supplémentaires : En cas de production excédentaire, il est possible d’injecter l’électricité dans le réseau et de recevoir une compensation financière.
- Sécurité énergétique : Ce type d’installation permet de bénéficier d’une source d’énergie alternative, réduisant ainsi le risque de pannes électriques.
- Réduction des coûts : Une fois l’investissement initial amorti, la production d’électricité est presque gratuite, ce qui peut entraîner une baisse significative des factures d’énergie.
- Conformité avec les réglementations écologiques : Cela démontre un engagement vers une réduction de l’empreinte carbone et la préservation de l’environnement.
Configuration et composants d’un schéma d’installation photovoltaïque
Pour concevoir un schéma d’installation photovoltaïque efficace, il est important de bien étudier et comprendre la disposition et les relations entre ses composants. La configuration optimale peut varier selon les spécificités de chaque bâtiment et ses besoins énergétiques.
| Composant | Fonction | Caractéristiques importantes |
|---|---|---|
| Panneaux photovoltaïques | Conversion de la lumière solaire en courant continu | Puissance, type de technologie (Silicium, CIGS, etc.) |
| Onduleur | Conversion du courant continu en courant alternatif | Efficacité, capacité, fonctions de surveillance |
| Compteur d’énergie | Mesurer l’énergie produite et consommée | Type de compteur (analogique ou numérique) |
| Disjoncteurs | Protection contre les surcharges électriques | Capacité, temps de réponse |
| Câblage | Connexion des composants entre eux | Section, résistance à la chaleur, matériau |
Le choix des composants doit se faire en tenant compte des caractéristiques techniques et des capacités requises pour s’assurer que l’installation répondra aux besoins énergétiques prévus. La puissance totale installée doit être adéquate pour produire suffisamment d’électricité tout en respectant les limites de performance du réseau électrique local.
Les étapes clés pour une installation réussie
Pour garantir le succès d’une installation photovoltaïque connectée au réseau, il est fondamental de suivre plusieurs étapes cruciales :
- Évaluation du site : Analyser l’emplacement des panneaux pour maximiser l’ensoleillement.
- Choix des équipements : Sélectionner des panneaux photovoltaïques et un onduleur adaptés.
- Obtention des autorisations : Contacter Enedis pour le raccordement au réseau et obtenir les permis nécessaires.
- Installation des composants : Installer les panneaux, l’onduleur, le compteur et réaliser le câblage.
- Mise en service de l’installation : Vérifier le fonctionnement et valider que le système répond à toutes les normes de sécurité.
Réglementations et processus de raccordement en France
En France, le raccordement d’une installation photovoltaïque au réseau est encadré par une série de réglementations destinées à assurer la sécurité et l’intégrité du réseau électrique. Les utilisateurs doivent suivre ces réglementations pour obtenir leur autorisation de raccordement.
- Demande de raccordement : Chaque installation doit faire l’objet d’une demande formelle auprès d’Enedis, avec un descriptif du projet.
- Rapport d’étude de raccordement : Un rapport évalue l’impact de l’installation sur le réseau et propose les ajustements nécessaires.
- Contrats d’achat : En fonction de la production, il est nécessaire de signer un contrat pour la vente d’électricité excédentaire.
- Normes et certifications : Les installations doivent respecter les normes en vigueur (par exemple, la norme NF C 15-100).
| Élément | Exigences réglementaires |
|---|---|
| Demande de raccordement | Soumission d’un dossier technique à Enedis |
| Certifications des équipements | Les équipements doivent répondre aux normes NF ou européennes |
| Visite de conformité | Inspection par un organisme de contrôle pour la mise en service |
Respecter ces étapes permet non seulement d’accélérer le processus de mise en service, mais aussi de garantir la sécurité de l’installation, réduisant ainsi le risque d’accidents électriques.
Avenir et innovations dans les installations photovoltaïques connectées
Le domaine des énergies renouvelables évolue rapidement, et les innovations en matière d’installations photovoltaïques ne cessent de croître. Les nouvelles technologies permettent d’améliorer l’efficacité des panneaux, de réduire leur coût, et d’augmenter leur durée de vie.
- Panneaux à efficacité avancée : Des technologies comme les panneaux bifaciaux captent l’énergie à partir de la lumière réfléchie par le sol, augmentant ainsi la production globale.
- Énergies renouvelables hybrides : Combinez l’énergie solaire avec d’autres sources, comme des mini-éoliennes, pour optimiser la production.
- Systèmes de stockage de l’énergie : Les batteries de stockage permettent de conserver l’énergie excédentaire, assurant une alimentation même la nuit.
- Applications intelligentes : Des systèmes de gestion intégrés permettent un suivi en temps réel de la production et de la consommation, optimisant ainsi les usages.
Ces innovations assurent un avenir prometteur pour les installations solaires connectées, rendant l’énergie solaire encore plus accessible et rentable. L’intégration de telles technologies est essentielle afin de tirer le meilleur parti des ressources renouvelables et de concrétiser la transition vers un avenir durable.

Laisser un commentaire