Le schéma électrique pour une installation photovoltaïque de 3kW avec SMA

découvrez le schéma électrique d'installation d'un système photovoltaïque de 3 kw avec onduleur sma. optimisez votre production d'énergie solaire grâce à des conseils pratiques et des informations essentielles pour une installation réussie.

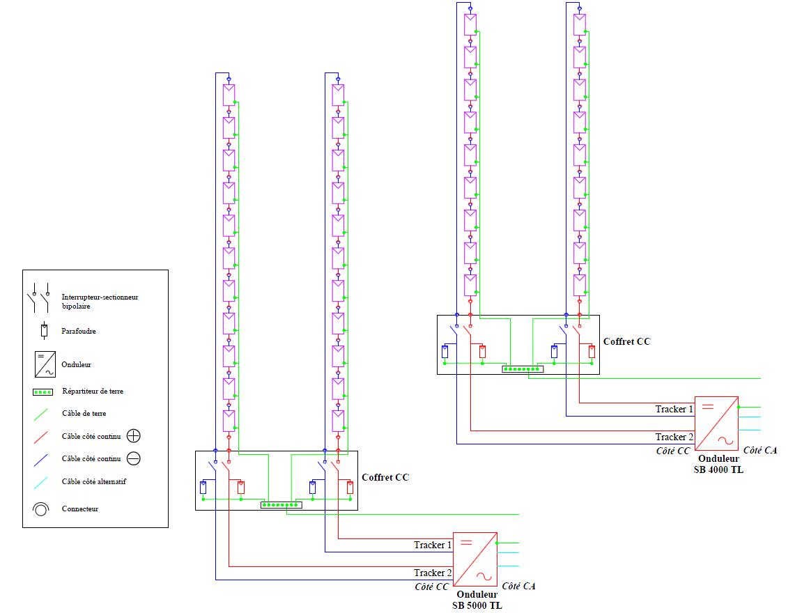
Établir un schéma électrique pour votre installation photovoltaïque de 3kW est une étape cruciale pour garantir son efficacité et sa sécurité. À travers ce guide, vous découvrirez les principales étapes à suivre pour concevoir un schéma solide, en vous concentrant sur les spécificités des systèmes de 3kW. Grâce à des informations détaillées, vous apprendrez à identifier les composants essentiels, à définir leur emplacement et à respecter les normes en vigueur, notamment celles proposées par SMA, expert en solutions photovoltaïques.

Comprendre les 3kw d’un système photovoltaïque

schema-electrique-installation-photovoltaique-3kw-sma Le schéma électrique pour une installation photovoltaïque de 3kW avec SMA

Un système photovoltaïque de 3kW est généralement adapté aux particuliers souhaitant réduire leur dépendance aux énergies fossiles tout en tirant parti des incroyables ressources solaires. Cette taille s’avère particulièrement performante pour couvrir une partie importante de la consommation énergétique d’un foyer. Chaque installation est différente, mais le schéma de 3kW se compose généralement de 8 à 10 panneaux solaires, un onduleur, et potentiellement un système de stockage d’énergie.

Les Composants Essentiels de Votre Système

Pour un système photovoltaïque de 3kW, divers composants sont nécessaires. Chaque élément joue un rôle clé dans la production d’énergie :

  • Panneaux Solaires : Ils captent le soleil et génèrent de l’électricité en courant continu (DC).
  • Onduleur : Conversion du courant continu (DC) en courant alternatif (AC) pour une utilisation domestique.
  • Batteries : Optionnellement, elles permettent de stocker l’énergie pour usage nocturne ou jours nuageux.
  • Système de Mise à Terre : Assure la sécurité de l’installation.

Chacun de ces composants devra être représenté sur votre schéma.

Créer le Schéma Électrique

Élaborer un schéma électrique nécessite rigueur et méthode. La première étape consiste à dessiner un plan représentant l’emplacement de chaque composant. Pensez à l’orientation et à l’angle d’inclinaison des panneaux solaires pour maximiser leur exposition au soleil. Intégrez également les liaisons électriques entre chaque élément.

Étape par Étape pour Dessiner Votre Schéma

Commencez par établir la disposition des panneaux solaires. Ensuite, ajoutez l’onduleur à proximité et reliez les câbles aux panneaux. Le recours à un logiciel spécifique pour la création de schémas peut faciliter la représentation de vos composants. N’oubliez pas d’inclure les protections telles que des disjoncteurs pour garantir la sécurité de votre installation.

schema-electrique-installation-photovoltaique-3kw-sma-1 Le schéma électrique pour une installation photovoltaïque de 3kW avec SMA

Respect des Normes Électriques

La conformité aux normes électriques est primordiale pour assurer la sécurité de votre installation. La norme NF C 15-100 régit plusieurs aspects de l’installation électrique, notamment les liaisons à la terre. Assurez-vous que votre schéma respecte ces exigences pour éviter tout risque de court-circuit ou de surcharges électriques.

Maintenir un Haut Niveau de Sécurité

Les éléments de sécurité doivent être intégrés dès la conception du schéma. La mise à terre des panneaux solaires reste cruciale pour éviter tout dommage. L’ensemble des installations électriques doit également être vérifié par un professionnel pour garantir leur conformité.

Optimiser la Production d’Énergie

schema-electrique-installation-photovoltaique-3kw-sma-2 Le schéma électrique pour une installation photovoltaïque de 3kW avec SMA

Une fois le schéma établi, vous devez penser à des techniques pour optimiser la production d’énergie de votre système de 3kW. L’utilisation de technologies telles que le Maximum Power Point Tracking (MPPT) peut s’avérer bénéfique. Ces technologies permettent d’ajuster la production d’énergie en fonction des conditions d’ensoleillement et d’améliorer ainsi l’efficacité globale de votre installation.

Techniques d’Optimisation

En intégrant un système de stockage d’énergie, vous pourrez bénéficier de l’électricité même la nuit ou les jours moins ensoleillés. Cela alimente votre maison en continu et réduit le besoin d’énergie depuis le réseau, apportant un double avantage financier et environnemental.

Téléchargement de Ressources Supplémentaires

Pour ceux qui cherchent à approfondir leurs connaissances sur la création d’un schéma d’installation photovoltaïque, plusieurs ressources en ligne sont disponibles. Des guides PDF, tels que ceux sur le schéma d’installation de panneaux solaires, offrent des informations détaillées et des exemples pratiques.

Accéder aux Guides

L’accès à ces guides vous permettra non seulement d’apprendre à installer votre système photovoltaïque de manière autonome, mais également d’optimiser vos rendements énergétiques. Ces ressources sont conçues pour les novices et les experts souhaitant se perfectionner.

Ressources Visuelles et Témoignages

Les témoignages de ceux qui ont déjà réalisé leur installation photographique sont riches d’enseignements. Ils permettent de mieux appréhender les défis rencontrés et les solutions apportées. De nombreuses photos d’installations réussies circulent sur Instagram, illustrant les bénéfices tangibles d’un système bien conçu.

Vous avez peut-être manqué

Panneau Photovoltaique Solaire Pro 4.9 (98%) 21139 votes

Recevez votre devis gratuit pour installer des panneaux photovoltaïque

X