Comprendre le schéma électrique normalisé pour une installation photovoltaïque
Dans un monde de plus en plus tourné vers les énergies renouvelables, comprendre le schéma électrique normalisé pour une installation photovoltaïque devient essentiel. Cet article explore les différentes facettes des schémas électriques qui encadrent le fonctionnement des systèmes solaires, en se concentrant sur leur importance, leur conception ainsi que sur les enjeux réglementaires. La lumière durable qu’offre l’énergie solaire représente une opportunité précieuse pour les utilisateurs désireux de réduire leur empreinte énergétique tout en profitant d’un avenir plus vert.
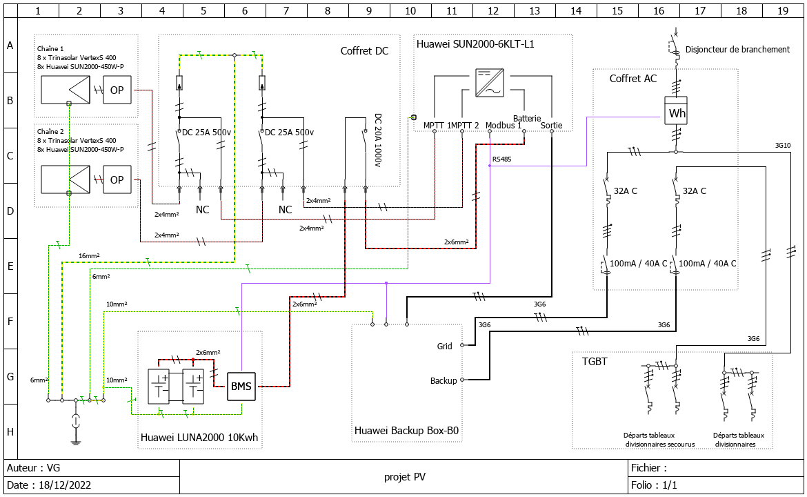
Le schéma électrique : un outil indispensable pour l’installation photovoltaïque
Le schéma électrique d’une installation photovoltaïque est bien plus qu’une simple illustration ; c’est un guide précieux qui démontre comment l’énergie solaire est transformée et utilisée. Cette représentation visuelle illustre le câblage et les connexions entre les panneaux solaires, l’onduleur, et d’autres composants essentiels. L’objectif premier de ce schéma est de faciliter la compréhension de l’ensemble du système, assurant ainsi son efficacité et sa sécurité.

Les principaux éléments que l’on retrouve dans un schéma électrique comprennent :
- Panneaux solaires : Ces unités captent les photons du soleil pour produire du courant continu (DC).
- Onduleurs : Transformant le courant continu (DC) en courant alternatif (AC), qui est utilisé dans les foyers.
- Coffrets de protection : Ces dispositifs, incluant des disjoncteurs et des fusibles, servent à protéger le système des surcharges.
Pour qu’une installation soit conforme aux normes, il est crucial que le schéma respecte les réglementations locales. Par exemple, en France, plusieurs organismes, tels que Installation Photovoltaïque et Photovoltaïque Guide, fournissent des directives nécessaires.
Les bénéfices d’un schéma électrique bien élaboré incluent une réduction du risque d’erreurs pendant la phase d’installation et une simplification de la maintenance. Au fur et à mesure que l’intérêt pour les énergies renouvelables grandit, des entreprises telles qu’EcoSun adoptent des pratiques avancées pour concevoir des systèmes plus efficaces.
| Composant | Fonction |
|---|---|
| Panneaux solaires | Conversion de l’énergie solaire en électricité |
| Onduleurs | Transformation du courant continu (DC) en courant alternatif (AC) |
| Coffrets de protection | Protection électrique du système |
L’importance des schémas unifilaires pour une installation photovoltaïque
Les schémas unifilaires se révèlent particulièrement utiles pour la lisibilité des installations photovoltaïques. En se contentant d’une seule ligne pour représenter chaque connexion, ils offrent une clarté visuelle qui simplifie la compréhension du réseau électrique. Cette simplification est bénéfique non seulement pour les installateurs mais également pour ceux qui supervisent la maintenance et les opérations.
Les principaux avantages des schémas unifilaires incluent :
- Une identification rapide des composants.
- Facilité de gestion des interventions de maintenance.
- Vue d’ensemble de l’architecture du système.
Un exemple d’application courante est celui de sociétés telles que TotalEnergies et SMA France, qui privilégient ce type de représentation pour maximiser l’efficacité de leurs projets tout en minimisant les risques d’erreur.

Le choix entre un schéma unifilaire et d’autres types de schémas dépend souvent du degré de complexité de l’installation. Dans des projets plus élaborés, d’autres diagrammes peuvent être intégrés, cependant, la simplicité d’un schéma unifilaire en fait un outil de référence dans la conception d’installations solaires efficaces.
| Avantage du schéma unifilaire | Impact |
|---|---|
| Facilité d’identification des composants | Rapidité dans les interventions |
| Simplification des opérations de maintenance | Réduction des coûts et des temps d’arrêt |
| Vue d’ensemble rapide | Pour une prise de décision éclairée |
Les principaux éléments d’un système photovoltaïque
Chaque système photovoltaïque est constitué d’une multitude de composants interdépendants, chacun jouant un rôle crucial dans la conversion et la distribution de l’énergie solaire. Le bon fonctionnement de l’ensemble repose sur la synergie entre ces éléments. Voici les composants clés d’une installation :
- Panneaux photovoltaïques : Éléments fondamentaux, ils transforment la lumière du soleil en électricité.
- Onduleurs : Ils sont responsables de la conversion de l’électricité produite pour une utilisation domestique.
- Coffrets de protection AC et DC : Ils garantissent la sécurité des circuits en cas de surcharge.
- Batteries : Elles permettent de stocker l’énergie pour l’utiliser en dehors des heures de production.
- Compteurs d’électricité : Ces dispositifs mesurent la quantité d’électricité produite et consommée.

La sélection précise des composants est une étape critique. En effet, pour une installation d’une capacité de 100 kWc, il est primordial de bien dimensionner les câbles et les équipements, afin de minimiser les déperditions énergétiques et garantir une efficacité maximale sur le long terme. En se référant aux normes promulgées par des organismes tels que NormaPV, les utilisateurs peuvent s’assurer que leur installation répond aux standards en matière de performance et de sécurité.
| Élément | Rôle |
|---|---|
| Panneaux photovoltaïques | Convertissent la lumière du soleil en courant continu |
| Onduleurs | Convertissent le courant DC en courant AC |
| Coffrets de protection | Protéger l’installation et faciliter la maintenance |
| Batteries | Stocker l’énergie pour couvrir les besoins en dehors des heures de soleil |
La réglementation en matière de photovoltaïque
L’implantation d’une installation photovoltaïque est soumise à une série de réglementations strictes qui varient en fonction des régions. Ces normes ont pour but d’assurer la conformité technique et la sécurité des installations, tout en préservant l’environnement. En France, la législation actuelle impose des conditions spécifiques pour le raccordement au réseau électrique géré par Enedis.
Les aspects régissant la réglementation incluent :
- Normes de sécurité électrique : Elles garantissent que tous les composants sont sécurisés contre les défaillances.
- Conditions de raccordement au réseau électrique : Elles régissent la manière dont l’électricité produite est intégrée au réseau.
- Réglementations environnementales : Ces normes encadrent l’emplacement des installations pour éviter de nuire à la biodiversité.
Des acteurs clés tels que Photowatt, Voltalia, et GreenYellow ont un rôle majeur dans ce domaine. Ils œuvrent à l’élaboration et à l’application de normes qui favorisent l’essor de l’énergie verte. Ces initiatives participent à la transition énergétique en cours, favorisant le recours aux panneaux écologiques.
| Description | Importance |
|---|---|
| Normes de sécurité électrique | Protéger les utilisateurs et l’environnement |
| Conditions de raccordement au réseau | Assurer l’intégration de l’électricité produite |
| Réglementations environnementales | Préserver la biodiversité dans l’implantation |
Les meilleures pratiques pour un câblage efficace dans une installation photovoltaïque
Le câblage d’une installation photovoltaïque est un aspect fondamental qui peut avoir un impact direct sur la performance et la sécurité du système. Un câblage mal conçu peut provoquer des pertes d’énergie non négligeables ainsi que des risques accrus d’incendie. Pour garantir un câblage effectif, il est impératif d’adopter certaines meilleures pratiques :
- Choisir des câbles appropriés : Sélectionner le bon type et la bonne section de câble pour réduire la résistance et les pertes.
- Utiliser des connecteurs de qualité : Opter pour des connecteurs adaptés aux conditions extérieures garantit des connexions durables.
- Planifier l’agencement : Un itinéraire optimal des câbles réduit les risques d’interférences et de dommages.
Suivre un schéma de câblage standard est essentiel pour assurer la conformité avec les normes électriques. Les installations qui respectent les standards, comme ceux fournis par Photovoltaïque Guide, sont largement plus sûres et faciles à maintenir. Cette exigence de qualité est souvent mise en avant par des experts dans le domaine, garantissant un fonctionnement optimal des systèmes.
| Pratique | Élément clé |
|---|---|
| Choisir des câbles appropriés | Minimiser les pertes d’énergie |
| Utiliser des connecteurs de qualité | Garantir une connexion durable et résistante aux intempéries |
| Planifier l’agencement | Réduire les risques d’interférences et de dommages |
Évaluer les performances d’une installation photovoltaïque
Pour assurer que l’installation photovoltaïque fonctionne de manière optimale, il est crucial d’évaluer ses performances régulièrement. Cette évaluation passe par le suivi des indicateurs clés afin d’identifier les éventuels problèmes et d’améliorer l’efficacité. Les indicateurs de performance stratégiques incluent :
- Taux de conversion : Mesure l’efficacité de la transformation de l’énergie solaire en électricité.
- Temps de réponse : Délai entre l’activation d’un module photovoltaïque et sa production d’électricité.
- Rendement énergétique : Évalue la quantité d’énergie produite par rapport à la surface utilisée.
- Taux de disponibilité : Mesure le temps durant lequel l’installation est opérationnelle.
Des entreprises telles qu’Ingelia offrent des solutions avancées pour suivre ces performances. L’intégration de systèmes de monitoring permet aux utilisateurs d’anticiper les besoins de maintenance et d’optimiser le rendement de leur installation. En utilisant des outils tels que des logiciels de simulation, il est désormais possible d’anticiper les problèmes et d’orienter les choix d’amélioration adaptés.
| Indicateur de performance | Objectif |
|---|---|
| Taux de conversion | Maximiser l’efficacité de conversion de l’énergie |
| Temps de réponse | Réduire le temps d’activation du système |
| Rendement énergétique | Optimiser l’utilisation de la surface |
| Taux de disponibilité | Assurer une opération continue et régulière |



Laisser un commentaire