Comprendre le schéma électrique pour une installation photovoltaïque autonome
La montée des prix de l’électricité pousse de plus en plus de ménages à envisager des solutions alternatives pour réduire leurs factures. Parmi elles, l’installation de panneaux photovoltaïques autonomes se distingue par ses multiples avantages. Il est crucial de comprendre le fonctionnement d’un schéma électrique pour une installation solaire afin d’optimiser lors de votre projet d’autoconsommation. Cet article vous guidera à travers les principales composantes et le fonctionnement d’un système photovoltaïque autonome.
Le recours à une installation photovoltaïque permet non seulement de réduire sa dépendance énergétique, mais aussi de contribuer à la transition énergétique en utilisant une source d’énergie renouvelable. Différents modèles de kits, tels que les panneaux solaires Plug & Play, se démocratisent sur le marché, mais il reste essentiel de bien comprendre leur fonctionnement pour garantir leur efficacité.
Comprendre le fonctionnement des panneaux photovoltaïques
Les panneaux photovoltaïques convertissent la lumière du soleil en électricité grâce à l’effet photovoltaïque. Lorsqu’un photon frappe un atome de silicium, il libère un électron, créant ainsi un courant électrique. This process occurs in each solar cell within the panels, which are connected in series to form a complete system. This current, cependant, est en courant continu (CC) et doit être converti en courant alternatif (CA) pour une utilisation domestique.
Le micro-onduleur joue un rôle essentiel dans ce système. Il convertit le courant continu en courant alternatif, permettant ainsi de relier votre production d’électricité au réseau électrique ou de l’utiliser directement chez vous. Un modèle de panneau solaire Plug & Play, disponible dans les grandes surfaces comme Brico Dépôt, propose une solution simple avec une puissance de 460 Wc pour environ 499 €.
Les composants essentiels d’une installation photovoltaïque autonome
Une installation photovoltaïque autonome se compose de plusieurs éléments clés :
- Panneaux solaires : Ils captent l’énergie solaire.
- Micro-onduleurs : Ils convertissent le courant continu en courant alternatif.
- Batteries : Elles stockent l’énergie produite pour une utilisation nocturne ou durant les périodes nuageuses.
- Régulateurs de charge : Ils protègent les batteries des surcharges.
La planification de votre installation doit tenir compte de ces composants pour garantir leur compatibilité et une efficacité optimale.
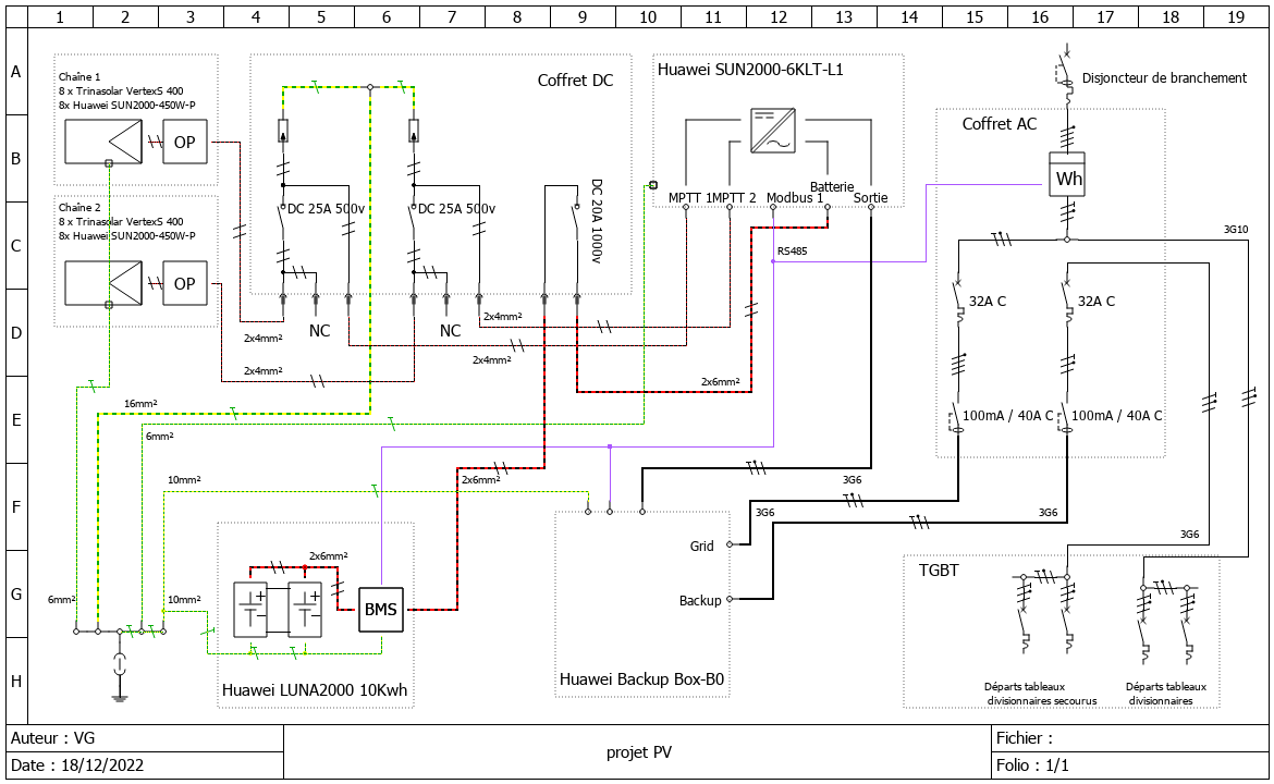
Les schémas de câblage d’une installation photovoltaïque
Pour bien comprendre le fonctionnement d’une installation photovoltaïque autonome, il est important d’étudier son schéma électrique. Cela vous permettra de visualiser comment les différents composants sont interconnectés et comment l’électricité est produite et consommée.
Voici un schéma de base que l’on pourrait rencontrer dans une telle installation :
| Composant | Fonction |
| Panneaux solaires | Convertir la lumière du soleil en courant continu |
| Micro-onduleur | Convertir le courant continu en courant alternatif |
| Batteries | Stocker l’énergie pour une utilisation ultérieure |
| Régulateur de charge | Gérer le flux d’énergie vers les batteries |
Chaque élément joue un rôle crucial et doit être correctement raccordé pour une efficacité optimale. Une bonne planification du câblage est essentielle pour éviter des pertes d’énergie.
Importance de la vérification des connexions
Lorsque vous installez votre système, vérifier chaque connexion est un pas crucial vers un fonctionnement sécurisé. Si un câble n’est pas correctement fixé ou un composant mal installé, cela pourrait entraîner des défaillances et réduire l’efficacité du système. Investir dans des outils et des composants de qualité et suivre les instructions de montage sont des étapes à ne pas négliger.
Il est également conseillé de déclarer votre installation auprès d’Enedis afin de respecter les normes et exigences réglementaires. C’est une étape simple qui vous évitera des complications futures.
Les avantages des installations photovoltaïques autonomes
Les systèmes photovoltaïques autonomes offrent une multitude d’avantages, tant sur le plan économique qu’écologique :
- Réduction des factures : Grâce à une production d’électricité vous-même, vos factures d’énergie diminuent considérablement.
- Autonomie énergétique : En étant capable de produire votre propre électricité, vous n’êtes plus soumis aux fluctuations du marché de l’énergie.
- Impact écologique positif : L’utilisation de panneaux solaires réduit votre empreinte carbone, participant ainsi à la lutte contre le changement climatique.
Face à une situation énergétique de plus en plus instable, opter pour une installation photovoltaïque autonome se présente comme une solution pertinente pour de nombreux ménages.
Le retour sur investissement
Investir dans une installation photovoltaïque ne constitue pas seulement un acte citoyen, c’est aussi une décision économiquement viable. Le retour sur investissement (ROI) peut varier en fonction de plusieurs critères tels que :
- Le coût d’achat initial
- Le prix de vente de l’électricité
- Les subventions disponibles et crédits d’impôt
Il est judicieux de faire des simulations avant d’installer un tel système, afin de calculer l’amortissement de l’investissement dans le temps. Selon certaines études, le ROI d’une installation photovoltaïque peut varier de 7 à 12 ans, suivant l’ensoleillement de votre région et le coût de l’électricité.
Les différentes solutions de financement pour l’énergie solaire
Plusieurs options sont à votre disposition pour financer votre installation photovoltaïque :
- Prêts bancaires : Nombreux établissements proposent des prêts écologiques pour financer l’énergie renouvelable.
- Aides gouvernementales : Des subventions et crédits d’impôt existent pour alléger la charge financière.
- Le leasing : Une alternative de paiement qui vous permet de ne pas débourser la totalité du coût initial.
Les solutions de financement sont variées et doivent être envisagées selon votre situation financière et vos objectifs à long terme.
Enfin, comparer les offres et évaluer scrupuleusement les coûts à long terme permet de prendre une décision éclairée concernant l’opportunité d’investir.
Les astuces pour choisir le bon installateur
Pour garantir la réussite de votre projet, il est essentiel de choisir un bon installateur. Voici quelques critères à considérer :
- Vérifiez leurs certifications et assurances.
- Optez pour des avis clients positifs.
- Comparez plusieurs devis avant de prendre votre décision.
Ne jamais hésiter à poser des questions sur les matériaux utilisés et les techniques employées vous permettra de mieux comprendre ce que vous payez et d’assurer la durabilité de votre installation.
Considérations finales sur l’installation photovoltaïque autonome
À travers cet article, vous avez pu découvrir les principaux éléments d’une installation photovoltaïque autonome et comment ils interagissent. Il est fondamental d’évaluer vos besoins spécifiques, de bien comprendre le schéma électrique et d’anticiper les différentes solutions financières disponibles. En choisissant l’équipement adéquat et en suivant un processus de planification rigoureux, vous pouvez assurer une intégration optimale de la production d’énergie solaire dans votre quotidien.



Laisser un commentaire