Le rôle crucial du tableau électrique dans une installation photovoltaïque
Les installations photovoltaïques, en tant que composantes majeures de la transition énergétique contemporaine, exigent une compréhension approfondie de leur architecture électrique. Parmi les éléments clés de cette structure, le tableau électrique joue un rôle prépondérant. Il véhicule l’énergie produite par les panneaux solaires et régule son utilisation dans les foyers. Une appréhension de son fonctionnement et de ses composants est essentielle pour garantir une installation efficace et sûre.
Un aperçu du tableau électrique dans les installations photovoltaïques
Le tableau électrique représente le cœur du système d’une installation photovoltaïque. Il s’agit d’un dispositif qui assure la gestion et la distribution de l’électricité produite par les panneaux solaires. Cela implique non seulement la connexion de plusieurs équipements, mais également la préservation de la sécurité des systèmes grâce à diverses protections.

Les composants du tableau électrique
Un tableau électrique standard pour une installation photovoltaïque intègre plusieurs éléments clés, chacun ayant une fonction précise pour assurer le bon fonctionnement et la sécurité du système :
- Disjoncteurs : Ces dispositifs assurent la protection des circuits contre les surcharges et les courts-circuits.
- Fusibles : Offrant une protection supplémentaire, ils interrompent le courant en cas de surcharge.
- Compteur de production : Mesure la quantité d’électricité produite, essentiel pour le suivi et la revente à des fournisseurs comme Enedis.
- Protections contre les surtensions : Ces appareils préservent le tableau et les équipements connectés des dommages causés par des événements extérieurs, comme les orages.
Pour une installation réussie, il est primordial que chaque composant soit correctement dimensionné et choisi en fonction des spécificités du projet. Par exemple, la renommée de fournisseurs comme Schneider Electric et Siemens offre des solutions robustes et fiables adaptées à ces besoins.
Normes de sécurité et aspects réglementaires
La sécurité est l’une des priorités lors de la conception et de la mise en œuvre d’un tableau électrique. Les normes de sécurité électrique doivent être observées scrupuleusement. Pour cela, il est important de :
- S’assurer que tous les équipements respectent les normes électriques en vigueur.
- Utiliser des câbles de qualité appropriée pour gérer les charges électriques efficacement.
- Intégrer des dispositifs de déconnexion rapide pour permettre une intervention immédiate en cas d’urgence.
- Faire contrôler l’installation par un professionnel qualifié pour garantir sa conformité aux réglementations.
Un non-respect de ces normes peut entraîner des accidents graves, compromettant la sécurité des utilisateurs. L’assistance d’entreprises comme Eaton et ABB peut être précieuse dans ce processus, offrant des conseils d’experts pour concevoir des systèmes sûrs.
Les implications d’un tableau électrique mal conçu
Un tableau électrique mal agencé peut entraîner des pertes d’efficacité, des pannes fréquentes et des risques éventuels d’incendie. Par exemple, une mauvaise connexion des câbles ou l’absence de protections adéquates peut provoquer des courts-circuits ou des diminutions de rendement. En 2025, dans un contexte géopolitique où les énergies renouvelables sont au cœur du développement durable, de telles défaillances pourraient avoir des conséquences sur la pérennité financière de l’installation. Il est donc regrettable de constater des erreurs souvent évitables.
Une étude menée par un organisme de régulation a révélé qu’une installation mal conçue augmentait de 15% le risque d’incidents électriques. Il est donc crucial à chaque étape de conception et d’installation d’inclure une vérification systématique du tableau électrique.
| Composant | Rôle | Importance |
|---|---|---|
| Disjoncteurs | Protection des circuits | Élevée |
| Fusibles | Interruption en cas de surcharge | Élevée |
| Compteur de production | Mesure de la production d’électricité | Moyenne |
| Protections contre surtensions | Préserver l’équipement | Élevée |
L’architecture électrique d’une installation photovoltaïque
Pour optimiser le fonctionnement du tableau électrique, il est essentiel de comprendre l’architecture de l’installation photovoltaïque. Cette dernière comprend plusieurs éléments, notamment des panneaux solaires, un onduleur, et les divers dispositifs de commande et de protection qui interagissent pour garantir la distribution de l’énergie. Chaque élément joue un rôle distinct tout en contribuant à l’efficacité globale de la production d’électricité.

Les panneaux photovoltaïques
Les panneaux solaires capturent l’énergie du soleil et la convertissent en courant continu (DC), qui doit ensuite être transformé en courant alternatif (AC) pour être compatible avec la majorité des appareils électriques domestiques. L’onduleur entre ici en jeu, transformant ce courant. Choisir le bon modèle, qu’il soit central ou à micro-onduleurs, dépend souvent de la disposition des panneaux et des ombres portées sur l’installation.
Les performances des panneaux peuvent être influencées par divers facteurs :
- Orientation et inclinaison: Une orientation sud et une inclinaison de 30 à 40 degrés sont souvent idéales pour maximiser l’exposition au soleil.
- Ombres: Les ombres portées par des arbres ou d’autres bâtiments peuvent réduire considérablement le rendement énergétique.
- Température: Les panneaux fonctionnent le mieux à des températures modérées ; la chaleur excessive peut reduire leur rendement.
L’intégration des panneaux dans le tableau électrique doit être réalisée avec soin pour éviter des erreurs de connexion. Les informations et guides proposés par des entreprises comme General Electric peuvent s’avérer très utiles.
Les onduleurs : effet sur le rendement
Les onduleurs sont des éléments essentiels pour le fonctionnement d’un système photovoltaïque. Ils convertissent le courant continu produit par les panneaux solaires en courant alternatif. Le choix de l’onduleur est donc fondamental, car il peut influencer l’efficacité totale de l’installation. Les modèle récents, comme ceux de Philips et Honeywell, intègrent des technologies avancées pour maximiser la production d’énergie.
Le système de couplage de l’onduleur au tableau électrique doit être effectué avec une attention particulière, rendant crucial le respect des normes de câblage électriques :
- Utiliser des câbles diélectriques de grande qualité pour éviter les pertes de charges.
- Analyse des longueurs de câbles pour éviter le surdimensionnement inutile.
- Vérifier la polarité pour assurer un flux électrique harmonieux.
Cette attention portée aux détails est fondamentale pour tirer le meilleur parti de l’installation et doit être garantie par des professionnels compétents.
| Élément | Fonction | Impact sur le rendement |
|---|---|---|
| Panneaux solaires | Convertir la lumière solaire en courant continu | Élevé |
| Onduleurs | Transformer le courant continu en courant alternatif | Élevé |
| Tableau électrique | Distribuer et protéger l’électricité produite | Moyenne |
Le câblage dans une installation photovoltaïque : comment optimiser le.
Le câblage dans une installation photovoltaïque
Le choix et l’installation du câblage sont des étapes essentielles dans la conception d’un système photovoltaïque. Ce dernier assure la connexion entre tous les appareils, permettant un flux électrique fluide. Un câblage mal conçu peut entraîner des pertes d’énergie significatives et des risques pour la sécurité.

Les principes fondamentaux du câblage
Pour une optimisation maximale, il est impératif de respecter plusieurs principes lors de l’élaboration du schéma de câblage :
- Soigner la section des câbles: Choisir un diamètre adapté pour éviter les pertes par échauffement.
- Gérer les longueurs de câbles: Limiter les longues distances entre les panneaux et le tableau pour réduire les pertes d’énergie.
- Respecter la polarité: Garantir que le courant est correctement orienté dans le circuit.
Ces principes permettent d’assurer une transmission optimale de l’électricité. Par ailleurs, une étude réalisée par l’Agence Énergétique Européenne indique qu’un câblage bien conçu peut réduire les pertes de rendement de 30%.
Les différentes configurations de câblage
Pour une installation photovoltaïque, deux configurations de câblage se distinguent :
| Type de câblage | Description |
|---|---|
| Câblage en série | Les panneaux sont connectés les uns aux autres, additionnant leurs tensions, mais la puissance totale dépendra du panneau le moins performant. |
| Câblage en parallèle | Chaque panneau fonctionne indépendamment, ce qui permet d’additionner les puissances globales, offrant ainsi plus de fiabilité en cas d’ombrage partiel. |
Le câblage en parallèle est généralement préféré pour sa flexibilité, ou dans des installations où l’ombre est un problème. Entreprises telles que Mersen et Legrand se spécialisent dans la fourniture des composants nécessaires pour ce type de câblage.
Optimisation de l’efficacité énergétique dans les installations photovoltaïques
Un des objectifs primordiaux des installations photovoltaïques est d’optimiser la production d’électricité. Cela passe inévitablement par une gestion intelligente du tableau électrique et un schéma électrique efficace.
Stratégies d’optimisation
Il existe différents moyens pour améliorer l’efficacité d’un système photovoltaïque. Voici quelques stratégies courantes :
- Système de suivi solaire: Un dispositif capable de suivre la position du soleil tout au long de la journée pour maximiser l’exposition des panneaux.
- Optimisateurs de panneaux: Ces dispositifs permettent à chaque panneau de fonctionner à sa capacité maximum, même dans des conditions ombragées.
- Surveillance de performance: Utilisation d’outils avancés qui permettent un suivi en temps réel de la production d’énergie.
Certaines marques, comme Honeywell et Philips, intègrent des solutions innovantes pour optimiser la performance de leurs systèmes photovoltaïques. En 2025, alors que la production d’énergie renouvelable est devenue primordiale, ces technologies permettent aux particuliers d’atteindre une autonomie énergétique accrue.
Maintenance et évaluation des installations
Pour garantir le bon fonctionnement à long terme d’un système photovoltaïque, il est crucial d’effectuer des inspections régulières. Cela comprend :
- Un contrôle visuel des panneaux et des connexions pour repérer d’éventuelles anomalies.
- Des tests de performance pour garantir que chaque composant opère correctement.
- Une maintenance préventive du tableau électrique afin de minimiser les risques de dysfonctionnement.
Les entreprises comme ABB et General Electric proposent des solutions et des produits spécifiques pour la maintenance de ces installations, contribuant ainsi à assurer leur longévité et leur efficacité. L’expérience montre qu’une bonne maintenance peut prolonger significativement la durée de vie d’une installation photovoltaïque.
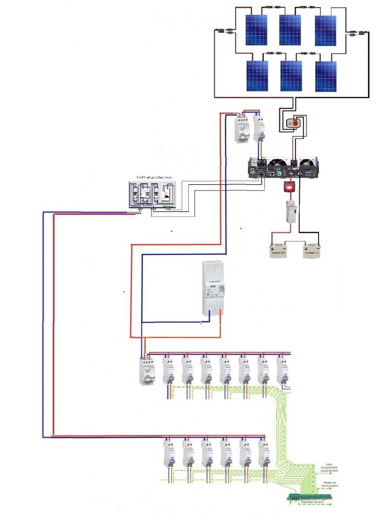
Schémas électriques et leur importance
Enfin, la documentation des schémas électriques d’une installation photovoltaïque est essentielle pour assurer une installation correcte et sécurisée. Ces schémas facilitent la visualisation des connexions entre les différents composants, comme les panneaux solaires, l’onduleur, le tableau de distribution, et éventuellement les batteries.
Les types de schémas électriques
Les schémas électriques peuvent varier en fonction de la complexité de l’installation. Parmi les plus courants, on peut citer :
- Schéma unifilaire: Une représentation simplifiée montrant les connexions essentielles entre les éléments.
- Schéma de câblage DC: Illustre les connexions des panneaux à l’onduleur, crucial pour le design initial.
- Schéma de câblage AC: Détaille les connexions après l’onduleur, facilitant l’intégration au réseau.
- Schéma de centrale photovoltaïque: Inclut tous les dispositifs de protection dans une installation à grande échelle.
Des institutions comme Schneider Electric offrent des logiciels de conception de schémas qui simplifient ce processus, garantissant ainsi que les installations respectent toutes les normes de sécurité.
Importance de l’adhésion aux recommandations et normes
Les erreurs d’installation peuvent entraîner des conséquences graves, tant sur le plan de la sécurité que de l’efficacité. De plus, respecter les normes en vigueur est fondamental pour obtenir des certifications nécessaires à la substantielle revente de surplus d’énergie générée. En 2025, avec la croissance du marché photovoltaïque, s’assurer que chaque installation est conforme permet de bénéficier d’une mise en réseau fluide et sécurisée.
Cela démontre l’importance d’avoir des experts pour diriger le processus, garantissant ainsi que les clients peuvent maximiser leur retour sur investissement. À ce titre, le recours à des professionnels reconnus est non seulement conseillé, mais essentiel pour la pérennité d’une installation photovoltaïque.



1 commentaire