Onduleurs triphasés pour installation photovoltaïque : un guide pratique en PDF
Les onduleurs triphasés sont des équipements essentiels pour ceux qui envisagent d’installer un système photovoltaïque, surtout dans un cadre industriel ou commercial. Leur rôle est fondamental puisqu’ils transforment le courant continu généré par les panneaux solaires en courant alternatif, lequel est compatible avec les réseaux électriques existants. Ce guide pratique a pour but de présenter les spécificités de ces onduleurs, leurs avantages, et de fournir des conseils pour une installation efficace. En suivant ce guide, vous découvrirez également des ressources additionnelles qui vous aideront à maximiser la performance de votre système photovoltaïque.
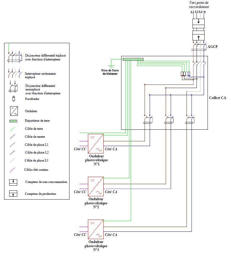
Qu’est-ce qu’un onduleur triphasé photovoltaïque ?
Définition et Fonctionnement
Un onduleur triphasé photovoltaïque, ou onduleur solaire triphasé, est un dispositif qui convertit le courant continu (CC) produit par les panneaux solaires en courant alternatif (CA) triphasé. Ce courant est indispensable pour les installations dans des contextes où de grandes quantités d’électricité doivent être transférées, comme dans les environnements industriels. Contrairement aux onduleurs monophasés qui sont souvent utilisés pour des installations résidentielles, les onduleurs triphasés sont conçus pour offrir une efficacité bien supérieure lors de la conversion de l’énergie.
Structure et Composants
La composition d’un onduleur triphasé photovoltaïque comprend principalement :
- Convertisseur CC-CA : La première étape essentielle dans la transformation de l’énergie.
- Contrôleur MPPT : Ce dispositif permet d’optimiser la récupération d’énergie en maintenant les panneaux à leur point de puissance maximale.
- Filtre d’harmonique : Un composant qui joue un rôle clé dans l’élimination des perturbations.
- Transformateur : Pour assurer l’isolation adéquate entre les différents niveaux de tension.
Avantages des onduleurs triphasés photovoltaïques
Efficacité Énergétique
Les onduleurs triphasés sont reconnus pour leur efficacité élevée, capables d’atteindre des rendements supérieurs à 98%. Cela signifie que très peu d’énergie est perdue lors du processus de conversion, ce qui augmente de manière significative la rentabilité des installations photovoltaïques. En maximisant l’utilisation de l’énergie solaire, ces onduleurs constituent un choix particulièrement judicieux pour les entreprises cherchant à optimiser leurs coûts énergétiques.
Stabilité et Fiabilité
En fournissant une alimentation triphasée, ces onduleurs permettent un meilleur équilibre des charges électriques, minimisant ainsi les perturbations qui peuvent affecter le fonctionnement du système électrique. Ce niveau de stabilité se traduit par une réduction des risques d’incidents électriques, ce qui est essentiel pour les organisations dépendantes d’une source d’énergie régulière.
Évolutivité
Un autre atout des onduleurs triphasés est leur modularité, facilitant l’expansion de la capacité de production d’énergie solaire. Cette caractéristique est particulièrement avantageuse pour les entreprises qui prévoient de croître et d’élargir leur installation énergétique. Une installation modulaire permet d’ajuster les capacités de l’onduleur afin de répondre à des besoins croissants en fonction de la consommation électrique.
Comment choisir un onduleur triphasé photovoltaïque ?
Critères de Sélection
Choisir un onduleur approprié exige une compréhension claire de plusieurs critères de sélection :
- Capacité et Taille du Système : La capacité de l’onduleur doit s’aligner avec la production prévue de l’installation. Pour les projets d’envergure industrielle, des onduleurs à haute capacité sont indispensables.
- Efficacité : Il est crucial de sélectionner un modèle qui possède un haut rendement énergétique, ce qui garantira des pertes minimales et améliorera la rentabilité à long terme.
- Compatibilité et Certification : Le choix doit également tenir compte de la compatibilité avec les autres composants du système, ainsi que des certifications requises (comme IEC, UL, etc.).
- Coût et Garantie : Considérer le coût d’achat initial ainsi que les conditions de garantie offertes est essentiel pour une décision éclairée.
Marques Réputées
Sur le marché, plusieurs marques se distinguent par la qualité de leurs onduleurs triphasés photovoltaïques. Parmi elles figurent :
- Technologie solaire SMA
- Fronius
- Huawei Solaire
Installation et Maintenance des onduleurs triphasés photovoltaïques
Processus d’Installation
La mise en place d’un onduleur triphasé requiert un processus bien structuré :
- Préparation du Site : Vérifiez que le lieu d’installation respecte les réglementations locales. L’espace doit être suffisant pour accueillir l’onduleur, les panneaux solaires, et tous les équipements associés.
- Montage et Connexion : Suivez scrupuleusement les spécifications du fabricant lors de l’installation. Il est essentiel de connecter correctement les câbles des panneaux solaires au convertisseur CC puis de relier la sortie CA au réseau électrique principal.
- Tests et Mise en Service : Réalisez des tests approfondis pour vous assurer du bon fonctionnement de l’onduleur en le synchronisant avec le réseau.
Maintenance Préventive
Pour garantir le bon fonctionnement des onduleurs triphasés, une maintenance régulière est indispensable. Cela inclut l’inspection et le nettoyage des composants pour minimiser l’accumulation de poussière et de débris.
Surveillance à Distance
De nombreux onduleurs modernes sont équipés de systèmes de surveillance à distance, permettant ainsi de suivre les performances en temps réel. Cela facilite l’anticipation des éventuels problèmes et aide à maintenir le système en parfait état.
Innovations et Évolutions Futures
Onduleurs Hybrides
La technologie évolue rapidement, et les onduleurs hybrides commencent à gagner en popularité. Ils intègrent les fonctions des onduleurs solaires traditionnels et des systèmes de stockage d’énergie. Grâce à ces dispositifs, l’énergie excédentaire produite durant la journée peut être stockée pour une utilisation ultérieure, ce qui améliore considérablement la résilience énergétique.
Intégration de l’IA
L’intelligence artificielle joue un rôle croissant dans l’optimisation des systèmes photovoltaïques. Les onduleurs intelligents sont capables d’ajuster automatiquement leurs paramètres selon les conditions climatiques et les habitudes de consommation d’énergie, rendant ainsi le système plus efficace.
Normes Environnementales et Réglementations
Avec l’essor des régulations énergétiques et environnementales, une tendance vers l’adoption d’onduleurs plus efficaces et moins polluants se dessine. Cela pousse les acteurs du secteur à innover et à répondre à de nouvelles normes pour rester compétitifs tout en respectant les exigences écologiques.
FAQ: Questions Fréquemment Posées
Quelle est la durée de vie typique d’un onduleur triphasé photovoltaïque ?
En général, la durée de vie d’un onduleur triphasé photovoltaïque est comprise entre 10 et 15 ans. Certains modèles haut de gamme peuvent durer jusqu’à 20 ans avec une maintenance appropriée.
Puis-je utiliser un onduleur triphasé pour une installation résidentielle ?
Bien que les onduleurs triphasés soient principalement conçus pour des installations commerciales, leur utilisation est possible dans des résidences équipées d’une infrastructure électrique triphasée, bien que cela ne soit pas très courant.
Quels sont les coûts typiques des onduleurs triphasés photovoltaïques ?
Les coûts des onduleurs triphasés varient en fonction de leur capacité, leur marque et leurs caractéristiques supplémentaires. En moyenne, ces dispositifs peuvent coûter entre 1000 et 5000 euros pour les installations de taille moyenne à grande.



1 commentaire