norme installation photovoltaique

découvrez les normes photovoltaïques essentielles pour assurer la qualité et la sécurité de vos installations solaires. restez informé des réglementations en vigueur et optimisez vos projets photovoltaïques.

Norme Installation Photovoltaïque

L’installation de systèmes photovoltaïques en France ne se limite pas simplement à l’achat et à la mise en place de panneaux solaires. Cela fait partie d’un contexte plus large comprenant le respect de normes et de réglementations spécifiques. Ces normes garantissent non seulement la sécurité des installations mais aussi leur efficacité et leur intégration harmonieuse dans l’environnement bâti. Dans cet article, nous explorerons en profondeur les exigences régissant l’installation de systèmes photovoltaïques, mettant en lumière les bonnes pratiques ainsi que les obligations légales à respecter.

Comprendre les Normes de l’Installation Photovoltaïque

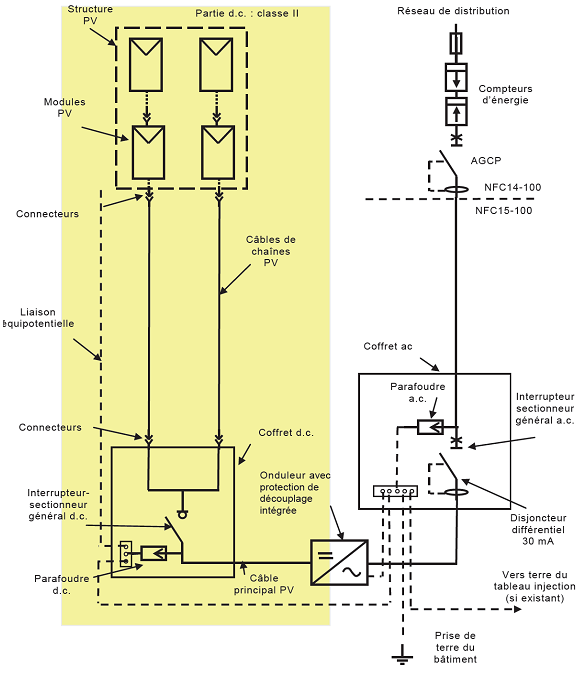
Les normes photovoltaïques en France, parmi lesquelles la norme NF C 15-100, jouent un rôle fondamental dans l’encadrement des installations électriques. Cette norme spécifie les exigences techniques relatives à la conception, à l’installation et à la vérification des installations photovoltaïques. Connaître ces règles est essentiel pour garantir non seulement la conformité légale, mais aussi la sûreté et l’efficacité énergétique des systèmes mis en place.

Démarche à Suivre

Avant de procéder à l’installation, il est nécessaire d’informer les propriétaires sur les étapes à suivre pour adhérer aux normes et réglementations. Cela inclut la consultation du plan local d’urbanisme, la demande d’autorisation de travaux si nécessaire, et la réalisation d’études préalables pour évaluer l’impact de l’installation sur l’environnement. L’intégration de l’esthétique du bâtiment, surtout en copropriété, est aussi un aspect crucial.

norme-photovoltaique norme installation photovoltaique

Démarches Administratives pour l’Installation de Panneaux Solaires

L’installation de panneaux solaires nécessite souvent le respect de plusieurs démarches administratives. Selon la puissance des installations, les demandes d’autorisation peuvent varier. Par exemple, une installation de puissance inférieure à 3 kWc peut ne pas nécessiter de déclaration, mais cela ne s’applique pas à toutes les situations.

Types de Demandes

Pour une installation photovoltaïque dépassant 3 kWc, des démarches préalables telles que la décclaration de travaux ou le permis de construire peuvent s’avérer nécessaires. Les responsables de l’urbanisme local jouent un rôle clé dans ces décisions. Pour les installations dans des zones sensibles, un examen minutieux sera exigé, prenant en compte l’impact environnemental et esthétique de l’installation.

Réglementations Spécifiques pour les Zones Protégées

Les zones protégées en Franceablent de nécessiter une attention particulière lors de l’installation de panneaux solaires. Ces zones comprennent des sites classés, des réserves naturelles et d’autres espaces ayant une importance patrimoniale. Dans ces régions, les normes sont plus strictes, et il est impératif d’obtenir l’approbation d’un Architecte des Bâtiments de France (ABF) pour pouvoir procéder à l’installation.

Documentation Nécessaire

Les démarches administratives peuvent impliquer la soumission d’une demandes d’autorisation et la réalisation d’études d’impact. Pour que la demande soit acceptée, il est crucial de démontrer que le projet respecte à la fois les normes techniques et les considérations environnementales.

norme-photovoltaique norme installation photovoltaique

Impact Environnemental des Installations Photovoltaïques

Les installations photovoltaïques doivent être conçues et mises en œuvre en tenant compte de leur impact environnemental. En effet, une étude d’impact peut être requise pour les projets d’une certaine taille ou dans des zones sensibles. Cela implique d’évaluer les effets potentiels sur la biodiversité, le paysage et les ressources naturelles. Le non-respect de ces exigences peut entraîner des complications administratives et juridiques.

Utilisation Durable des Espaces

Outre les considérations directes d’impact, il convient de réfléchir à la manière dont les panneaux solaires peuvent contribuer à une utilisation durable des espaces. Les projets bien intégrés peuvent non seulement produire de l’électricité renouvelable, mais aussi préserver la biodiversité en adaptant les installations aux environnements locaux.

Normes Techniques et Électriques pour les Installations Photovoltaïques

La conformité aux normes techniques et électriques est essentielle pour ne pas compromettre la sécurité des installations photovoltaïques. La norme NF C 15-100 est une législation clé qui régule les installations électriques à basse tension, assurant que les équipements et les câblages utilisés répondent à des critères de sécurité stricts. Ce cadre technique garantit également l’efficacité et le bon fonctionnement des systèmes photovoltaïques.

Évaluation et Vérification

Avant l’installation, la vérification de la conformité aux normes par un professionnel est conseillée. Cela garantit que toutes les installations sont sûres et fonctionnelles, et qu’elles peuvent être raccordées efficacement au réseau électrique. En faisant appel à des experts, les propriétaires peuvent éviter les complications futures liées à la non-conformité.

norme-photovoltaique-1 norme installation photovoltaique

Conclusion et Ressources Utiles

Pour garantir le succès de votre projet solaire, il est primordial de se renseigner sur les normes d’installation et de respecter toutes les réglementations en place. En accompagnant les propriétaires tout au long du processus de mise en œuvre, il est possible d’optimiser une installation qui respecte la législation sans compromettre la sécurité ni l’efficacité. Consultez des ressources comme ce site pour plus d’informations sur les lois en vigueur et les directives à suivre pour une installation réussie.

Vous avez peut-être manqué

Panneau Photovoltaique Solaire Pro 4.9 (98%) 21238 votes

Recevez votre devis gratuit pour installer des panneaux photovoltaïque

X