mise hors tension installation photovoltaique
Mise hors tension installation photovoltaïque
La mise hors tension d’une installation photovoltaïque est un processus crucial qui garantit la sécurité des intervenants et le bon fonctionnement des systèmes. Cette procédure doit être accompli avec soin et en respectant toutes les normes techniques en vigueur. Au fur et à mesure que l’énergie solaire devient une source d’énergie de plus en plus populaire, il est essentiel de bien comprendre les étapes à suivre lors de la mise hors tension des installations, pour assurer à la fois la sécurité et l’efficacité. Cet article propose une exploration détaillée de cette thématique, avec un accent sur les meilleures pratiques et les erreurs à éviter.
Importance de la mise hors tension
Qu’est-ce que la mise hors tension ?
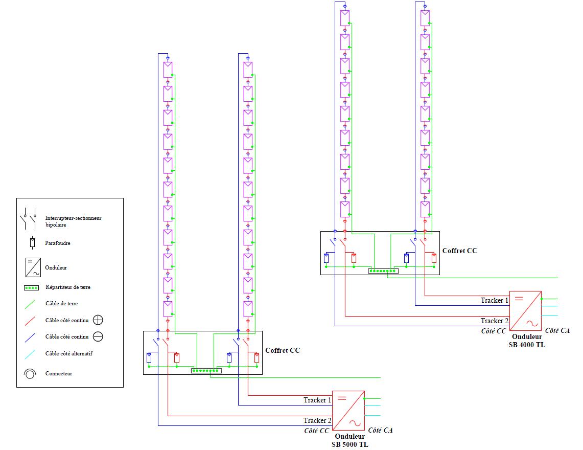
La mise hors tension d’une installation photovoltaïque consiste à déconnecter le système du réseau électrique, garantissant ainsi que l’énergie produite ne soit pas transférée à l’ensemble du réseau. Cette opération est cruciale lors de travaux de maintenance, d’inspection ou de réparations. L’objectif principal est d’éviter tout risque d’électrocution ou d’endommagement des équipements.
Les étapes essentielles à suivre
Pour réaliser une mise hors tension sécurisée, il est indispensable de suivre certaines étapes. Tout d’abord, il faut s’assurer que l’on dispose des outils nécessaires, tels que des gants isolants, un multimètre, et d’autres équipements de protection. Ensuite, il est conseillé de commencer par couper l’alimentation de l’onduleur, puis de déconnecter les panneaux solaires. Enfin, il est important d’isoler toutes les connexions avant d’effectuer toute intervention.
Les erreurs à éviter
L’une des erreurs les plus courantes est de négliger la vérification de l’absence de tension avant de toucher aux installations. Même si l’onduleur est éteint, il reste possible que des tensions résiduelles soient présentes. Utiliser un multimètre pour tester la présence de tension est donc une étape indispensable. De plus, il est important de ne pas travailler seul, afin d’avoir une personne à proximité en cas d’urgence.
Les systèmes photovoltaïques autonomes
Définition et fonctionnement
Un système photovoltaïque autonome fonctionne indépendamment du réseau électrique traditionnel. Il stocke l’énergie produite dans des batteries pour une utilisation ultérieure. La mise hors tension est essentielle dans ce cas, car elle permet de s’assurer que le stock d’énergie est géré correctement, notamment lors de la réalisation de travaux de maintenance sur les batteries.
Spécificités des installations autonomes
Les installations photovoltaïques autonomes comportent des particularités qui diffèrent de celles des systèmes connectés au réseau. Il est impératif de s’assurer que toutes les connexions sont correctement isolées avant la mise hors tension, pour éviter des pertes d’énergie inutiles ou des dommages aux équipements. Les procédures doivent donc être adaptées en fonction de la configuration de l’installation.
Les avantages d’une mise hors tension correcte
La mise hors tension efficace et sécurisée permet de maximiser la durée de vie des équipements et d’assurer un fonctionnement optimal du système. De plus, cela contribue à minimiser les risques d’accidents lors des interventions, en protégeant à la fois les techniciens et les installations. En adoptant des pratiques exemplaires, on renforce la confiance dans l’utilisation de l’énergie solaire.
Intégration avec les systèmes de station d’épuration
Les enjeux de l’installation
Les systèmes photovoltaïques peuvent également être intégrés aux stations d’épuration, où ils jouent un rôle crucial dans la production d’énergie renouvelable. La mise hors tension de ces installations doit être effectuée avec un soin exacerbé, car elles peuvent être soumises à des normes strictes régissant leur fonctionnement. La continuité de service tout en maintenant la sécurité durant les interventions est ainsi primordiale.
Conseils pour une intégration réussie
Lors de l’installation de systèmes photovoltaïques dans des stations d’épuration, il est conseillé de collaborer avec des experts certifiés. Ceux-ci s’assurent que les installations répondent aux exigences locales et nationales tout en respectant les pratiques de mise hors tension sécurisées. La formation continue des équipes est également essentielle pour garantir une bonne maîtrise des méthodes de travail sur ces installations spécifiques.
La maintenance et l’inspection des équipements
La mise hors tension doit être accompagnée d’une maintenance régulière des systèmes photovoltaïques, notamment lorsqu’ils sont utilisés dans des environnements complexes tels que les stations d’épuration. Les équipements doivent être inspectés pour détecter tout signe d’usure ou de défaillance afin de garantir leur longévité et leur efficacité. Établir un calendrier de maintenance préventive est une pratique recommandée.
Réglementations et normes
Normes de sécurité à respecter
Les installations photovoltaïques doivent respecter certaines normes de sécurité pour assurer le bon déroulement des opérations, tant lors de l’installation que de la mise hors tension. Des organismes comme l’Apave fournissent des directives claires qui aident à orienter les professionnels. Connaître et respecter ces normes est essentiel pour prévenir les accidents et assurer des installations fiables.
Formation des techniciens
Pour garantir que les procédures de mise hors tension soient exécutées correctement, il est impératif que les techniciens reçoivent une formation adéquate. Cela inclut des connaissances sur les normes de sécurité, la manipulation des équipements, ainsi que des scénarios d’urgence. La formation régulière est un atout précieux pour maintenir le niveau d’expertise requis sur le terrain.
Conséquences d’une mauvaise mise hors tension
Des erreurs dans le processus de mise hors tension peuvent entraîner des accidents graves, y compris des électrocutions ou des incendies. Une mauvaise gestion des installations peut également nuire à la réputation des entreprises impliquées et à la confiance des clients dans les solutions énergétiques renouvelables. Soyez vigilant et suivez scrupuleusement toutes les procédures établies.



Laisser un commentaire