Installation photovoltaïque de 36 kWc : guide pratique et conseils

découvrez notre guide complet pour l'installation d'un système photovoltaïque de 36 kwc. apprenez étape par étape comment optimiser votre production d'énergie solaire, choisir le bon équipement et maximiser votre retour sur investissement. idéal pour les particuliers et les professionnels souhaitant investir dans les énergies renouvelables.

Avec l’augmentation constante des coûts de l’énergie, l’installation de panneaux solaires photovoltaïques est devenue une solution prisée pour réduire les factures énergétiques. Plus particulièrement, les systèmes de 36 kWc offrent une capacité significative permettant d’optimiser la consommation personnelle tout en contribuant à l’environnement. Les choix efficaces en matière de panneaux solaires, de configuration et de gestion de l’énergie permettent non seulement de maximiser les économies, mais également de jouer un rôle actif dans la transition énergétique.

Ce guide pratique vise à fournir des conseils pertinents, à explorer les étapes clés pour une installation réussie, et à aborder les éléments essentiels à considérer afin d’atteindre une efficacité maximale. Que vous soyez un passionné d’énergie renouvelable ou un novice désireux de se lancer, ces informations seront précieuses pour orienter vos décisions.

Connaître les fondamentaux de l’installation photovoltaïque

Avant de plonger dans le processus d’installation, il est essentiel de maîtriser certains concepts fondamentaux relatifs à l’énergie solaire. L’installation de panneaux photovoltaïques est un investissement qui peut s’avérer rentable, mais elle exige des connaissances de base pour maximiser les avantages.

Les composants de base d’un système photovoltaïque

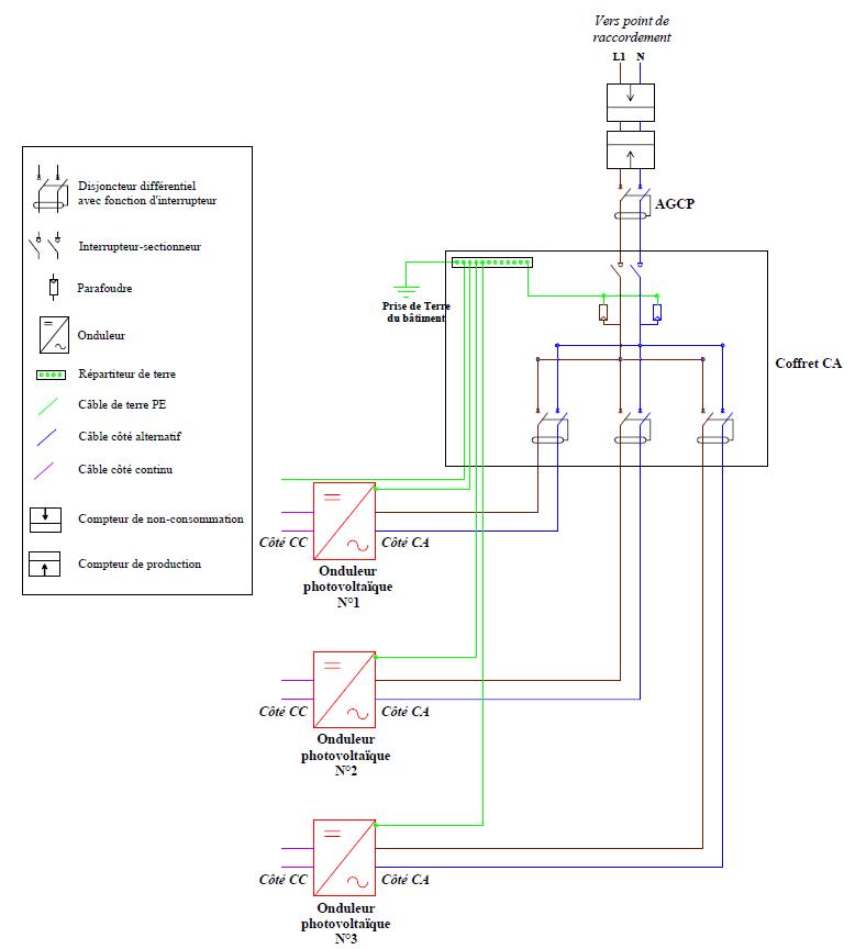
Un système photovoltaïque se compose principalement de panneaux solaires, d’un onduleur, de supports, et souvent de batteries pour le stockage de l’énergie. Les panneaux solaires convertissent la lumière du soleil en électricité, l’onduleur adapte ce courant continu en courant alternatif, et les batteries permettent de stocker l’énergie pour une utilisation ultérieure. Les choix de chaque composant influencent directement le rendement du système.

Comprendre le dimensionnement d’une installation de 36 kWc

La capacité de 36 kWc est particulièrement adaptée à des maisons avec une consommation importante ou à des installations commerciales. Le dimensionnement implique le calcul de la surface nécessaire pour accueillir le nombre adequat de panneaux solaires. Un panneau standard fait environ 1,5 m² et peut produire entre 270 et 400 Wc. Pour une installation de 36 kWc, il faudra donc une surface d’environ 100 à 150 m² pour garantir une performance optimale.

Les réglementations et autorisations

Avant d’installer un système photovoltaïque, il est nécessaire de se renseigner sur les réglementations locales et d’obtenir les autorisations requises. Cela peut inclure des démarches auprès de la mairie pour les permis de construire ou des déclarations préalables si le projet est de grande envergure. Se familiariser avec ces exigences peut éviter des complications légales.

guide-installation-photovoltaique-36-kwc Installation photovoltaïque de 36 kWc : guide pratique et conseils

Choisir les meilleurs panneaux solaires

Le choix des panneaux solaires est une étape cruciale dans le processus d’installation. Les différents types de panneaux disponibles sur le marché peuvent avoir des rendements très variables. Il est important de faire le bon choix pour garantir non seulement l’efficacité, mais également la durabilité du système.

Les types de panneaux solaires

Il existe principalement trois types de panneaux solaires : les panneaux monocristallins, polycristallins et les panneaux à couche mince. Les panneaux monocristallins sont généralement les plus efficaces, mais aussi les plus coûteux. En revanche, les panneaux polycristallins sont moins coûteux mais offrent un rendement légèrement inférieur. Les panneaux à couche mince, quant à eux, sont légers et flexibles, mais nécessitent une plus grande surface.

Évaluer les certifications et garanties

Lors de l’achat, il est essentiel de vérifier les certifications des panneaux. Des normes comme la norme IEC 61215 garantissent que les panneaux ont été testés pour leur fiabilité. De plus, une bonne garantie (minimum 25 ans pour les performances) est un indicateur de qualité. Cela témoigne que le fabricant confie à ses produits une durabilité nécessaire pour un retour sur investissement rapide.

Analyser le rapport coût-bénéfice

Il est aussi important d’analyser le rapport coût-bénéfice. Le prix des panneaux ne doit pas être le seul critère ; il faut évaluer le retour sur investissement sur le long terme, y compris les économies sur les factures d’électricité et les éventuelles aides financières. De nombreux sites tels que SolairePro et Guide Photovoltaïque offrent des comparateurs pour aider dans ce processus.

guide-installation-photovoltaique-36-kwc-1 Installation photovoltaïque de 36 kWc : guide pratique et conseils

La configuration et les choix d’installation

Une installation photovoltaïque efficace ne dépend pas uniquement des panneaux choisis, mais aussi de la façon dont ceux-ci sont configurés. Divers paramètres comme l’orientation, l’inclinaison des panneaux et l’emplacement influencent la production d’énergie. Comprendre ces choix peut permettre d’optimiser la rentabilité du système.

Orientation et inclinaison des panneaux

Pour maximiser la production énergétique, les panneaux doivent être idéalement orientés vers le sud. Une inclinaison de 30 à 35 degrés est généralement recommandée pour capter le maximum de lumière durant l’année. Cette optimisation peut significativement augmenter le rendement global du système.

Les systèmes de fixation adaptés

L’installation des panneaux nécessite également de choisir des systèmes de fixation appropriés. Les systèmes au sol si l’espace le permet ou les systèmes fixes sur les toits sont des options. Des systèmes motorisés peuvent également être envisagés, bien que leur coût soit supérieur, ils permettent un suivi du soleil et améliorent le rendement des panneaux.

Accessibilité et maintenance

Un autre élément à prendre en compte est l’accessibilité pour la maintenance. Une installation difficile d’accès pourrait entraîner des coûts supplémentaires en cas de dépannage ou d’entretien des panneaux. Planifier l’emplacement en tenant compte de la facilité d’entretien est essentiel pour garantir la longévité du système.

guide-installation-photovoltaique-36-kwc Installation photovoltaïque de 36 kWc : guide pratique et conseils

Gestion de l’énergie produite

Une fois le système installé, il est essentiel de bien gérer l’énergie produite pour en tirer le maximum de profit. Cela passe par l’optimisation de la consommation et la compréhension des mécanismes de revente.

Optimiser sa consommation d’énergie

Il est important d’analyser votre consommation énergétique pour comprendre comment utiliser au mieux l’énergie produite par votre système photovoltaïque. Des dispositifs de gestion de l’énergie peuvent aider à diriger et à réguler la consommation aux moments où la production est la plus importante.

Vente d’électricité excédentaire

Il existe des régulations permettant de revendre l’électricité non consommée à des fournisseurs. Cela offre une opportunité supplémentaire pour rentabiliser votre investissement. Se renseigner sur les tarifs d’achat et les contrats avec les fournisseurs d’énergie est crucial pour optimiser ce retour.

Surveillance et maintenance régulières

Un suivi régulier de la production d’énergie permet d’identifier rapidement les potentielles défaillances du système. Des plateformes numériques proposent des outils de monitoring permettant d’avoir une vision claire de la performance de l’installation. Cela facilite également la prise de décision quant aux opérations d’entretien qui peuvent être nécessaires.

guide-installation-photovoltaique-36-kwc-1 Installation photovoltaïque de 36 kWc : guide pratique et conseils

Les aides financières et subventions disponibles

Investir dans une installation photovoltaïque de 36 kWc peut s’avérer onéreux, mais divers dispositifs d’aide et subventions sont mis en place pour faciliter cet investissement. Les aides peuvent grandement influencer le retour sur investissement et nombreux propriétaires ont pu tirer profit de ces dispositifs.

Les aides gouvernementales

Dans plusieurs pays, des aides comme le crédit d’impôt ou les subventions régionales existent pour les installations d’énergie renouvelable. Se tenir informé des changements de réglementation et des nouveaux programmes d’aides est essentiel. Des ressources comme Ecologie.gouv.fr offrent des mises à jour sur les aides disponibles.

Les prêts à taux zéro

Il est également possible d’accéder à des prêts à taux zéro pour financer une pose de panneaux solaires. Cela diminue substantiellement le coût initial. Renseignez-vous auprès des banques pour connaître les options et conditions applicables.

Les aides locales et régionales

Outre les aides nationales, des subventions peuvent être disponibles au niveau local. Renseignez-vous auprès de votre mairie ou des collectivités locales pour découvrir les aides spécifiques à votre région. Des plateformes comme SolairePro peuvent vous orienter dans vos recherches.

Les erreurs courantes à éviter lors de l’installation

Malgré la rentabilité des systèmes photovoltaïques, plusieurs erreurs peuvent nuire à leur efficacité. En connaître les écueils permet de mieux s’en prémunir.

Ne pas faire d’étude préalable

Avant l’installation, il est primordial de faire une étude de faisabilité. Même si des ressources comme des forums peuvent apporter des retours d’expérience, il est essentiel de considérer des données objectives : ensoleillement, ombres éventuelles, orientation de la maison, etc.

Ignorer les besoins en maintenance

Comme tout système, un dispositif photovoltaïque requiert un minimum d’entretien. Négliger cette responsabilité peut conduire à des baisses de performance. Il est recommandé de planifier des audits réguliers pour évaluer l’état général de l’installation.

Sélectionner des équipements de mauvaise qualité

Choisir un fournisseur uniquement sur la base du prix est une erreur courante. Les panneaux solaires sont un investissement à long terme et les produits de qualité inférieure peuvent rapidement nuire à la rentabilité de l’installation. Il est toujours préférable de choisir des marques réputées, même si cela implique un coût initial plus élevé.

guide-installation-photovoltaique-36-kwc-2 Installation photovoltaïque de 36 kWc : guide pratique et conseils

Conclusion et ressources complémentaires

Si vous recherchez des informations supplémentaires, plusieurs ressources sont disponibles pour approfondir vos connaissances sur l’énergie solaire et les installations photovoltaïques. Les forums tels que Forum Photovoltaïque 36kWc sont un excellent endroit pour échanger des idées et poser des questions. De plus, des guides pratiques peuvent vous aider à mieux comprendre les défis et les opportunités liés à l’installation de systèmes solaires. N’hésitez pas à explorer ces plateformes pour renforcer vos connaissances.

Vous avez peut-être manqué

Panneau Photovoltaique Solaire Pro 4.9 (98%) 23498 votes

Recevez votre devis gratuit pour installer des panneaux photovoltaïque

X