Forum sur l’installation photovoltaïque de 36 kW : les clés pour réussir votre projet

découvrez notre forum dédié à l'installation de panneaux photovoltaïques de 36 kw. partagez vos expériences, posez vos questions et trouvez des conseils d'experts pour optimiser votre projet d'énergie solaire. rejoignez notre communauté passionnée et transformez votre toit en source d'énergie renouvelable!

La transition énergétique prend une ampleur grandissante, avec l’énergie solaire comme l’une des solutions les plus prometteuses. Dans ce contexte, l’installation de systèmes photovoltaïques de 36 kW suscite un intérêt croissant. Ce projet ambitieux nécessite une exploration minutieuse et une préparation rigoureuse pour assurer sa réussite. Suivez-nous pour découvrir les étapes cruciales à suivre pour mener à bien votre projet photovoltaïque.

Évaluation de la faisabilité

Avant de vous lancer dans l’installation, la première étape essentielle est une évaluation complète de la faisabilité de votre projet.

Analyse du site

Vous devez examiner attentivement l’ensoleillement de votre site, son orientation et son inclinaison. Il est crucial d’identifier les zones d’ombre potentielles qui pourraient nuire à la production d’énergie. L’outil PVGIS sera d’une aide précieuse pour cette analyse.

Étude des besoins énergétiques

Cela implique une évaluation détaillée de votre consommation actuelle d’énergie. Cette donnée est primordiale pour dimensionner efficacement votre installation. Un calcul précis vous permettra d’optimiser le choix des équipements photovoltaïques et de garantir que votre système répondra à vos besoins au quotidien.

Aspects réglementaires

Ne négligez pas les exigences réglementaires. Cela comprend la vérification des normes en vigueur et l’obtention des autorisations nécessaires. En outre, l’analyse des aides financières disponibles peut considérablement alléger votre investissement initial.

Types de documents Description
Permis de construire Nécessaire selon l’ampleur du projet
Étude d’impact Évaluations des effets potentiels sur l’environnement
forum-installation-photovoltaique-36-kw Forum sur l'installation photovoltaïque de 36 kW : les clés pour réussir votre projet

Choix des équipements photovoltaïques

Une fois la phase d’évaluation terminée, la sélection des composants est primordiale pour garantir l’efficacité à long terme du système.

Panneaux solaires

Le choix entre panneaux polycristallins ou monocristallins doit se faire en considérant la puissance, le rendement, et la garantie fournie par le fabricant. Il est essentiel de sélectionner des modèles ayant un bon rapport qualité-prix.

Onduleurs

Les onduleurs transformant le courant continu en courant alternatif doivent être adaptés à la taille de votre installation. Il est préférable de privilégier les modèles avec un bon coefficient de performance pour minimiser les pertes énergétiques.

Batteries de stockage

Si votre projet le permet, envisagez d’intégrer des batteries de stockage. Ce choix, bien qu’optionnel, peut se révéler stratégique. Les caractéristiques telles que la capacité et la durée de vie des batteries doivent être soigneusement évaluées.

forum-installation-photovoltaique-36-kw-1 Forum sur l'installation photovoltaïque de 36 kW : les clés pour réussir votre projet

Conception et dimensionnement du système

Après avoir choisi les équipements, la conception précise de votre système est la prochaine étape. Cela inclut le dimensionnement et la configuration des panneaux.

Dimensionnement

Le dimensionnement correct en kilowatt-peak (kWp) se base sur une étude approfondie de votre consommation, vous permettant ainsi de définir la capacité qui répondra efficacement à vos besoins.

Configuration des panneaux

Il est crucial de planifier l’agencement des panneaux avec soin. Assurez-vous d’optimiser leur orientation pour maximiser les gains solaires. Une mauvaise configuration peut entraîner une production d’énergie non optimale.

Simulation de performance

Utilisez des logiciels de simulation pour estimer la production d’énergie tout au long de l’année. Cela vous procurera une vision claire des performances anticipées et aidera à ajuster votre projet en conséquence.

forum-installation-photovoltaique-36-kw-2 Forum sur l'installation photovoltaïque de 36 kW : les clés pour réussir votre projet

Démarches administratives et légales

Avant de procéder à l’installation, il est essentiel de régler les aspects administratifs.

Demandes de permis et conformité

Engagez les démarches nécessaires pour obtenir les permis requis. Cela implique souvent des enquêtes sur la conformité avec le Plan Local d’Urbanisme (PLU). Chaque commune peut avoir ses propres régulations, facilitant ainsi le processus d’approbation.

Raccordement au réseau électrique

Si votre projet le nécessite, il faut également entamer une demande de raccordement au réseau électrique. Ce processus peut être long, donc il est conseillé d’anticiper cette étape suffisamment à l’avance.

Contrats de vente d’électricité

Enfin, envisagez de signer un contrat de vente pour l’électricité produite, optimisant ainsi le retour sur investissement de votre installation. Cette étape est particulièrement importante si vous envisagez de revendre de l’électricité à un fournisseur.

forum-installation-photovoltaique-36-kw-3 Forum sur l'installation photovoltaïque de 36 kW : les clés pour réussir votre projet

Installation du système photovoltaïque

Cette étape doit être réalisée par des professionnels qualifiés pour garantir la conformité aux normes de sécurité.

Préparation du site

Assurez-vous que le site est préparé pour faciliter l’installation. Cela inclut l’accès aux équipements et la préparation des surfaces pour les montages.

Pose des panneaux

Les panneaux doivent être installés de manière sécurisée, en suivant les schémas de conception. Chaque panneau doit être correctement fixé pour supporter les conditions climatiques de la région.

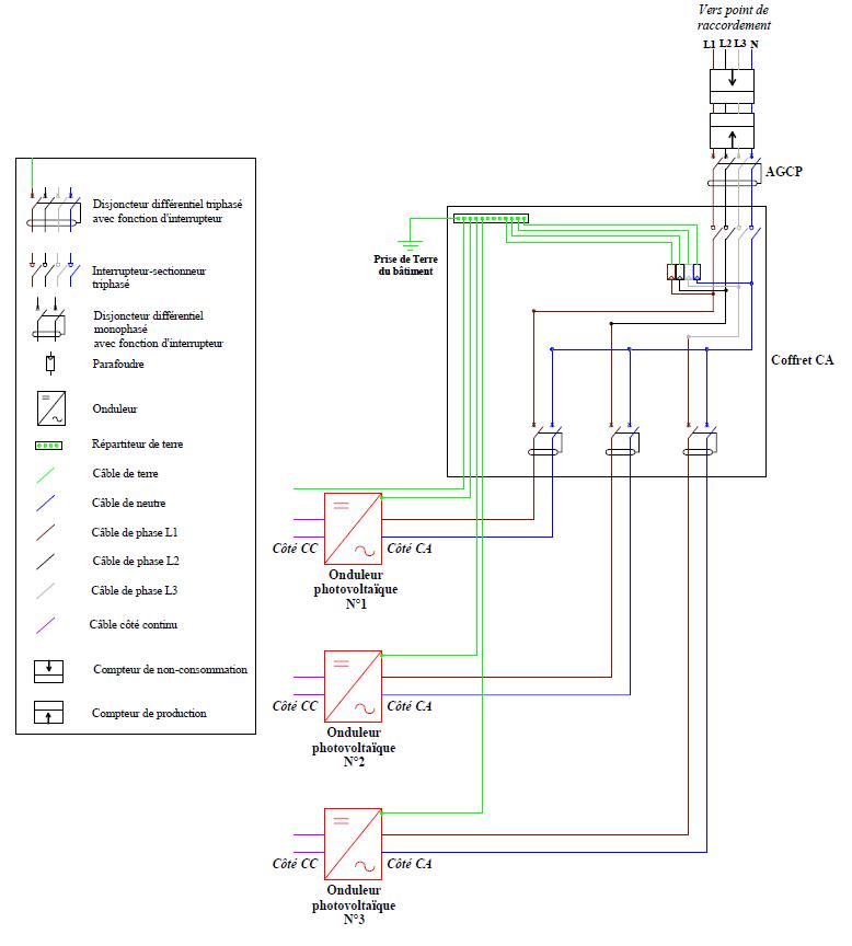
Établissement de la connexion

Une fois les panneaux installés, le câblage doit être réalisé conformément aux normes électriques. Cette étape est cruciale pour garantir la sécurité et le bon fonctionnement de l’installation. Ensuite, l’onduleur doit être installé à proximité des panneaux pour minimiser les pertes de courant.

forum-installation-photovoltaique-36-kw-4 Forum sur l'installation photovoltaïque de 36 kW : les clés pour réussir votre projet

Mise en service et suivi du système

Une fois tout installé, plusieurs vérifications doivent être effectuées avant de mettre votre système en service.

Inspection et tests

Un professionnel doit vérifier que chaque composant fonctionne correctement et que l’installation respecte les normes en vigueur. Une attention particulière doit être portée aux connexions électriques et à l’étanchéité des installations.

Mise en service

Activation du système par les techniciens, généralement cela inclut le calibrage des onduleurs pour assurer un fonctionnement optimal. Les expériences de mise en route jouent un rôle essentiel dans la performance future du système.

Suivi de la performance

Enfin, il est recommandé d’installer un système de monitoring pour suivre en temps réel la production d’énergie et identifier toute défaillance éventuelle. Des logiciels de suivi peuvent vous aider à analyser les données et évaluer l’efficacité de l’installation.

forum-installation-photovoltaique-36-kw-5 Forum sur l'installation photovoltaïque de 36 kW : les clés pour réussir votre projet

Maintenance et exploitation du système photovoltaïque

Vous avez réussi à installer votre système ; il est maintenant crucial d’établir une stratégie de maintenance pour assurer sa durabilité.

Entretien préventif

Un entretien régulier et des inspections permettent de prévenir les problèmes avant qu’ils ne surviennent. Cela inclut le nettoyage des panneaux solaires pour maintenir leur performance.

Maintenance corrective

En cas de défaillance, il est important d’intervenir rapidement pour corriger le problème afin de minimiser l’impact sur la production d’énergie. Des vérifications régulières et une réactivité sont des atouts majeurs pour garantir le bon fonctionnement de votre système.

Suivi des performances

Analysez régulièrement les données de production. Cela vous permettra d’évaluer la performance de votre système et d’apporter les modifications nécessaires pour optimiser la production d’énergie.

forum-installation-photovoltaique-36-kw Forum sur l'installation photovoltaïque de 36 kW : les clés pour réussir votre projet

Vous avez peut-être manqué

Panneau Photovoltaique Solaire Pro 4.9 (98%) 25969 votes

Recevez votre devis gratuit pour installer des panneaux photovoltaïque

X