Formation à l’installation photovoltaïque : guide complet en PDF

découvrez notre guide d'installation photovoltaïque pour tout savoir sur l'installation de panneaux solaires. suivez nos conseils pratiques et optimisez votre transition énergétique tout en réduisant vos factures d'électricité.

Le secteur des énergies renouvelables ne cesse de croître, et parmi les domaines les plus prometteurs se trouve l’installation photovoltaïque. Cette formation est essentielle pour quiconque souhaite maîtriser les techniques et les défis liés à la mise en place de systèmes photovoltaïques. Le présent guide est conçu pour vous offrir un aperçu détaillé de l’installation photovoltaïque, en mettant l’accent sur les enjeux, les coûts et les simulations de projets énergétiques. En comprenant ces éléments, vous pourrez mieux vous préparer à intégrer cette précieuse compétence dans votre répertoire professionnel.

Ce document fournit des informations claires sur la manière dont un simulateur d’installation photovoltaïque peut optimiser votre projet énergétique. La précision des estimations de coûts et le choix de l’équipement peuvent faire toute la différence dans le succès d’une installation. Il est également primordial de connaître le véritable coût de la pose de panneaux photovoltaïques, afin de prendre des décisions éclairées concernant les investissements futurs dans les énergies renouvelables.

Les fondamentaux de l’installation photovoltaïque

Comprendre ce qu’est une installation photovoltaïque est la première étape pour ceux qui s’engagent dans ce domaine. Ces systèmes fournissent une alternative durable aux sources d’énergie conventionnelles en convertissant la lumière du soleil en électricité. En tenant compte des facteurs tels que l’ensoleillement, l’orientation des panneaux et la technologie utilisée, chaque projet devient unique.

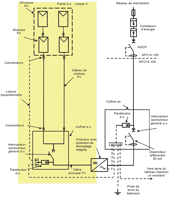
Qu’est-ce qu’un système photovoltaïque ?

Un système photovoltaïque est généralement composé de plusieurs composants essentiels comprenant des panneaux solaires, un onduleur, des batteries (pour le stockage d’énergie) et le matériel de montage. Les panneaux solaires sont souvent la première chose qui nous vient à l’esprit, mais leur intégration avec d’autres éléments est tout aussi cruciale. De nombreux utilisateurs ne réalisent pas que le choix de l’onduleur, par exemple, a un impact significatif sur l’efficacité globale du système.

Les enjeux de l’installation photovoltaïque

Les enjeux liés à l’installation photovoltaïque sont nombreux. Il s’agit non seulement de comprendre la technicité des installations, mais aussi d’avoir une bonne appréhension des réglementations en vigueur, des aides financières disponibles et des meilleures pratiques. Se former sur ces sujets permet de réduire les erreurs et d’assurer une transition en douceur lors de l’installation.

guide-installation-photovoltaique-43 Formation à l'installation photovoltaïque : guide complet en PDF

Simulateur d’installation photovoltaïque : un outil incontournable

L’utilisation d’un simulateur d’installation photovoltaïque est essentielle pour quiconque envisage de lancer un projet. Ce type de logiciel permet de modéliser différents scénarios en fonction des spécificités du site. Par exemple, un simulateur peut prendre en compte l’orientation de la toiture, l’inclinaison des panneaux, les ombres portées par des arbres ou d’autres bâtiments, et bien d’autres facteurs pour évaluer le rendement énergétique élevé que vous pourriez espérer.

Pourquoi utiliser un simulateur ?

Un simulateur aide à estimer le retour sur investissement en offrant une visualisation des économies à long terme. De plus, il vous informe sur la quantité d’énergie que vous pouvez produire en fonction des conditions environnementales et techniques de votre espace. Cela vous permet de faire des choix éclairés concernant la taille et le type de panneau qui répondra le mieux à vos besoins.

Comment bien choisir son simulateur ?

Il existe de nombreux simulateurs sur le marché, chaque outil ayant ses propres caractéristiques. Lors du choix d’un simulateur, il est important de vérifier sa précision, ses mises à jour et son niveau de détail. Les meilleurs simulateurs sont ceux qui offrent une interface conviviale et des informations détaillées sur chaque composant à installer, ce qui facilite considérablement le travail des installateurs.

guide-installation-photovoltaique-196 Formation à l'installation photovoltaïque : guide complet en PDF

Coûts réels de la pose de panneaux photovoltaïques

Comprendre le coût de la pose de panneaux photovoltaïques est crucial pour toute personne qui envisage une installation. Les prix varient considérablement en fonction de différents critères tels que la technologie choisie, le nombre de panneaux, les frais d’installation, et les options de financement. Une estimation mal informée pourrait aboutir à des surprises imprévues.

Facteurs influençant le coût

Les coûts peuvent découler de plusieurs facteurs, notamment : l’emplacement géographique, les honoraires professionnels, le type de structure qui accueillera les panneaux, ainsi que les exigences spécifiques en matière d’autorisation. Il est important de faire réaliser plusieurs devis pour avoir une idée précise des dépenses à engager. Cela permet également de comparer les offres de différents prestataires.

Le financement des projets photovoltaïques

Le financement représente également un aspect important à considérer. De nombreuses institution proposent des prêts et des subventions afin d’encourager l’adoption des énergies renouvelables. Il est judicieux de se renseigner sur les aides disponibles, telles que celles proposées par l’État, les communes, ou même les fournisseurs d’énergie. Un bon accompagnement peut faire la différence et faciliter la réalisation de votre projet.

guide-installation-photovoltaique-197 Formation à l'installation photovoltaïque : guide complet en PDF

Les bénéfices de l’énergie photovoltaïque

Opter pour l’énergie photovoltaïque présente de nombreux avantages significatifs. En plus d’être une source d’énergie renouvelable, elle permet de réduire les coûts d’électricité et de diminuer les émissions de carbone. Ce choix est de plus en plus plébiscité par les particuliers, les entreprises, et les collectivités locales.

Économies sur les factures d’électricité

La possibilité de diminuer vos factures d’électricité est l’un des principaux avantages de l’installation de panneaux solaires. En produisant votre propre électricité, vous améliorez votre autonomie énergétique tout en réduisant votre dépendance aux fournisseurs d’énergie. Le retour sur investissement est souvent visible rapidement, avec des économies pouvant atteindre 70 à 80 % sur les factures annuelles.

Impacts environnementaux positifs

Les impacts environnementaux découlant de l’utilisation de l’énergie photovoltaïque sont également substantiels. Cette technologie contribue à la lutte contre le changement climatique en maintenant de faibles taux d’émissions de gaz à effet de serre. Les projets d’énergie renouvelable respectent souvent les normes écologiques, favorisant ainsi le développement durable.

guide-installation-photovoltaique-198 Formation à l'installation photovoltaïque : guide complet en PDF

Préparer votre projet d’installation photovoltaïque

Avant de lancer votre projet d’installation photovoltaïque, plusieurs étapes sont essentielles pour assurer son succès. L’évaluation de votre consommation d’électricité, l’analyse de l’emplacement et la compréhension des différents types d’équipements sont autant de facteurs à considérer. Établir un projet solide vous permettra d’éviter bien des tracas par la suite.

Évaluation des besoins énergétiques

La première étape consiste à comprendre vos besoins énergétiques. Que vous souhaitiez réduire vos factures ou devenir totalement autonome, cette évaluation est cruciale. Faire un bilan énergétique permet de déterminer la taille du système dont vous avez besoin et donc, le nombre de panneaux à installer. Il existe des outils et des logiciels qui peuvent vous aider à réaliser cette analyse.

Analyse de l’emplacement et des conditions

Par la suite, l’emplacement où les panneaux seront installés est un facteur significatif. La disposition de votre toiture ou l’espace disponible sur le terrain peut influencer non seulement le nombre de panneaux que vous pouvez installer, mais aussi leur orientation pour maximiser le rendement. Il peut être utile de faire appel à un professionnel pour une analyse approfondie et des recommandations personnalisées.

Avenir du photovoltaïque et nouvelles tendances

Enfin, le domaine de l’énergie photovoltaïque continue d’évoluer avec de nouvelles tendances et technologies. De l’amélioration de l’efficacité des panneaux solaires à l’intégration de nouveaux systèmes de stockage, l’avenir est prometteur pour ceux qui s’intéressent à cette industrie.

Les innovations techniques

Les avancées techniques sont justement ce qui rend le photovoltaïque si attractif. Les nouvelles générations de panneaux solaires, plus efficaces, sont non seulement capables de capter plus de lumière, mais également de le faire dans des conditions peu idéales. Cela signifie que même dans des environnements moins ensoleillés, ces technologies continueront à produire de l’énergie.

Le stockage d’énergie, un enjeu majeur

Les systèmes de stockage d’énergie deviennent de plus en plus indispensables pour maximiser l’utilisation de l’énergie produite. Les batteries qui permettent de stocker l’électricité pour une utilisation ultérieure changent la donne. Elles permettent également une indépendance énergétique accrue, surtout pour les installations résidentielles. En intégrant ces nouvelles technologies, nous pourrions voir un véritable changement dans le paysage énergétique.

guide-installation-photovoltaique-44 Formation à l'installation photovoltaïque : guide complet en PDF

Conclusion potentielle et implications futures

Alors que de nouvelles réglementations et des innovations technologiques façonnent le domaine, l’avenir de l’énergie photovoltaïque semble plus prometteur que jamais. Avec le bon accompagnement et des choix éclairés, chaque projet peut devenir un exemple de durabilité et d’efficacité énergétique.

Vous avez peut-être manqué

Panneau Photovoltaique Solaire Pro 4.9 (98%) 20197 votes

Recevez votre devis gratuit pour installer des panneaux photovoltaïque

X