dimensionnement installation photovoltaique tertiaire

découvrez les étapes clés du dimensionnement photovoltaïque pour optimiser votre installation solaire. apprenez à évaluer vos besoins énergétiques, choisir les panneaux adaptés et maximiser votre production d'énergie renouvelable tout en réduisant votre empreinte carbone.

Dimensionnement Installation Photovoltaïque Tertiaire

La mise en place d’un système photovoltaïque dans le secteur tertiaire exige une approche minutieuse, notamment en matière de dimensionnement. Les entreprises et institutions doivent assurer que leur installation répondra aux besoins énergétiques tout en maximisant l’utilisation de l’énergie produite. Avec l’augmentation des coûts énergétiques, s’équiper de panneaux solaires devient non seulement une solution écologique, mais également économique. Ce guide explore les différentes étapes et considérations nécessaires pour dimensionner efficacement une installation photovoltaïque dans un environnement tertiaire.

Importance du Dimensionnement Correct

Le dimensionnement correct d’une installation photovoltaïque est crucial afin d’optimiser le retour sur investissement et de garantir l’autoconsommation. Beaucoup d’entreprises commettent l’erreur de sous-dimensionner leurs systèmes dans l’espoir d’atteindre un pourcentage élevé d’autoconsommation. Ce choix peut s’avérer contre-productif, entraînant des coûts supplémentaires dus à une surconsommation. Une étude approfondie des besoins énergétiques est donc indispensable.

dimensionnement-photovoltaique-60 dimensionnement installation photovoltaique tertiaire

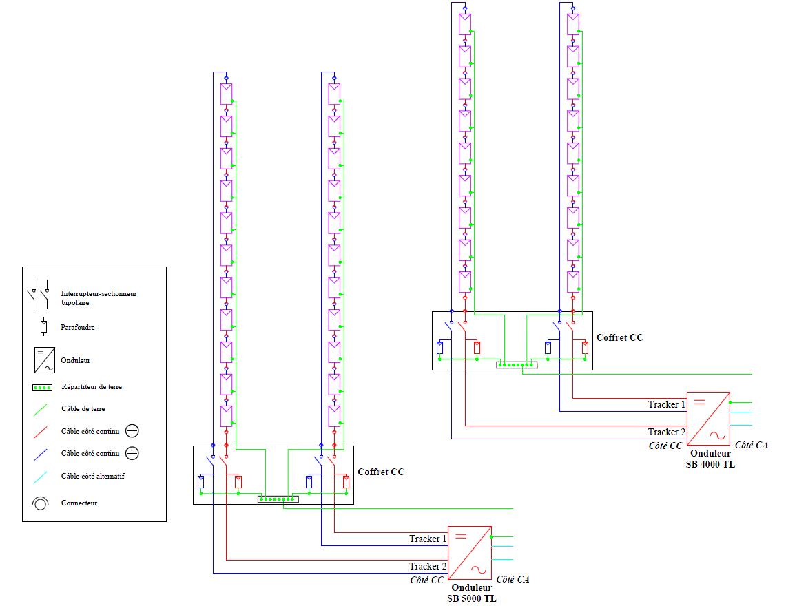
Les Composants d’un Système Photovoltaïque

Un système photovoltaïque se compose principalement de panneaux solaires, d’un onduleur, et d’un système de stockage. Les panneaux captent l’énergie solaire, l’onduleur convertit cette énergie en courant alternatif, et le système de stockage permet de conserver l’énergie pour une utilisation ultérieure. Le choix de chaque composant doit s’appuyer sur des spécifications techniques précises et des études prédictives des besoins de consommation énergétiques.

Analyse de la Consommation Énergétique

Il est essentiel de réaliser une analyse de la consommation énergétique pour définir le dimensionnement optimal du système. Cette analyse doit tenir compte des périodes d’inoccupation des bâtiments, notamment lors des pics de production d’énergie solaire. Les périodes de forte ensoleillement doivent s’accompagner d’une forte consommation, ce qui n’est pas toujours le cas, surtout si le bâtiment est inoccupé.

dimensionnement-photovoltaique-29 dimensionnement installation photovoltaique tertiaire

Évaluation des Besoins en Énergie

Pour une évaluation précise, il est recommandé d’analyser la consommation d’énergie sur une période d’un an. Cela inclut le relevé des factures d’électricité et l’identification des pics de consommation. Les entreprises doivent également anticiper d’éventuels changements dans leur consommation, tels que l’ajout de nouveaux équipements ou l’expansion des locaux, ce qui pourrait influencer leur consommation d’énergie à long terme.

Estimation de la Production d’Énergie Solaire

Il s’agit ensuite d’estimer la production d’électricité solaire, qui dépendra des spécificités de la localisation, notamment de l’ensoleillement annuel. Des outils de simulation et des logiciels dédiés peuvent modéliser la production d’énergie anticipée, intégrant des facteurs comme l’orientation et l’inclinaison des panneaux. Chaque cas est unique, et des simulations précises permettent de prévoir le rendement énergétique du système installé.

dimensionnement-photovoltaique-61 dimensionnement installation photovoltaique tertiaire

Facteurs Influents sur la Production

Plusieurs facteurs doivent être considérés lors de l’estimation de la production d’énergie solaire, comme la météo locale, les conditions d’ensoleillement et l’étendue de l’ombre causée par des bâtiments ou des arbres environnants. Pour maximiser la production, il est crucial de positionner les panneaux solaires de manière optimale afin d’éviter les ombres portées tout au long de la journée.

Dimensionnement de l’Installation Photovoltaïque

Le dimensionnement d’une installation photovoltaïque se fait en tenant compte des besoins énergétiques et des capacités de production identifiées. Une règle générale consiste à multiplier la consommation quotidienne par le nombre de jours nuageux prévus dans l’année pour déterminer la taille nécessaire de l’installation. Identifier la puissance crête idéale est un élément clé pour ajuster la taille du système aux besoins spécifiques de l’entreprise.

dimensionnement-photovoltaique-62 dimensionnement installation photovoltaique tertiaire

Modèles Économiques d’Autoconsommation

Explorer les modèles économiques d’autoconsommation partielle ou totale est essentiel lors de la planification d’une installation photovoltaïque. Alternativement, certaines entreprises choisissent de revendre l’excédent d’énergie au réseau, mais cela engage des démarches administratives et des coûts additionnels. Il est donc crucial de choisir le modèle d’utilisation d’énergie qui maximisera les avantages financiers tout en répondant aux besoins énergétiques quotidiens.

Entretien et Maintenance des Systèmes Photovoltaïques

Une fois l’installation mise en place, l’entretien régulier est fondamental pour assurer son bon fonctionnement. Cela inclut le nettoyage des panneaux solaires pour éliminer la poussière et la saleté, ce qui pourrait obstruer la production d’énergie. Des vérifications périodiques des composants sont également recommandées afin d’identifier des pièces défectueuses et d’éviter des pannes futures, maximisant ainsi la durée de vie et l’efficacité du système.

dimensionnement-photovoltaique-30 dimensionnement installation photovoltaique tertiaire

Surveillance des Performances

Établir un système de surveillance permet aux entreprises de suivre la production d’énergie en temps réel. Grâce à cette technologie, des anomalies peuvent être rapidement détectées, aidant à préserver les performances et l’efficacité de l’installation. Les systèmes de monitorage offrent également des rapports détaillés sur la production d’énergie, favorisant ainsi des prises de décision informées à l’avenir.

Légalité et Règlementation

Lors de l’installation d’un système photovoltaïque, il est crucial de se conformer aux diverses réglementations en vigueur. Les entreprises doivent vérifier la législation locale en matière d’énergie solaire, ainsi que les normes de construction qui peuvent impacter le type de structure à installer. Chaque région a ses propres exigences, et se familiariser avec celles-ci dès le début assurera une conformité totale tout au long du processus d’installation.

Avantages Fiscaux et Subventions

Les entreprises peuvent également bénéficier d’avantages fiscaux et de subventions gouvernementales pour l’installation de systèmes photovoltaïques. Informez-vous sur les dispositifs d’aide existants et explorez toutes les pistes pour réduire les coûts d’investissement initial. Ces mesures incitatives peuvent influencer positivement le souhait de passer à l’énergie solaire tout en augmentant l’attractivité économique de l’installation.

Vous avez peut-être manqué

Panneau Photovoltaique Solaire Pro 4.9 (98%) 17997 votes

Recevez votre devis gratuit pour installer des panneaux photovoltaïque

X