dimensionnement installation photovoltaique hors resau

découvrez le dimensionnement photovoltaïque, une étape cruciale pour maximiser l'efficacité de vos installations solaires. apprenez à calculer la taille optimale de votre système, en tenant compte de vos besoins énergétiques et des spécificités de votre site, afin de garantir un rendement optimal et des économies d'énergie durables.

Dimensionnement d’une Installation Photovoltaïque Hors Réseau

Le dimensionnement d’une installation photovoltaïque hors réseau est essentiel pour garantir une autonomie totale en énergie. Cette approche permet de répondre à des besoins variés, allant de l’alimentation de maisons isolées à des installations plus complexes pour des entreprises. L’importance de bien évaluer la production d’énergie nécessaire ainsi que la taille adéquate des équipements ne peut être sous-estimée. Ce guide propose des étapes claires et des conseils pratiques pour vous aider à réussir ce projet ambitieux.

Pourquoi opter pour une installation hors réseau ?

Choisir de mettre en place une installation photovoltaïque hors réseau offre de nombreux avantages. L’un des principaux motifs est l’indépendance énergétique. Dans des régions éloignées, où l’accès à une alimentation électrique régulière via le réseau est limité, le photovoltaïque permet de produire de l’énergie à partir d’une ressource renouvelable.

De plus, une telle installation est souvent plus économique sur le long terme. Bien que le coût initial puisse sembler élevé, la réduction des factures d’énergie et l’absence de loyer pour l’utilisation d’une connexion au réseau peuvent rapidement compenser cet investissement.

Les étapes du dimensionnement

Le dimensionnement d’une installation photovoltaïque nécessite une méthodologie rigoureuse. Voici les principales étapes :

  • Évaluation des besoins énergétiques : La première étape consiste à déterminer la consommation quotidienne d’énergie.
  • Analyse de l’ensoleillement : Il est crucial d’évaluer l’ensoleillement de votre région pour estimer la production d’énergie.
  • Calcul de la taille du système : Sur la base des données précédentes, déterminez la taille de l’installation nécessaire.
dimensionnement-photovoltaique-24 dimensionnement installation photovoltaique hors resau

Évaluation des besoins énergétiques

Pour dimensionner correctement une installation, commencez par estimer vos besoins énergétiques quotidiens. Cette évaluation est basée sur la durée de fonctionnement de chaque appareil, le nombre d’appareils, et leur consommation électrique. Par exemple, un réfrigérateur peut consommer environ 24 kWh par mois, alors qu’un ordinateur portable peut utiliser environ 50 kWh par an.

Il est également recommandé de prévoir une marge de sécurité pour les pics de demande. Une évaluation précise vous permettra de mieux dimensionner votre installation et d’éviter les surprises lors de son exploitation.

Exemple de calcul

Supposons qu’un foyer utilise les appareils suivants :

  • Réfrigérateur : 1 kWh/jour
  • Éclairage : 2 kWh/jour
  • Appareil de cuisson : 3 kWh/jour

Le besoin énergétique total sera donc de 6 kWh/jour. C’est ce chiffre qui servira de base pour dimensionner votre système solaire.

Analyse de l’ensoleillement

L’évaluation des conditions d’ensoleillement est également cruciale pour dimensionner une installation photovoltaïque. En fonction de votre localisation, le nombre d’heures d’ensoleillement par jour peut varier considérablement. Utilisez des données historiques pour obtenir une estimation de l’insolation dans votre région.

Une règle générale est que chaque kilowatt-crête (kWc) de panneaux solaires peut produire entre 900 et 1400 kWh par an, selon l’ensoleillement. Il faut donc tenir compte de la surface disponible, du type de panneaux et du moyen de fixation pour réaliser une installation efficace.

dimensionnement-photovoltaique-25 dimensionnement installation photovoltaique hors resau

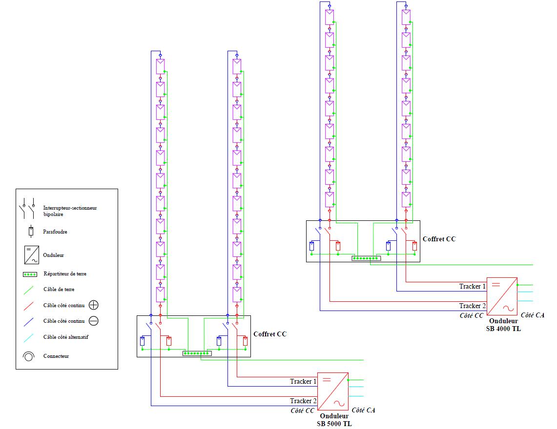
Choisir les composants de l’installation

Les composants d’une installation photovoltaïque comprennent des panneaux solaires, un onduleur et des systèmes de stockage. Il est important de sélectionner des composants de qualité pour assurer la durabilité et le fonctionnement efficace de l’installation. Les panneaux solaires peuvent varier en termes de performance. Privilégier des modèles avec un bon rendement peut réduire le besoin en surface.

Le choix de l’onduleur est également critique. Un bon onduleur doit être capable de gérer les fluctuations de production d’énergie et de s’adapter à une consommation en constante évolution, tout en optimisant le rendement global du système.

Les systèmes de stockage

Les batteries jouent un rôle clé dans une installation hors réseau. Elles permettent de stocker l’énergie produite durant la journée pour une utilisation nocturne. La capacité des batteries doit être choisie en fonction des besoins spécifiques et de l’autonomie souhaitée.

Les batteries différentes, comme les batteries au lithium ou plomb-acide, ont des caractéristiques et coûts distincts. Faites des recherches approfondies pour choisir le système qui convient le mieux à vos besoins et à votre budget.

Conseils pour l’optimisation de l’installation

Pour maximiser l’efficacité de votre installation photovoltaïque, plusieurs pratiques peuvent être appliquées. Commencez par une bonne orientation et inclinaison des panneaux. Cela permet de maximiser l’exposition au soleil, augmentant ainsi la production d’énergie.

De plus, une maintenance régulière des panneaux solaires prolonge leur durée de vie. Assurez-vous que les panneaux sont propres et bien entretenus, pour maintenir un rendement optimal.

dimensionnement-photovoltaique-50 dimensionnement installation photovoltaique hors resau

Évaluation des coûts

Le dimensionnement d’une installation hors réseau doit également prendre en consideration les coûts d’installation et de maintenance. Bien que le coût initial puisse sembler prohibitif, n’oubliez pas de considérer les économies réalisées sur votre facture d’énergie à long terme. Un bon retour sur investissement est souvent réalisable en moins de dix ans.

Tendances futures du photovoltaïque hors réseau

Le secteur des énergies renouvelables est en constante évolution, avec des avancées technologiques en matière de stockage, d’efficacité des panneaux solaires et d’intégration dans les réseaux. Les systèmes hors réseau gagnent en popularité, surtout dans les zones rurales, où l’accès au réseau est difficile.

À mesure que les coûts de production solaire diminuent et que la prise de conscience des enjeux environnementaux augmente, il est probable que l’intérêt pour les systèmes photovoltaïques hors réseau augmentera exponentiellement.

Le rôle des politiques publiques

Le soutien gouvernemental et les incitations fiscales jouent un rôle fondamental dans la promotion des installations photovoltaïques hors réseau, encourageant non seulement les particuliers mais aussi les entreprises à investir dans ces solutions durables. Les innovations réglementaires pourraient encore stimuler ce marché dans les années à venir.

dimensionnement-photovoltaique-51 dimensionnement installation photovoltaique hors resau

Vous avez peut-être manqué

Panneau Photovoltaique Solaire Pro 4.9 (98%) 18356 votes

Recevez votre devis gratuit pour installer des panneaux photovoltaïque

X