branchement panneaux solaires

découvrez tout ce qu'il faut savoir sur le branchement photovoltaïque : méthodes, avantages et conseils pour optimiser votre installation solaire. transformez l'énergie solaire en électricité et réduisez vos factures d'énergie dès aujourd'hui !

Branchement Panneaux Solaires : Guide Complet

Le branchement des panneaux solaires est une étape cruciale pour optimiser l’utilisation de l’énergie solaire à domicile. À travers cet article, nous allons explorer en détail les différents aspects liés à l’installation et au raccordement de ces équipements, y compris les normes en vigueur, les procédures d’installation, et les avantages de la technologie solaire.

Avec les récentes évolutions législatives, il devient de plus en plus accessible d’intégrer des panneaux solaires dans nos foyers. Que ce soit pour réduire sa facture d’électricité ou pour contribuer à la transition énergétique, comprendre comment brancher des panneaux solaires est essentiel. Nous aborderons aussi bien les aspects techniques que les incitations financières qui peuvent accompagner cette démarche.

Normes et Règlementations

En France, le cadre juridique autour du raccordement des panneaux solaires a évolué, facilitant considérablement leur installation. Depuis 2017, des kits solaires plastifiés ont été autorisés, permettant un branchement direct sur une prise secteur, simplifiant ainsi les démarches pour les particuliers. Ce type d’équipement, connu sous le nom de kits solaires plug-and-play, requiert cependant des conditions strictes pour garantir la sécurité.

Les évolutions des normes en Belgique

À l’échelle européenne, la Belgique a récemment annoncé une mise à jour des normes en matière de panneaux solaires. La fédération belge Synergrid a autorisé l’utilisation de kits solaires plug-and-play, modifiant ainsi la norme C10/11. Cela marque un tournant pour les utilisateurs belges, qui pourront dès mai 2025 installer des panneaux solaires sans travaux complexes. Cette avancée répond à une demande croissante pour des solutions d’énergie renouvelable plus accessibles et faciles à mettre en œuvre.

branchement-photovoltaique branchement panneaux solaires

Méthodes de Branchement

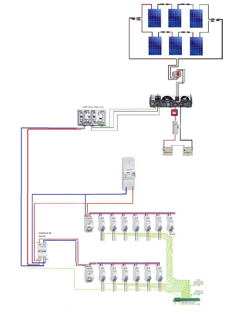
Le branchement de panneaux solaires peut se faire de plusieurs manières en fonction de vos installations et de vos besoins. Les options principales sont le branchement en série et en parallèle. Ces deux configurations ont des implications différentes sur la performance de l’installation.

Branchement en série

Le branchement en série consiste à connecter les panneaux les uns aux autres, ce qui augmente la tension tout en maintenant la même intensité. Cette méthode est souvent utilisée dans les systèmes où l’espace est limité et où il est nécessaire de maximiser la production d’énergie à partir d’un nombre restreint de panneaux.

Branchement en parallèle

Le branchement en parallèle permet de conserver la même tension tout en augmentant l’intensité. Cela signifie que chaque panneau fonctionne indépendamment, ce qui est idéal pour les installations de grande taille ou lorsqu’il y a des ombres sur certaines parties du système. Cette méthode assure également une meilleure durabilité, car si l’un des panneaux rencontre un problème, les autres continuent à fonctionner normalement.

branchement-photovoltaique branchement panneaux solaires

Le Raccord au Réseau Électrique

Une fois vos panneaux installés et branchés, ils doivent être raccordés au réseau électrique pour permettre l’injection de l’électricité dans le réseau ou l’auto-consommation. Ce processus exige certaines étapes et un respect des normes de sécurité strictes. Cela inclut l’utilisation de dispositifs spécifiques comme des micro-onduleurs qui convertissent le courant continu en courant alternatif, compatible avec le réseau.

Dispositifs de sécurité

Le choix du matériel est fondamental pour garantir un branchement sécurisé des panneaux solaires. Des dispositifs de sécurité tels que des disjoncteurs et des interrupteurs de déconnexion doivent être intégrés pour protéger votre installation contre les surcharges. Ces équipements doivent répondre aux dernières normes en vigueur afin d’assurer la sécurité de votre foyer.

Les Défis et Solutions

Installer des panneaux solaires s’accompagne de défis, tant sur le plan technique que réglementaire. Les utilisateurs doivent faire face à des contraintes telles que la puissance maximale autorisée de 600W pour les installations familiales. La mise en conformité avec les réglementations existantes est essentielle, surtout lorsque l’on considère l’impact environnemental et économique de l’installation.

Normes à Respecter

Il est crucial de suivre les normes de sécurité lors du branchement de panneaux photovoltaïques. En France, comme en Belgique, la sécurité doit primer sur les considérations économiques. Les propriétaires doivent s’informer sur les exigences spécifiques pour garantir que leur système sera en conformité et fonctionnera de manière optimale.

branchement-photovoltaique-1 branchement panneaux solaires

Avantages Économiques

De plus en plus de ménages se tournent vers les panneaux solaires, et pour de bonnes raisons. Outre la réduction des factures d’électricité, l’installation de ces systèmes peut être soutenue par des aides financières telles que des subventions, des crédits d’impôt, et des prêts à taux zéro. Ces incitations gouvernementales encouragent les particuliers à investir dans des solutions d’énergie renouvelable et à participer à la transition énergétique.

Perspectives d’Avenir pour le Solaire

Alors que les préoccupations climatiques augmentent, la demande pour des solutions solaires efficaces ne cesse de croître. Les innovations dans le domaine, comme les technologies de peinture solaire et les panneaux solaires pliables, promettent de transformer le marché. Des entreprises comme DualSun développent des solutions compactes et portables qui faciliteront encore plus l’adoption des énergies renouvelables.

L’Importance de l’Éducation

Éduquer le public sur les avantages des énergies renouvelables est essentiel. Une meilleure compréhension des systèmes solaires, de leur installation et de leur fonctionnement peut encourager les utilisateurs à faire le pas vers une plus grande indépendance énergétique. Les formations et les ressources disponibles doivent être mises en avant pour maximiser l’accès à l’information.

Vous avez peut-être manqué

Panneau Photovoltaique Solaire Pro 4.9 (98%) 19720 votes

Recevez votre devis gratuit pour installer des panneaux photovoltaïque

X