2 points de raccordement installation photovoltaique

découvrez les points essentiels pour le raccordement de vos panneaux photovoltaïques. apprenez les démarches à suivre, les normes à respecter et les avantages d'une installation efficace pour optimiser la production d'énergie renouvelable.

2 points de raccordement pour une installation photovoltaïque

Le marché de l’énergie solaire continue de croître de manière exponentielle. En effet, les installations photovoltaïques ne se contentent pas de fournir de l’électricité propre, elles représentent un investissement judicieux pour de nombreux foyers. Raccorder correctement ces panneaux au réseau électrique est essentiel pour une efficacité optimale. Cet article explore en détail les deux principaux points de raccordement d’une installation photovoltaïque et les étapes nécessaires pour garantir un fonctionnement sécurisé et fiable.

Les étapes préparatoires avant le raccordement

Avant de procéder au raccordement des panneaux solaires, il est crucial de préparer votre installation électrique existante. Cela inclus une évaluation approfondie du tableau électrique et des composants.

Évaluation de votre installation électrique existante

Votre tableau électrique doit avoir un espace suffisant pour les nouveaux équipements de protection, spécifiquement conçus pour les installations photovoltaïques. Vérifiez également que votre installation respecte les normes NF C 15-100, qui régissent les installations électriques à basse tension. Il est probable qu’une mise aux normes soit nécessaire avant de commencer l’installation des panneaux.

En outre, il est impératif de vérifier la puissance de votre compteur afin d’attester qu’elle supportera la puissance totale de votre future installation, y compris vos panneaux solaires. Si votre compteur est trop faible, un remplacement s’imposera. Discutez avec un professionnel certifié pour obtenir des recommandations adaptées à votre situation.

points-raccordement-photovoltaique 2 points de raccordement installation photovoltaique

Choix des composants nécessaires pour le raccordement

Le processus de raccordement des panneaux solaires requiert la sélection de composants spécifiques pour garantir une installation réussie. Parmi ces éléments figurent :

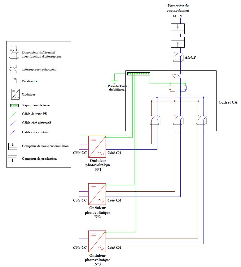
  • Onduleur : Ce dispositif joue un rôle central, convertissant le courant continu produit par les panneaux en courant alternatif.
  • Coffret DC et AC : Ces coffrets regroupent les systèmes de protection nécessaires pour chaque type de courant.
  • Compteur de production : Permet de mesurer l’électricité générée par les panneaux solaires.

Il est important de travailler avec un professionnel pour dimensionner correctement ces composants et garantir leur adéquation au système que vous mettez en place.

Procédure de raccordement des panneaux solaires

Après avoir préparé votre installation, l’étape suivante consiste au câblage et à la mise en service des panneaux solaires. Il est essentiel de suivre une procédure rigoureuse pour garantir la sécurité et la performance de votre système.

Mise en place des panneaux et câblage initial

Installer les panneaux sur votre toit ou sur un support au sol est la première étape physique de votre projet. Utilisez des systèmes de fixation adaptés à votre type de toiture pour garantir une solidité face aux intempéries, tout en veillant à l’orientation et à l’inclinaison idéales pour maximiser l’exposition solaire. En général, une orientation plein sud avec une inclinaison de 30° est recommandée.

Vient ensuite le câblage des panneaux, où vous devez les connecter soit en série, soit en parallèle, en fonction de votre plan de câblage. Les connecteurs MC4 sont indispensables pour assurer des connexions sûres qui résistent aux intempéries. Assurez-vous de protéger le câblage électrique en le passant par des gaines conçues pour durer.

points-raccordement-photovoltaique 2 points de raccordement installation photovoltaique

Installation de l’onduleur et des dispositifs de protection

L’onduleur, en tant que composant central de votre installation, doit être installé dans un endroit abrité, avec une bonne ventilation. Il est important d’éviter les zones à chaleur excessive ou à humidité, ce qui pourrait endommager son fonctionnement. Il convient de connecter tous les câbles et de vérifier les polarités avant de finaliser les installations, conformément aux instructions du fabricant.

Parallèlement, vous devez installer le coffret DC entre les panneaux et l’onduleur et relier la sortie AC de celui-ci au coffret AC. Vérifiez attentivement les connexions pour garantir la sécurité de l’ensemble du système.

Connexion au réseau électrique domestique

Importance de faire appel à un professionnel

Cette étape est critique et mérite d’être réalisée par un électricien qualifié pour s’assurer que tout est conforme aux normes en vigueur. Pour raccorder votre installation photovoltaïque à votre tableau électrique, le premier pas consiste à installer un compteur de production à proximité de votre compteur principal. Cela facilite les relevés mélangés de votre consommation et votre production.

Ensuite, le coffret AC doit être intégré à votre tableau électrique. Un interrupteur général est essentiel pour pouvoir couper l’alimentation de l’ensemble de l’installation solaire en cas d’urgence. N’oubliez pas de vérifier que tous les dispositifs de sécurité tels que les disjoncteurs et les différentiels sont correctement installés.

points-raccordement-photovoltaique-1 2 points de raccordement installation photovoltaique

Aspects réglementaires à respecter

Votre installation doit se conformer à la norme NF C 15-100 qui s’applique aux installations électriques à basse tension. De plus, pour bénéficier des aides financières, il est crucial de travailler avec un professionnel certifié RGE (Reconnu Garant de l’Environnement).

Il est également nécessaire de déposer une déclaration préalable de travaux auprès de la mairie avant d’initier toute installation. Ne négligez pas cette étapeadministrative, car elle est essentielle pour garantir la légalité de votre projet.

Mise en service et contrôle de l’installation

Une fois le raccordement achevé, un contrôle rigoureux est indispensable avant la mise en service finale. Cette vérification permet d’assurer que tout est en ordre et de prévenir des problèmes futurs.

Tests préalables à la mise en service

Conservation des documents et suivi

Afin d’assurer une maintenance efficace, conservez tous les documents relatifs à l’installation, notamment les certificats de conformité et les registres de maintenance. Cela vous facilitera les démarches administratives et assurera un suivi de votre système.

points-raccordement-photovoltaique-2 2 points de raccordement installation photovoltaique

Conclusion sur le branchement des panneaux solaires

Le raccordement de panneaux solaires est une opération complexe qui nécessite des compétences spécifiques et la prise en compte de nombreux facteurs. Il est donc vivement recommandé de faire appel à un professionnel certifié pour obtenir un système performant et fiable. Un tel choix vous garantit également de profiter des aides financières et de respecter les normes réglementaires.

Vous avez peut-être manqué

Panneau Photovoltaique Solaire Pro 4.9 (98%) 21118 votes

Recevez votre devis gratuit pour installer des panneaux photovoltaïque

X