schéma installation photovoltaique site isolé
La transition vers des solutions énergétiques durables est devenue une nécessité et un choix stratégique pour de nombreux individus. Lorsqu’il s’agit d’alimenter des sites isolés, l’installation photovoltaïque site isolé représente une solution efficace et fiable. Cette approche permet ainsi de tirer parti de l’énergie solaire renouvelable, même dans les endroits les plus reculés. Découvrez comment mettre en place un système photovoltaïque autonome, les différents composants d’une installation photovoltaïque, ainsi que l’importance des schémas d’installation pour obtenir les meilleures performances. Cet article détaillera également les différentes options disponibles pour l’acquisition d’un kit photovoltaïque site isolé, fournissant des informations essentielles pour réussir votre projet.
Les bases de l’installation photovoltaïque pour sites isolés
Installer panneaux solaires pour sites isolés nécessite une compréhension approfondie des composants d’un système photovoltaïque autonome et de leur configuration. Le fonctionnement de ce système repose sur plusieurs éléments clés tels que les panneaux solaires, les batteries, le régulateur de charge et l’onduleur, chacun jouant un rôle crucial dans l’efficacité globale de l’installation.

Les composants d’un système photovoltaïque autonome
Les panneaux solaires constituent le premier élément essentiel. Ces dispositifs convertissent l’énergie solaire en électricité. Cela leur permet de fournir de l’énergie même lorsqu’ils se trouvent dans des régions dépourvues de réseau électrique. En parallèle, les batteries stockent l’énergie produite pour une utilisation ultérieure. Cela est particulièrement important pour les sites isolés dont la consommation d’énergie peut varier. Le régulateur de charge permet de gérer la charge et la décharge de la batterie, assurant ainsi sa longévité.
L’onduleur, quant à lui, transforme le courant continu (CC) produit par les panneaux solaires et les batteries en courant alternatif (CA), qui est le type d’électricité utilisé par la plupart des appareils ménagers. Pour garantir un bon fonctionnement de ces composants, le schéma de câblage photovoltaïque est essentiel. Ce dernier détermine comment les éléments sont interconnectés pour optimiser la production et la consommation d’énergie.
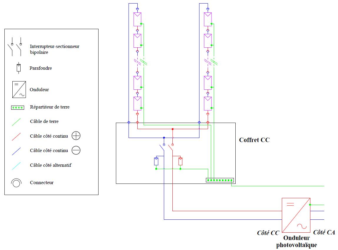
Comprendre le schéma d’installation photovoltaïque
Le schéma installation photovoltaïque est vital pour visualiser et planifier l’ensemble du système. Un bon schéma facilite non seulement l’installation du système, mais permet aussi une maintenance et une extension optimales par la suite. Il est crucial que chaque utilisateur comprenne les différentes connexions sur le tableau électrique, ainsi que les spécificités des dispositifs comme les SolarEdge photovoltaïque site isolé et Victron Energy système solaire. Ces marques sont souvent associées à des systèmes performants, garantissant ainsi une source d’énergie fiable pour les utilisateurs.
Avantages d’une installation photovoltaïque sur un site isolé
Recourir à une installation photovoltaïque sur un site isolé présente de nombreux avantages. Cela constitue un moyen propre et durable d’accéder à l’énergie, sans dépendre des réseaux électriques traditionnels, souvent coûteux et peu fiables dans les zones éloignées. Ce type d’installation offre une indépendance énergétique qui se révèle précieuse pour les utilisateurs.
Indépendance énergétique et réduction des coûts
Avec une installation photovoltaïque site isolé, les utilisateurs peuvent générer leur propre électricité, ce qui réduit leurs factures d’énergie. Les investissements initiaux peuvent sembler élevés, mais à long terme, le retour sur investissement est généralement rapide. En effet, l’énergie solaire est gratuite une fois les équipements installés, générant des économies significatives sur plusieurs années.
De plus, cette autonomie énergétique permet aux utilisateurs de ne plus se soucier des augmentations tarifaires souvent en vigueur sur les réseaux électriques traditionnels. En possédant votre propre système, vous pouvez prévoir vos coûts énergétiques sur le long terme, sans subir les fluctuations du marché.
Une solution écologique
L’utilisation des panneaux solaires pour sites isolés contribue à la préservation de l’environnement. En remplaçant les générateurs à essence, qui émettent des gaz à effet de serre, par un système fonctionnant à l’énergie solaire, les utilisateurs participent activement à la lutte contre le changement climatique. En choisissant un kit photovoltaïque site isolé, ils soutiennent également le développement des technologies d’énergie renouvelable.
Il est donc essentiel de sensibiliser les utilisateurs aux avantages de ces systèmes, tant sur le plan financier qu’environnemental. Pour ceux qui hésitent encore, consulter des experts en énergie solaire peut s’avérer judicieux pour mieux appréhender les bénéfices d’une telle installation.
Mise en place d’un schéma d’installation photovoltaïque
Pour concevoir un schéma d’installation photovoltaïque, il est nécessaire de comprendre les besoins énergétiques de l’emplacement concerné. Chaque projet est unique, et une analyse détaillée des ressources disponibles, des besoins en énergie et de l’ensoleillement est essentielle pour cibler le système le plus adapté.

Évaluation des besoins énergétiques
Avant de se lancer dans l’achat d’un kit photovoltaïque site isolé, il est primordial d’évaluer la consommation d’électricité du site. Cela implique d’analyser les appareils électriques qui seront utilisés, en estimant leur nombre d’heures d’utilisation quotidienne. Ces données sont fondamentales pour déterminer la taille du système nécessaire.
Il est également recommandé d’identifier les périodes de pic de consommation, ainsi que les moments où la production d’énergie solaire sera à son maximum. Cette analyse permet de dimensionner correctement le système, garantissant ainsi une fourniture d’énergie suffisante tout au long de l’année.
Choix du matériel adapté
Une fois les besoins identifiés, il est temps de sélectionner les équipements appropriés. Le choix des panneaux solaires, des batteries, et autres composants doit se faire en fonction des spécificités du projet. Des marques comme SunPower et SolarEdge, réputées pour la qualité de leurs produits, offrent une large gamme d’options adaptées aux installations isolées.
La qualité des équipements est cruciale pour assurer la durabilité et l’efficacité de l’installation photovoltaïque. Il est donc conseillé de faire appel à des fournisseurs fiables qui offrent des garanties sur leurs produits.
Intégration et maintenance d’un système photovoltaïque autonome
Après l’installation, il est essentiel de s’assurer que le système fonctionne de manière optimale. La connexion des différents éléments selon le schéma d’installation photovoltaïque est la première étape. Une mise en service correcte est souvent réalisée par des professionnels qualifiés, qui s’assurent que chaque élément fonctionne conformément aux normes de sécurité et de performance.
Suivi et entretien du système
Le suivi régulier de la performance du système est un aspect crucial de son efficacité. Grâce à des outils de surveillance, les utilisateurs peuvent vérifier la production d’énergie et détecter d’éventuels dysfonctionnements. Le nettoyage des panneaux solaires est également indispensable pour maintenir leur performance. La poussière, la neige ou la saleté peuvent considérablement réduire leur efficacité.
Les composants comme les batteries doivent aussi être surveillés régulièrement. Appliquer les conseils des fabricants concernant la maintenance et l’inspection des systèmes, tels que les systèmes de Victron Energy, assure une longévité optimale et une utilisation sûre.
Perspectives d’avenir
Avec l’évolution des technologies de l’énergie solaire et la baisse des coûts des équipements, de plus en plus d’utilisateurs se tournent vers l’installation photovoltaïque, même dans des contextes isolés. Les gouvernements soutiennent également cette tendance par des subventions et des incitations fiscales, favorisant l’adoption des énergies renouvelables.
Les innovations en matière de stockage d’énergie et d’efficacité pourraient permettre d’optimiser encore davantage ces systèmes, rendant l’alimentation des sites isolés de plus en plus accessible. En informant et en formant les futurs utilisateurs, l’avenir semble prometteur pour l’énergie solaire.
| Composant | Fonction | Marques recommandées |
|---|---|---|
| Panneaux solaires | Convertir l’énergie solaire en électricité | SunPower, SolarEdge |
| Batteries | Stocker l’énergie pour une utilisation ultérieure | Victron Energy |
| Régulateur de charge | Gérer la charge et la décharge des batteries | Victron Energy, Morningstar |
| Onduleur | Convertir le courant continu en courant alternatif | SMA, Growatt |
Un bon suivi et une adaptation des systèmes selon les avancées technologiques permettront aux utilisateurs de maximiser les avantages de leur installation photovoltaïque site isolé.



Laisser un commentaire